EasyManua.ls Logo

Philips BJ3.0E - B3 E MPIF MAIN: AUDIO

Philips BJ3.0E
176 pages
Print Icon
To Next Page IconTo Next Page
To Next Page IconTo Next Page
To Previous Page IconTo Previous Page
To Previous Page IconTo Previous Page
Loading...
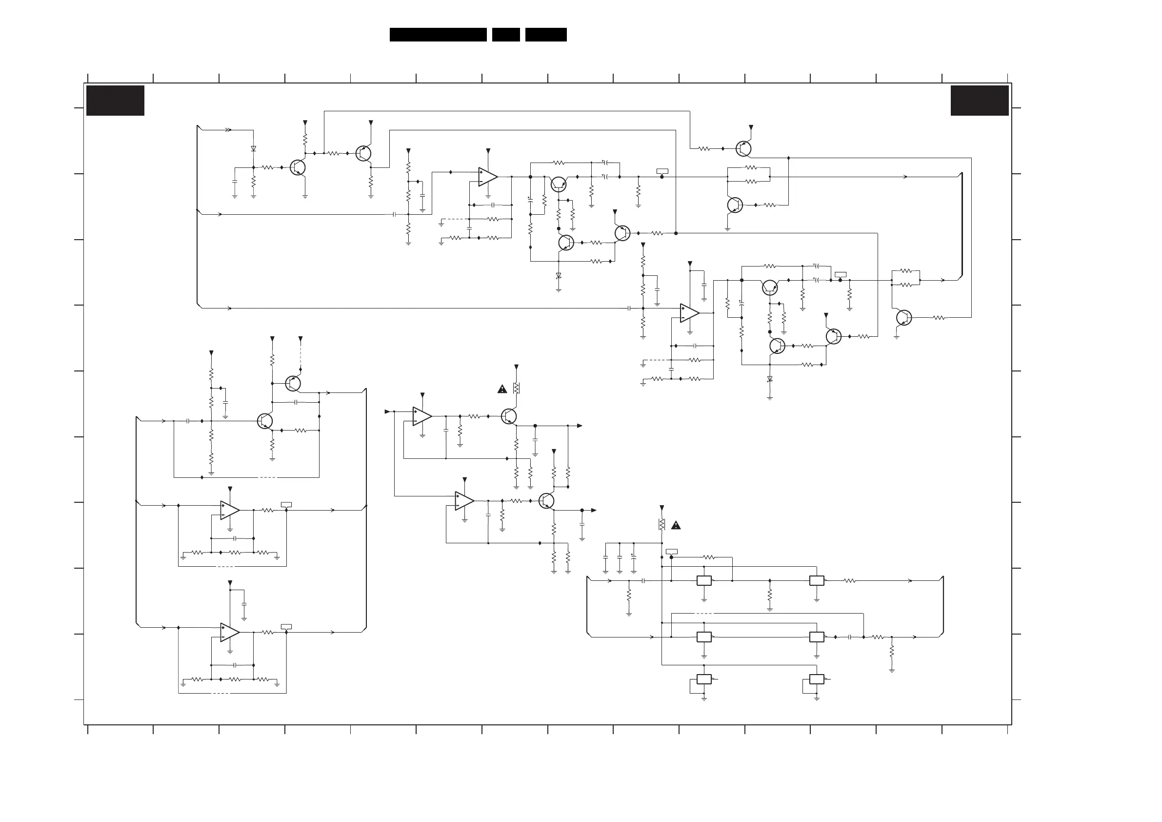
84BJ3.0E PA 7.
Circuit Diagrams and PWB Layouts
SSB: MPIF Main: Audio
1
1 1
1
1
1
*
*
*
*
*
**
*
RES
14
A
B
C
D
E
F
G
H
I
2A22 G8
*
*
2A24 H12
1V0
1
*
*
*
*
*
*
*
*
*
13
2AA3 G9
14
1234
A
B
C
D
E
F
G
H
I
2A20 A8
2A21 C12
2A23 H9
3A31 A5
2A32 B7
2A79 G8
2A81 F7
2A83 D9
2A84 B6
2A85 C9
2A86 C9
2A87 B6
2A88 B5
2A89 G3
23456789101112
2AA4 G9
2AA5 E2
2AA6 E3
2AB1 G7
2AB2 E6
2AB3 E4
3A14 F2
3A15 H9
3A16 I13
3A17 I13
5678910111213
RES
3A29 C10
3A30 B7
3A32 B5
3A33 B5
3A34 C9
3A35 C9
3A36 D9
3A37 D10
3A38 B7
3A39 I3
3A40 G3
3A41 F7
2A90 I3
2A91 B3
2A93 C10
2A96 H3
2A98 D10
2A99 B7
2AA0 A8
2AA1 C10
2AA2 C12
3A51 A3
3A52 A4
3A53 A4
3A54 B5
3A55 A8
3A56 B7
3A57 B8
3A20 E9
3A21 E10
3A22 B6
3A23 B7
3A24 I2
3A25 I3
3A26 G2
3A27 G3
3A28 B3
3A67 C13
3A68 C13
3A69 C12
3A70 C11
3A71 D11
3A72 D11
3A73 D10
3A74 D11
3A42 G7
3A43 G8
3A44 G8
3A45 G8
3A46 E6
3A47 E6
3A48 F7
3A49 F7
3A50 F7
3A84 E4
3A85 F3
3A86 H12
3A87 A10
3A88 B11
3A89 D13
3A90 F8
3A91 F8
3A95 E7
3AA1 G3
3A58 B8
3A59 B8
3A60 A11
3A61 B11
3A62 B9
3A63 C8
3A64 B9
3A65 C8
3A66 C11
7A05-4 H2
7A06 F8
7A07 E7
7A08-1 A4
7A08-2 A5
7A09 A8
7A10-1 C8
7A10-2 B9
7A11 C11
3A75 D12
3A76 D11
3A77 G9
3A78 G10
3A79 H11
3A80 E2
3A81 E2
3A82 E2
3A83 D3
7A14-2 E4
7A15 A11
7A16 B10
7A17 C13
9A80 I3
9A81 G3
9A82 B6
9A83 D9
9A86 D4
3AA2 H3
6A00 C8
6A01 E11
6A02 A3
7A04-1 A7
7A04-2 C9
7A05-1 F6
7A05-2 E5
7A05-3 F2
0V4
FK17 D11
FK18 G9
FK65 B8
7A12-1 D11
7A12-2 D12
7A13-1 H10
7A13-2 H11
7A13-3 I10
7A13-4 I11
7A13-5 H10
7A13-6 H11
7A14-1 E3
0V
0V4
IK48 G3
IK49 E10
IK50 C6
IK51 A3
IK52 A3
IK53 A4
IK54 A4
IK55 B9
9A88 H10
9A90 F3
FK00 A7
FK01 G8
FK02 A9
FK03 E7
FK07 B9
FK09 C10
FK11 C12
1V
0V3
IK67 B6
IK68 A6
IK69 B6
IK70 F2
IK71 G4
IK72 H2
IK73 H4
IK74 F7
IK75 F7
IK76 G7
IK02 F8
IK05 D11
IK06 C7
IK30 A10
IK31 D4
IK32 A11
IK33 B11
IK46 B9
IK47 I3
4V4
5V1
5V1
MPIF MAIN: AUDIO
*
IK86 C9
IK87 D9
IK88 D9
IK89 E3
IK56 D12
IK57 G9
IK58 I12
IK59 H11
IK60 I12
IK62 A8
IK63 B7
IK64 B8
IK66 C8
0V3
0V
IK90 E3
IK91 E2
IK92 E3
IK95 F2
IK96 B8
IK97 E4
4V5
IK77 E6
IK78 E7
IK79 F7
IK80 C11
IK81 C11
IK82 D11
IK83 D10
IK84 D12
IK85 C12
IK98 G3
IK99 I3
IK70
3A78
22K
IK68
10K
3A64
3A41
1K0
IK54
3A45
18K 68R
3A42
10K
3A91
+12VSW
3A90
18R
3AA1
IK84
220R
IK49
2A79
1u0
3A17
IK58
120R
100n
2A24
1n0
2A23
+12VSW
2A32
47u 16V
IK47
3A62
1K0
7A09
BC807-25W
33R
3A61
9
714
8
2AA0
100u16V
714
6
7A13-4
74HCU04PW74HCU04PW
7A13-3
5
IK67
7A16
BC847BW
74HCU04PW
1
714
2
7A13-1
3A95
15R
IK53
+12VSW
BC847BPN
7A14-2
3A84
1K0
3A83
1K2
3A82
150K
3A80
470K
IK79
IK88
BC847BPN
7A14-1
3A85
390R
2A21
100u16V
BAS316
6A02
5
3
4
3A28
47K
2
6
1
7A08-2
BC847BPN
7A08-1
BC847BPN
+5V2-STBY
IK87
LM324
7A05-4
12
13
14
4
11
3A75
10K
+12VSW
100K
3A36
3A35
47K
18K
3A24
33p
2A99
2A98
33p
IK98
+5V
3A33
100K
3A32
47K
IK75
7A15
BC857BW
1K0
3A88
IK73
+8V-AUD
+12VSW
1u0
2A91
LM324
7A05-2
5
6
7
4
11
IK57
3A77
2R2
IK59
IK60
3A37
100K
FK09
3A69
1K0
150R
3A71
1K0
3A89
+5V2-STBY
+5V
+12VSW
+5V-AUD
IK80
IK74
IK72
2A83
1u0
IK69
3A76
220K
10K
BC847BPN
2
6
1
3A74
IK06
7A12-1
220R
3A16
IK63
FK01
2AB1
1n0
33K
3A30
470K
3A14
2A20
100u16V
3A81
120K
2AA5
220n
470K
3A86
68R
3A29
18K
+5V-AUD
33p
2A90
3A26
3A59
100K
FK65
IK32
3A63
10K
FK11
3A49
10K
IK92
7A07
BC817-25W
IK90
IK46
IK71
15K
IK83
3A20
IK62
1u0
2A84
FK00
+5V-AUD
1u0
2A86
47K
3A27
2AA2
16V 100u
BAT54 COL
6A01
9A88
BC817-25W
7A06
2A87
1u0
5
3
4
3A34
BC847BPN
7A12-2
33K
33K
3A31
3A25
47K
9A81
33p
9A80
2A89
IK97
IK30
IK02
IK05
3A54
10K
3A39
1K0
2
6
1
27K
3A21
BC847BPN
7A10-1
FK02
6A00
BAT54 COL
IK48
+5V2-STBY
10
9
8
4
11
7A05-3
LM324
10K
3A43
1
4
11
BC847BW
7A17
LM324
7A05-1
3
2
IK91
2AA6
1u0
5
6
7
84
IK52
7A04-2
TS482IST
IK85
100K
3A52
220R
3AA2
+5V2-STBY
3A60
33R
16V47u
2AA1
IK89
3A55
100K
VREF-AUD
IK64
IK81
3A48
10K
1u0
2A81
+12VSW
100n
2A96
74HCU04PW
11
714
10
7A13-5
IK99
18K
3A50
10K
3A47
220K
3A65
3
714
4
IK50
7A13-2
74HCU04PW
3A44
220K
75R
3A15
100K
3A38
IK76
33R
+12VSW
9A90
3A67
33R
3A68
7A13-6
74HCU04PW
13
714
12
1
84
TS482IST
7A04-1
3
2
1u0
2A22
680K
3A51
3
4
IK56
BC847BPN
7A10-2
5
2A85
100n
2A88
100n
3A56
3A57
150R
220R
3A58
220K
3A73
3A72
220R
220K
9A82
FK17
9A86
2AB3
1n0
2AB2
1n0
100n
2AA3
BC807-25W
7A11
+8V6-SW
IK55
9A83
IK51
10K
+5V2-STBY
1K0
3A46
3A53
1K0
3A40
FK07
IK86
+3V3
4V100u
2AA4
IK66
FK03
FK18
10K
3A87
IK96
IK95
47K
3A79
100K
3A70
100K
3A66
2A93
100n
3A23
27K
3A22
15K
IK82
IK78
IK33
IK77
AUDIO-HDPH-L-AP
AUDIO-HDPH-R-AP
IK31
SPDIF-IN1SPI-1
SPI-OUT
A-PLOP
SPDIF-OUT1
ADAC4
AUDIO-SW
ADAC2
AUDIO-L
AUDIO-R
ADAC8
ADAC7
ADAC1
B3E B3E
3104 313 6073.5
G_15960_025.eps
070206

Table of Contents

Related product manuals