EasyManua.ls Logo

Philips BJ3.0E - Diagram B5 X, PNX8550 EH (IC 7 V00)

Philips BJ3.0E
176 pages
Print Icon
To Next Page IconTo Next Page
To Next Page IconTo Next Page
To Previous Page IconTo Previous Page
To Previous Page IconTo Previous Page
Loading...
Circuit Descriptions, Abbreviation List, and IC Data Sheets
EN 157BJ3.0E PA 9.
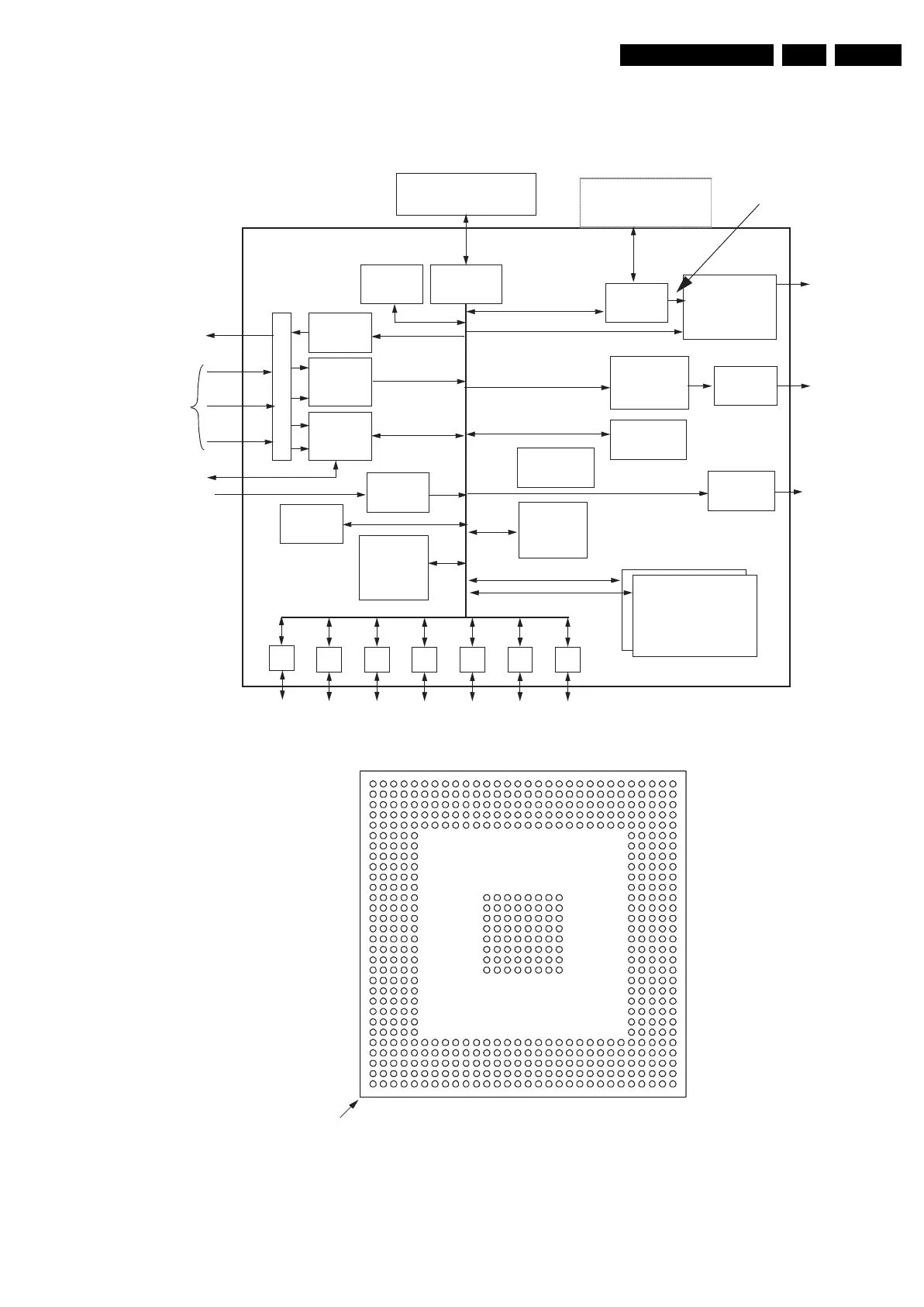
9.11.8 Diagram B5x, PNX8550EH (IC 7V00)
Figure 9-17 Internal block diagram and pin configuration
E_14700_088.eps
250505
Block Diagram
Pin Configuration
TS Out
1SD+1HD
YUV422
Video In
Dual
Cond.
Access
20
Dual SD
Single HD
MPEG2
Decoder
re
tuoR ST
/oed
iV
Audio In
Audio Out
250 MHz
MIPS32
CPU
2x 240 MHz
TM3260
Media Processor
2D DE
Temporal
Noise Redux
DVD-CSS
5-Layer
Primary
Video Out
HD/VGA/656
2-Layer
Secondary
Video Out
3x656
30 (dig)
Analog
MemoryStick/
MultiMedia Card
2x Smartcard
UARTs
USB1.1
GPIO
PCI2.2
2x I2S
SPDIF
2x I2S
SPDIF
PNX8550
32-Bit 225 MHz DDR
10
Flash IDE
S-Video or
CVBS
Tunnel
Optional External
Video Improvement
Processing
DENC
Memory
Controller
TS Output
TS Inputs
Streaming Interface
from Tunnel
De-interlacer
Scaler and
A
B
C
D
E
F
H
K
G
J
L
M
N
P
R
T
U
V
W
Y
AB
AD
AH
AK
AF
AA
AC
AJ
AG
AE
2 4 6 8 10 12 14 16 18 20 22 24 26 28 30
135791113 2115 17 19 23 25 27 29
shape
optional (4x)

Table of Contents

Related product manuals