EasyManua.ls Logo

Philips BJ3.0E - Diagram C, TDA8925 ST (IC 7701)

Philips BJ3.0E
176 pages
Print Icon
To Next Page IconTo Next Page
To Next Page IconTo Next Page
To Previous Page IconTo Previous Page
To Previous Page IconTo Previous Page
Loading...
Circuit Descriptions, Abbreviation List, and IC Data Sheets
EN 163BJ3.0E PA 9.
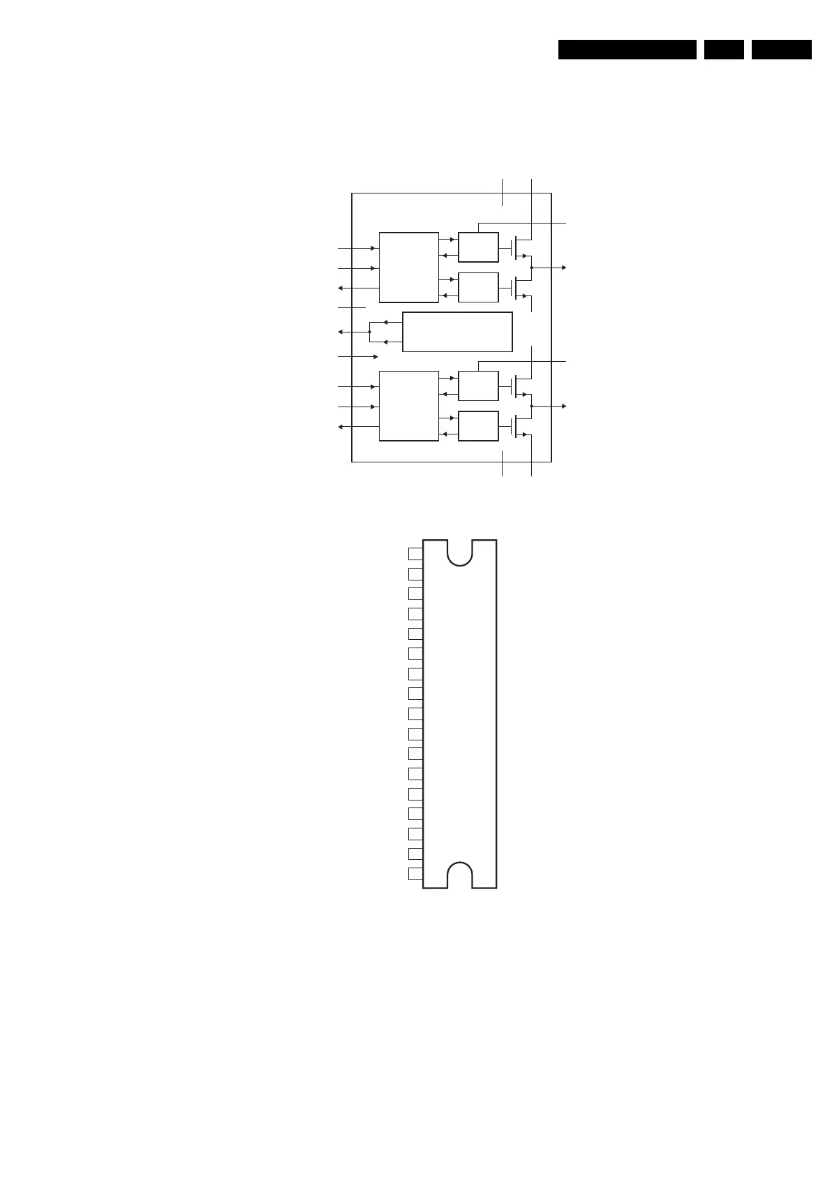
9.11.14 Diagram C, TDA8925ST (IC 7701)
Figure 9-23 Internal block diagram and pin configuration
Block Diagram
Pin Configuration
F_15400_139.eps
240505
CONTROL
AND
HANDSHAKE
DRIVER
HIGH
TDA8926J
TEMPERATURE SENSOR
AND
CURRENT PROTECTION
DRIVER
LOW
temp
current
4
7
V
SS1
V
SS1
V
SS2
V
DD2
6
1
2
9
810
V
DD2
V
DD1
13 5
CONTROL
AND
HANDSHAKE
DRIVER
HIGH
DRIVER
LOW
14
11
12
17
16
3
15
EN1
DIAG
REL1
SW1
SW2
REL2
POWERUP
EN2
BOOT1
OUT1
STAB
OUT2
BOOT2
TDA8925ST/J
TDA8926J
1
2
3
4
5
6
7
8
9
10
11
12
13
14
15
16
17
V
SS1
V
SS2
V
DD2
V
DD1
EN1
DIAG
REL1
SW1
SW2
REL2
POWERUP
EN2
BOOT1
OUT1
STAB
OUT2
BOOT2
TDA8925ST/J

Table of Contents

Related product manuals