EasyManua.ls Logo

Philips BJ3.0E - AD2 DISPLAY SUPPLY: PROTECTION

Philips BJ3.0E
176 pages
Print Icon
To Next Page IconTo Next Page
To Next Page IconTo Next Page
To Previous Page IconTo Previous Page
To Previous Page IconTo Previous Page
Loading...
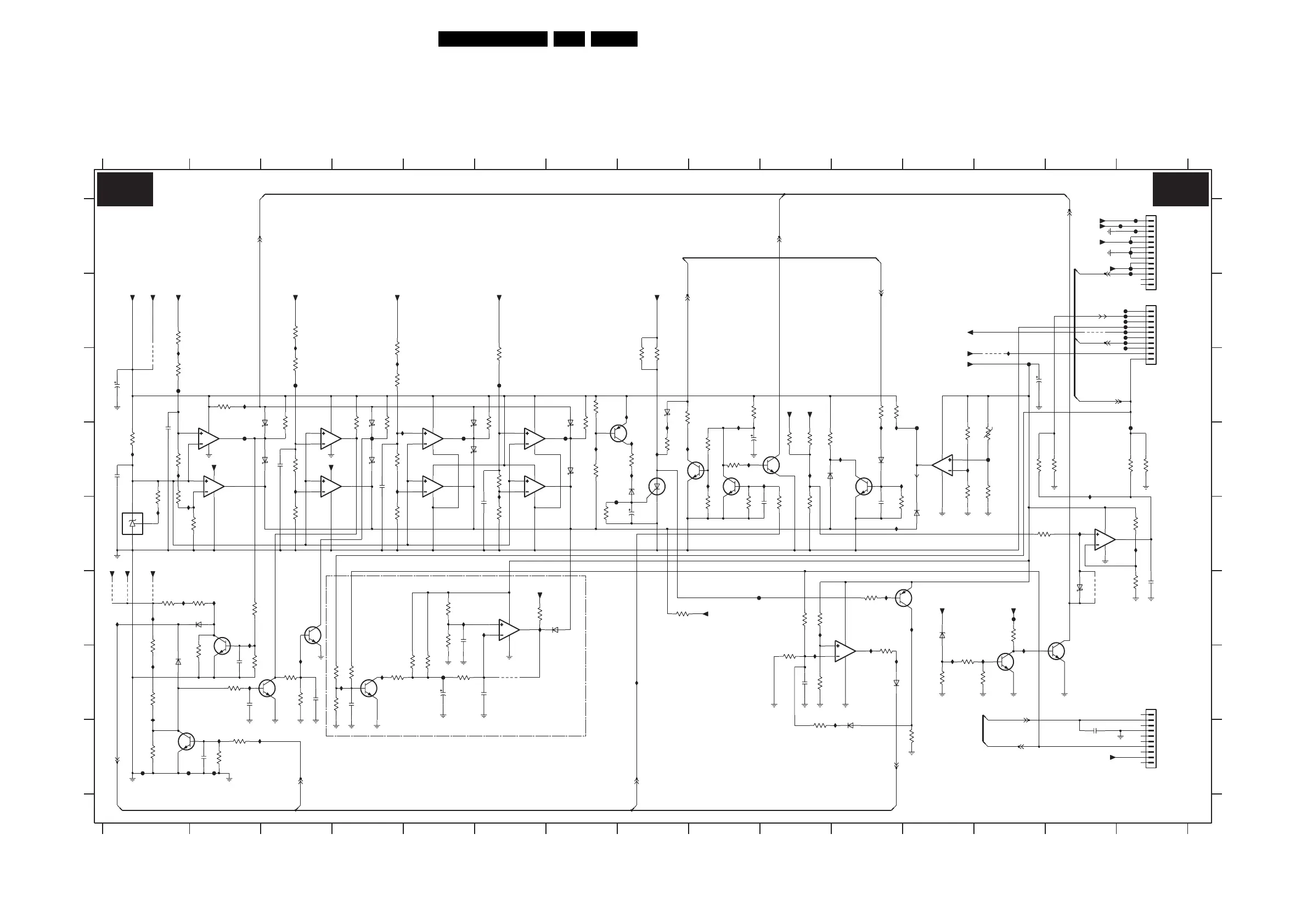
Circuit Diagrams and PWB Layouts
61BJ3.0E PA 7.
Display Supply FHP: Protection
+T
I379 E14
I380 E15
I381 F10
I382 F1
I383 D1
TO
STANDBY
CONTROL
VCEGO
VCC
I936 D14
I939 G10
I942 G11
0V7(0V)
2.5 Vref
I384 C4
I385 F5
I386 F6
I387 F6
I390 B13
I392 F11
I393 G4
I905 G8
I906 H2
I935 F12
I326 G13
*
I330 D5
I335 E6
I339 E11
I341 D7
I344 D8
I345 D8
I347 D8
I348 D8
I349 D9
I350 D9
I351 D9
I352 D10
I355 G3
I356 G2
I363 D11
I364 D11
I367 D11
PROTECTION
SSB
I301 G4
I302 C2
I303 F2
I304 D1
I305 F1
I306 E1
I307 E1
I308 F2
I310 H1
I311 H2
I312 C3
I313 C1
I314 F1
I315 G1
I316 D3
I317 F11
I318 C8
I319 D8
I320 D10
I321 D11
I322 D4
I323 D13
I325 G12
VSA
F329 D7
F330 C1
F335 D12
F343 E7
F368 C3
F369 C6
F370 B15
F371 B15
I327 F13
F374 B15
F375 B15
F376 B15
F377 B15
F378 C15
F379 C13
F381 F13
F383 A15
F384 A14
F385 A15
F386 A15
F387 A15
F388 A15
F389 B15
F390 F9
F937 D15
(0V)
ONLY USED WITH LC4.x SSB
12V
7363 G4
7366-1 F6
7366-2 E14
7366-3 D12
7366-4 F11
7375 F2
I309 G127391 F12
9005 C1
9006 C13
9009 F1
9010 F1
9011 F1
9020 B14
9021 G6
9022 F14
F311 G5
F320 H1
F322 H2
F323 H1
F325 D13
F326 D2
F327 D4
F328 D5
(0V)
PROTECTION
0V7
6378 F14
7004 D8
F372 B15
7308-1 D4
7308-2 D4
7308-3 D2
7308-4 D2
7326 G13
7327 G14
7330-1 D6
7330-2 D6
7330-3 D5
7330-4 D5
7332 F3
7333 G3
7341 D8
7348 D8
7351 D10
7352 D9
7362 D11
5V (0V3)
DCPROT
3808 G10
3809 F10
3811 G11
6312 D2
7376 H1
6321 D4
6322 D4
6325 F12
6333 D5
6334 D5
6335 H11
6340 D7
6341 D7
6344 D8
6347 C8
6362 D10
6364 D11
6365 E12
6366 G11
6367 F7
6375 F2
6376 G1
VS
PROTECTION
3V8 (0V1)
PROTECTION
VCEGO
2V5
7304 E1
3381 H2
3383 E15
3384 F15
3386 G4
3389 F8
3390 G5
3391 F11
3392 G4
3393 G4
3394 G4
3395 G5
3396 G5
3397 F5
3398 F5
3399 F6
3806 H10
3807 H12
POWER_OK PROTECTION
PLATFORM
VSAGO
6313 D23359 C11
3360 D10
3361 D10
3362 D15
3363 E10
3364 E11
3365 D10
3366 D12
3367 D12
3369 D13
3370 D13
3371 F1
3372 G1
3373 F2
3374 F2
3376 G2
3377 G1
3378 E13
8V6 UNDER VOLTAGE
5V (0V)
3380 H2
3340 D7
3341 C7
3342 D7
3343 E7
3344 D8
3345 C8
3346 C8
3347 D8
3348 C8
3349 C9
3350 D9
3351 D9
3352 E9
3353 E10
3354 E9
3355 D13
3356 D15
3357 D14
6
3312 D3
3313 D3
3358 C11
3315 G3
3316 G2
3317 E3
3318 G3
3320 C4
3321 D4
3322 D4
3323 E4
3324 E1
3325 G12
3326 G12
3327 G13
3328 F13
3332 C6
3333 D6
3334 D6
3335 E6
3338 G2
DISPLAY SUPPLY: PROTECTION
2386 G4
3339 H1
2387 G5
2388 G6
2397 C13
2398 C1
3068 F10
3074 G10
3102 E1
3103 C4
3300 B1
3301 C1
3304 D1
3306 D1
3307 E2
3308 C2
3310 B3
3311 C3
5V1 (0V)
LATCH
PROTECTION
TO
3314 D4
8 9 10 11 12 13 14 15
A
B
C
D
E
F
G
H
A
B
2364 E11
VA
1 23456789101112131415
12345
2385 F5
TO
SSB
SUPPLY
7
1J02 A15
1M03 B15
1P10 G15
2304 D1
2305 D1
2306 D3
2307 H14
2310 G3
2311 G2
2322 D4
C
D
E
F
G
H
2324 E6
2343 E8
2350 D9
2352 E10
3807
10K
2366 F15
2376 G2
2377 G10
2381 H2
7
8
9
VSND_NEG
VSND_POS
10
11
12
13
2
3
4
5
6
1J02
1
16V100n
2324
5
4
2
3
12
LM339PW
7330-3
1K0
3304
3366
10K
100n 16V
2376
F374
3315
10K
6366
BAS316
I311
I323
I383
3341
10K10K
3342
5K6
3359
I379
470R
3325
1%1K0
3102
2377
100n
3343
1K0
BAS316
6365
1%
3301
220K
2K7
3357
F325
I335
F368
6347
BAT54 COL
I315
I363
I387
2310
1n0
+5V_STBY
F378
3367
10K
3392
47K
3390
1K0
F327
I318
2386
10n
I936
3313
7K5
1%
3806
470R
5
4
2
3
12
3376
LM339PW
7308-3
47K
16V
2352
100n
47K
3397
3394
47K
+5V_INT_SW
I319
BC847BW
7351
1K0
3312
6325
BZX384-C6V8
10K
3808
6364
BAS316
I314
16V
2322
100n
VCC-5V
1
3
12
10K
3318
LM339PW
7330-4
7
6
7333
BC847BW
1K0
3363
2366
100n 16V
+5V_STBY
3354
4K7
I355
I347
1%1K0
3103
I356
7
8
9
BC847BW
7375
B10B-EH-A
1P10
1
10
2
3
4
5
6
I306
I304
F322
7391
BC857BW
2398
10u 16V
I344
10K
3352
12
6335
BAS316
LM339PW
7308-4
7
61
3
2K7
3362
2388
10n
3351
10K
I382
3361
4K7
BC847BW
7348
I935
F328
7363
BC847BW
10K
3378
I313
6313
BAT54 COL
I320
I345
10K
3338
3381
47K
3398
1K0
3332
68K
I303
+12V
1%
1K0
3333
F343
+12VL
I364
2385
I350
10n 16V
I327
I326
3370
470R
3308
1K0
16V100n
+5V_INT_SW
2364
3335
15K
RELAY_VOLTAGE
50V
1%
+5V_INT_SW
2u2
2343
3360
1K2
I905
F937
3373
I307
5K6
16V100u
2387
BC857BW
7341
3074
330K
BAT54 COL
2307
100n
6341
2311
1n0
3316
470K
3
A
1
K
2R
3314
10K
I367
7304
TS2431
7362
BC847BW
6333
BAT54 COL
+5V_INT_SW
1%
I392
3322
3K9
3348
330R
6321
BAT54 COL
3395
100R
100n
2306
16V
F370
4K7
3326
100R
3355
I380
220R
+5V_STBY
1%
3365
F330
3310
100K
+30V
6376
BAS316
47K
3393
11
10
13
3
12
9021
+5V_INT_SW
LM339PW
7308-2
3306
10K
3399
5K6
1%
14
4
11
6378
BAT54 COL
7366-4
LM324
12
13
I381
F326
+8V6
3324
1K0
F323
I317
BC847BW
7332
13
3
12
F388
LM339PW
7330-2
11
10
3386
100R
10K
3383
F371
VA
BAT54 COL
6322
3321
1K0
VCC-5V
1K0
3349
+5V_STBY
10K
3391
GND_SND
9
8
14
3
12
6344
BZX384-C3V3
LM339PW
7330-1
4K7
3350
3809
33K
F381
I386
I393
I305
47K
I385
3380
1%
3317
7K5
330R
3347
7308-1
9
8
14
3
12
6334
BAT54 COL
LM339PW
1%
220K
3300
F377
3339
10K
1%
10K
3320
70-90V
I341
1K0
3344
+5V_STBY
F385
3374
47K
F329
100n
16V
2381
4
5
6
7
8
9
1M03
1
10
2
3
I322
9022
F372
BC847BW
7326
7327
BC847BW
3340
1K0
F311
5K6
3377
I390
F389
F369
F320
7004
I339
P0102BL
7366-2
LM324
5
6
7
4
11
10K
1%
I325
3323
I330
1%
3334
10K
3353
10K
3356
560R
50V
I309
+12V
1n0
2304
9005
RES
9
8
4
11
3384
10K
LM324
7366-3 10
+9V_STBY
16V
100u
2350
I942
3811
100R
I310
F387
9011
2K2
3358
I312
F376
10K
3327
3
2
1
4
11
3068
10K
7366-1
LM324
BC847BW
7376
9009
+5V_STBY
3396
BAS316
6375
I321
100n
2305
16V
6362
BAS316
F390
I906
3369
4K7
BAT54 COL
9020
I316
6312
I939
F384
9006
+5V_INT_SW
I308
F335
I352
2397
100u 16V
I349
I301
1K0
3345
12K
3307
1%
I351
I384
BAT54 COL
6340
3389
9010
1K0
6367
BAS316
F379
F375
F386
2K7
3364
F383
1%
120K
3311
7352
BC847BW
I348
I302
3328
10K
RELAY_VOLTAGE
3372
6K8
3371
6K8
LATCH
3346
1K0
POK
POWER_GOOD
STANDBY
POWER_GOOD
STANDBY
STANDBY
VCEGO
VSAGO
SUPPLY_ON
VSA_CONTROL
DC_PROT
VCC_GO
POK
AD2 AD2
G_15960_002.eps
060206
3104 313 6126.3

Table of Contents

Related product manuals