EasyManua.ls Logo

Philips BJ3.0E - C2 PROTECTION; MUTE CONTROL

Philips BJ3.0E
176 pages
Print Icon
To Next Page IconTo Next Page
To Next Page IconTo Next Page
To Previous Page IconTo Previous Page
To Previous Page IconTo Previous Page
Loading...
Circuit Diagrams and PWB Layouts
127BJ3.0E PA 7.
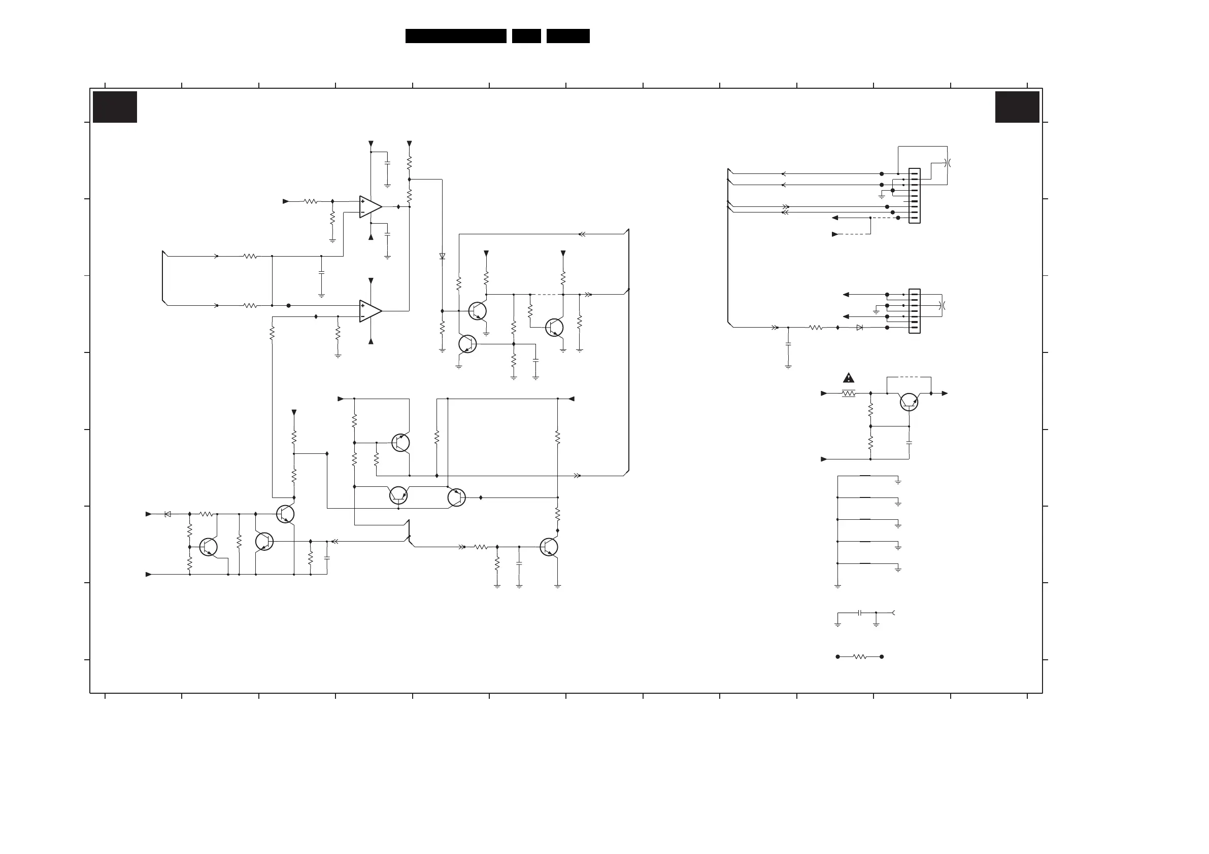
Audio Panel: Protection & Mute Control
14V4
0V
IDF7 C6
IDF8 E4
IDF9 E5
IDG0 F6
IDG1 F6
0V
0V
0V
0V6
-14V4
-14V4
-13V7
-13V7
-14V4
+13V7
c004 F10
c005 F10
IDF5 C10
IDF6 E4
7DF4 D5
7DF5 F6
7DF6 E5
7DF7-1 A4
7DF7-2 C4
7DF8 D4
7DF9 F2
7DH0 C6
9DD1 D11
9DD2 B10
9DD3 B11
9DF0 C6
FDG1 B11
FDG2 C3
IDG3 E3
IDG4 F3
IDG5 F2
IDG6 F2
IDG7 E3
IDG8 F1
IDG9 E5
c001 E10
c002 F10
c003 E10
FDH9 B11
IDE0 D10
3DG9 C6
3DH0 C5
3DH1 C5
3DH2 E4
3DH3 C7
IDE1 D10
IDE2 D11
IDE3 A5
IDF1 A3
IDF2 B4
IDF3 C3
IDF4 C5
7DF2 E4
7DF3 C5
3DF2 B2
3DF3 C2
3DF4 A3
3DF5 B3
3DF6 A4
FDG8 G10
FDG9 G11
FDH0 C11
FDH1 C11
FDH2 C11
FDH3 C11
FDH4 A11
FDH5 A11
FDH6 A11
FDH8 B11
3DG7 F6
3DG8 D6
2DF4 A12
3DH4 D4
3DH5 E6
3DH6 E3
3DH7 E4
6DF0 B5
6DF1 F1
6DF2 C10
7DD0 D11
7DF0 F3
7DF1 F3
3DF0 C6
3DF1 C6
91011
3DF7 C3
3DF8 C3
3DF9 C5
3DG0 E2
3DG1 F2
3DG2 E3
3DG3 E5
3DG4 F3
3DG5 F5
3DG6 F6
C
D
2DD4 F6
2DD8 C9
2DE0 E11
2DF0 B3
2DF2 A4
2DF3 B4
12345678
2DF6 C11
2DF9 G10
3999 G10
3DD0 D10
3DD1 D10
3DD2 E10
3DD3 A4
3DD4 F2
3DD5 F2
3DD7 C10
78
PROTECTION / MUTE CONTROL
12
A
B
C
D
E
F
G
A
B
E
F
G
0002 G11
1M02 C11
1M52 A11
2DD1 F3
2DD2 D6
910
3
2
1
8
4
11 12
123456
GND-L
LM393PT
7DF7-1
FDH2
-12-15V
1n5
2DD1
FDH4
LM393PT
7DF7-2
5
6
7
8
4
c004
7DF0
BC847BW
3DG6
3DG9
22K
47K
FDH8
3DD4
22K
IDG0
+12-15V
VP1
+12-15V
GND-L
3DF8
2K7
7DF6
BC857BW
3DG7
47K
9DD1
FDH6
GND-L
47K
3DH2
FDH0
+3V3-STANDBY
3DF6
5K6
2DD4
1n5
GND-L
6K8
3DG4
IDG9
9DD2
GND-L
IDE3
FDG8
6DF1
BZX384-C18
FDG2
220K
3DF3
-12-15V
IDG6
IDF9
2DF0
1u0
2DE0
1n5
-12-15V
+3V3-STANDBY
GND-L GND-L
7DD0
BC817-25W
9DF0
VP1
10n
2DD2
100K
3DH7
GND-S
GND-L
FDH3
*
3
12
GND-L
9DD3
GND-L
2DF4
GND-L
7DF8
BC847BW
GND-L
2DF2
100n
BC847BW
7DF9
FDG1
FDH9
47K
3DG3
GND-L
3DH1
2K2
IDF3
3DF2
220K
2DF6
*
3
1
2
GND-L
IDG7
+12-15V
3DG8
10K
IDG5
3
4
5
6
7
22K
3DD3
1M02
B7B-EH-A
1
2
3DD0
10R
GND screw
00021
BC847BW
7DF1
7DF4
2
3
4
5
6
7
8
9
BC847BW
B9B-PH-K
1M52
1
IDG3
GND-SA
3DG2
47K
3DD2
47K
3DD5
1K0
7DH0
BC847BW
3DH3
3K9
47K
3DF1
-12-15V
VP1
3DF0
10K
3DD1
15K
6DF0
BAS316
IDG4
+12-15V
-12-15V
+12-15V
GND-L
GND-L
GND-L
FDG9
2K2
3999
BC847BW
7DF5
3DG5
47K
3DG1
2K2
47K
3DF9
+3V3-STANDBY
GND-S
c005
FDH1
IDG8
IDF2
GND-S
IDF4
GND-LR
100n
2DF3
IDF8
GND-LL
3DH0
47K
3DF7
47K
+12-15V
+3V3-STANDBY
3DF5
2K7
7DF3
BC847BW
FDH5
-12-15V
3DG0
10K
47K
3DH5
+12-15V
IDE2
2DF9
100p
GND-L
IDF1
IDF5
10n
2DD8
100R
3DD7
6DF2
BAS316
IDF7
IDF6
33K
GND-L
3DH4
IDG1
BC857BW
7DF2
IDE1
IDE0
47K
3DF4
2K2
3DH6
c003
c002
AUDIO-PROT
AUDIO-PROT
c001
INV-MUTE
AUDIO-L
AUDIO-R
MUTE
LEFT-SPEAKER
RIGHT-SPEAKER
CPROT
SOUND-ENABLE
SOUND-ENABLE
AUDIO-PROT
SOUND-ENABLE
C2 C2
3104 313 6125.4
G_15690_068.eps
020306

Table of Contents

Related product manuals