EasyManua.ls Logo

Philips BJ3.0E - Block Diagram Platform Supply 42” FHP

Philips BJ3.0E
176 pages
Print Icon
To Next Page IconTo Next Page
To Next Page IconTo Next Page
To Previous Page IconTo Previous Page
To Previous Page IconTo Previous Page
Loading...
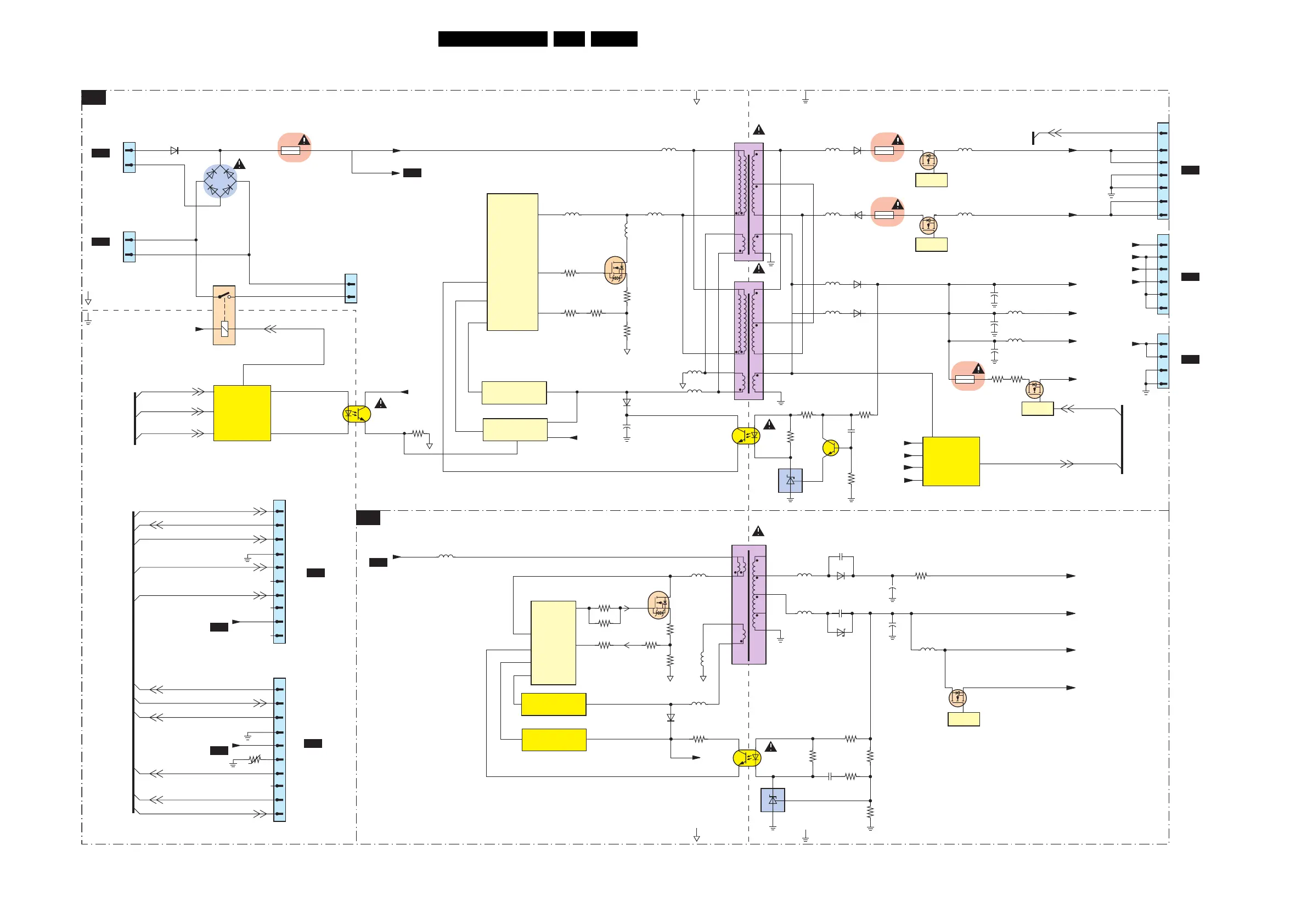
48BJ3.0E PA 6.
Block Diagrams, Test Point Overviews, and Waveforms
Block Diagram Platform Supply 42” FHP
STANDBY
AP2
MAINS FILTER + STANDBY
AP1
PLATFORM SUPPLY 42” FHP
1M02
6
2
4
3
1
6P05
GBL06
-
+
7P27
TEA1506AT
2
SPMS
CONTROL
VCC
DRIVER
DRAIN
14
11
6
8
+400V-F
9
10
HOT GROUND COLD GROUND
SPMS
CONTROL
7100
TEA1533AT/N1
+25VLP
+5V2-NF
+5V_SW
G_15960_082.eps
100406
6
1P03
F1A
+AUDIO-POWER
6S12
6S07
5S05
5S10
3108
3S17
3S29
1P06
T5A
3
5S00
6
7
10
8
5
2
1
7S03
TCET1102
2
14
3
7S02
STP6NK60
5P10
5P20
5
7P02
STP6NK607
5P06
3
2
1
3P50
9
INSENSE
3P33
3P27
3P04
3P16
CTRL
7U05
K
A
R
7P11
2
14
3
RC FOR
DEMAGNETIZATION
7
DEM
SUPPLY FOR
CONTROLLER
+AUX
7P26
+400V-F
DRIVER
11
DRAIN
14
5S09
ISENSE
9
3S30
RC FOR
DEMAGNETIZATION
DEM
7
5S01
6
CTRL
3S36
9
5S03
2S13
2S50
+
3S28
3S23
Feedback
Circuit
7S04
K
A
R
2S07
3S19
7S31
5S12
6S01
2S41
+
STANDBY
5P00
SUPPLY FOR
CONTROLLER
7107
2
VCC
+AUX
1P22
1
2
6P06 6P10
7P20
STANDBY
6
8
9
10
2
1
5P01
7
7
5
3
5P05
5P03
5PO7
5P04
5P26
6P27
2P06
+
-AUDIO-POWER
1P07
T5A
5P11
5P19
6P13
7P23
STANDBY
+12V_NF
5P12
6P11
+12VAL
5P14
5P13
6P12
+12V
5P16
2P48
+
2P50
+
2P49
+
1P30
T5A
7P14
STANDBY
+8V6
3P57 3P58
3P62
3P61 3PP2
7P09
2P12
3P12
1M03
7
1
4
2
3
5
6
10
8
9
DIM_CONTROL
POWER-OK-PLATFORM
ON-OFF
BOOST
POWER-GOOD
STANDBY
+5V-SW
3P56
+T
5
7
AUDIO-PROT
7P12
2
14
3
3P13
STANDBY
ON-OFF
AUDIO-PROT
CONTROL
+AUX
HOT GROUND
COLD GROUND
HOT GROUND
COLD GROUND
3S22
3S50
2S04
3S21
3S14
3S24
+5V2
5S11
1P10
7
1
4
2
3
5
6
10
8
9
DIM_CONTROL
POWER-GOOD
ON-OFF
STANDBY
POWER OK
+12V_NF
+8V6
+5V_SW
+5V2
POWER-OK-PLATFORM
STANDBY
BOOST
+5V-SW
B5E
TO 1M03
SSB
AD2
TO 1P10
DISPLAY
SUPPLY
C
TO 1M02
AUDIO
AD1
FROM 1P02
DISPLAY
SUPPLY
1M18
3
1
2
4
AL
TO 1M09
AMBI
LIGHT
1M46
4
11
7
9
5
3
B1B
TO 1M46
SSB
+8V6
+12V
+5V-SW
+5V2
+12VAL
AD1
FROM 1P22
DISPLAY
SUPPLY
1
4
3
2
1P02
2
1
AP1
+400V-F
AP2
AP2
AP2
1450
12
34
AL-OFF
+5V2-NF
1P16
2
1
Res For
4 Side
Ambi Light

Table of Contents

Related product manuals