EasyManua.ls Logo

Philips BJ3.0E - Diagram B10 A, STV0701 (IC 7 P03)

Philips BJ3.0E
176 pages
Print Icon
To Next Page IconTo Next Page
To Next Page IconTo Next Page
To Previous Page IconTo Previous Page
To Previous Page IconTo Previous Page
Loading...
Circuit Descriptions, Abbreviation List, and IC Data Sheets
EN 162 BJ3.0E PA9.
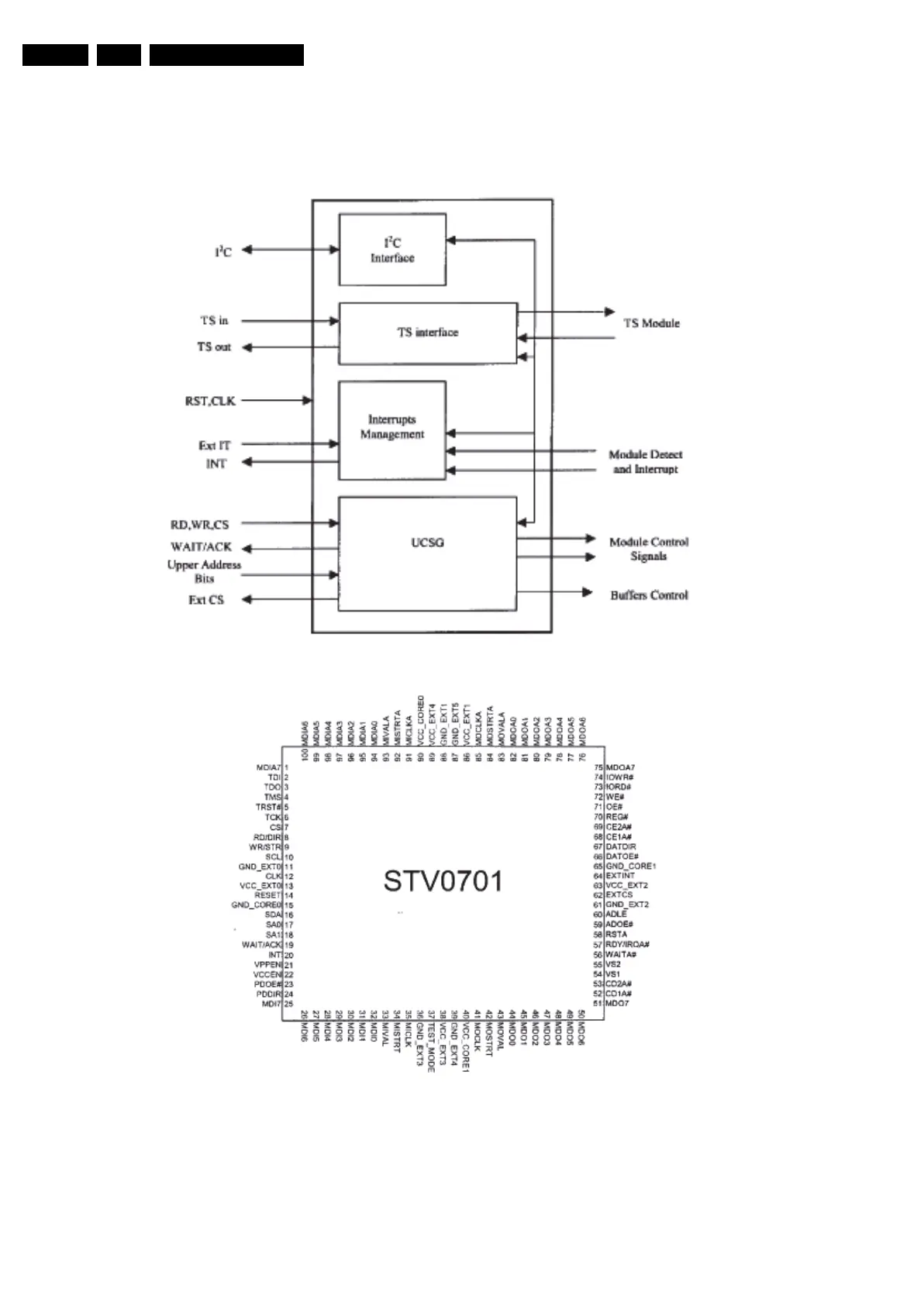
9.11.13 Diagram B10A, STV0701 (IC 7P03)
Figure 9-22 Internal block diagram and pin configuration
Block Diagram
Pin Configuration
F_15400_138.eps
240505

Table of Contents

Related product manuals