EasyManua.ls Logo

Philips BJ3.0E - Diagram B10 A, TPS2211 AIDB (IC 7 P00)

Philips BJ3.0E
176 pages
Print Icon
To Next Page IconTo Next Page
To Next Page IconTo Next Page
To Previous Page IconTo Previous Page
To Previous Page IconTo Previous Page
Loading...
Circuit Descriptions, Abbreviation List, and IC Data Sheets
EN 161BJ3.0E PA 9.
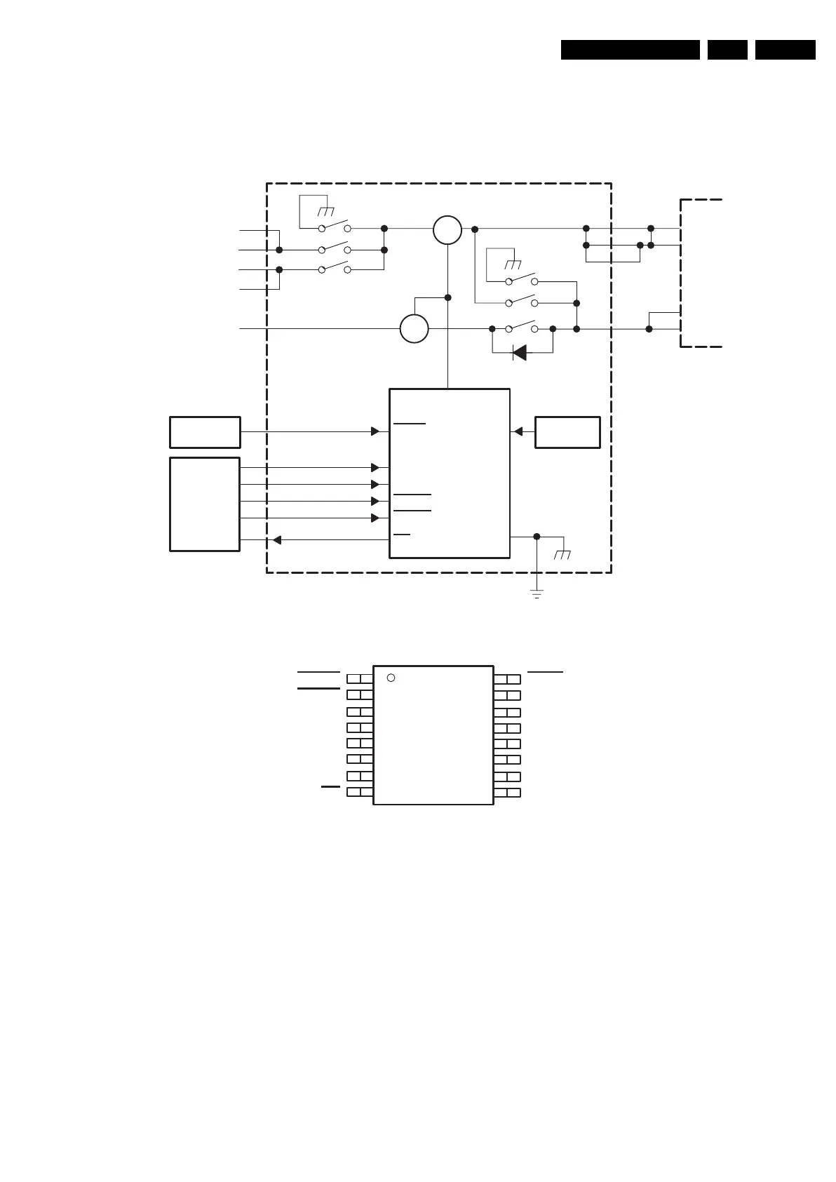
9.11.12 Diagram B10A, TPS2211AIDB (IC 7P00)
Figure 9-21 Internal block diagram and pin configuration
Block Diagram
Pin Configuration
F_15400_137.eps
240505
SHDN
VPPD0
VPPD1
VCCD0
VCCD1
OC
Internal
Current Monitor
GND
Thermal
CS
CS
S4
S5
S6
13
12
11
10
17
51
18
52
V
CC1
V
CC2
V
pp1
V
pp2
Card B
S1
S2
S3
3
4
5
6
9
16
15
14
1
2
8
7
CPU
Controller
3.3 V
3.3 V
5 V
5 V
12 V
TPS2211A
See Note A
1
2
3
4
5
6
7
8
16
15
14
13
12
11
10
9
VCCD0
VCCD1
3.3V
3.3V
5V
5V
GND
OC
SHDN
VPPD0
VPPD1
AVCC
AVCC
AVCC
AVPP
12V
DB PACKAGE
(TOP VIEW)

Table of Contents

Related product manuals