EasyManua.ls Logo

Philips BJ3.0E - Page 146

Philips BJ3.0E
176 pages
Print Icon
To Next Page IconTo Next Page
To Next Page IconTo Next Page
To Previous Page IconTo Previous Page
To Previous Page IconTo Previous Page
Loading...
Circuit Descriptions, Abbreviation List, and IC Data Sheets
EN 146 BJ3.0E PA9.
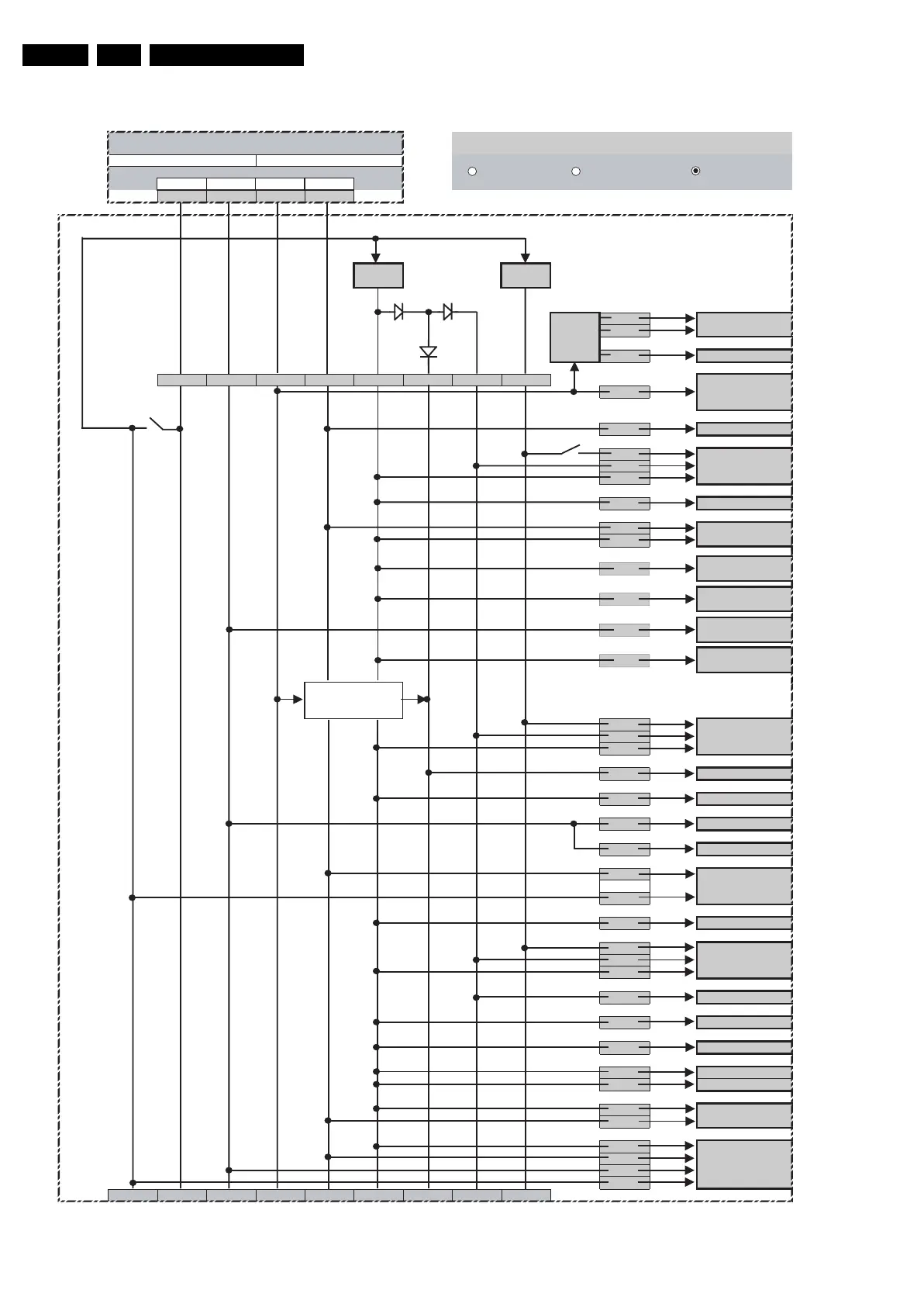
Figure 9-5 Supply distribution: ON Mode (mentioned values are indicative)
d.c. power:
23.66 (W)
a.c. power:
47.38 (W)
+12VS +8V6 +5V2 +5V
power
20.62 2.18 0.35 12.11
(W)
DC-DC DC-DC
12V/3.3V 12V/1.2V
(mA)
30
18
10
Serial Flash
(mA) 1718 254 67 2375 2911 250 735 2595
9
+12V switch
144
Splitter +OOB tuner
285
235
40
30
STV701
780
1110
250
180
250
DD
R
30
NAND Flash
130
Tuner
34
IF amplifier
300
50
330
HDMI
1200
125
300
125
DD
R
500
MOP
116
Ethernet
200
1394 Link
81
1394 Physical
314
1900
10
31
90
50
+12VSW +12VS +8V6 +5V2 +5V +3V3 +2V5D +2V5 +1V2
+2V5D stabilizer
NXT2003
CAM
LEDs + IR sensor
(outside SSB)
Audio + I/O
Viper2
PNX3000
PNX2015
USB 2.0
Stdb uP
(PNX2015)
SSB
1.2V
and
3.3V
stabilizers
STDBY SEMI STDBY
ON
G_15960_060.eps
010306
Main Supply
SUPPLY DISTRIBUTION IN ON MODE
DVB-T CHANNEL
DECODER
DVB-T COMMON
INTERFACE
135
500
220
DVB-T TUNER
552
PACIFIC

Table of Contents

Related product manuals