EasyManua.ls Logo

Phoenix LT4 - Page 164

Phoenix LT4
168 pages
Print Icon
To Next Page IconTo Next Page
To Next Page IconTo Next Page
To Previous Page IconTo Previous Page
To Previous Page IconTo Previous Page
Loading...
Phoenix LT4 Lane Machine Operation, Maintenance, and Parts Manual
61-900040-000 Rev. Date 01/22
7-45
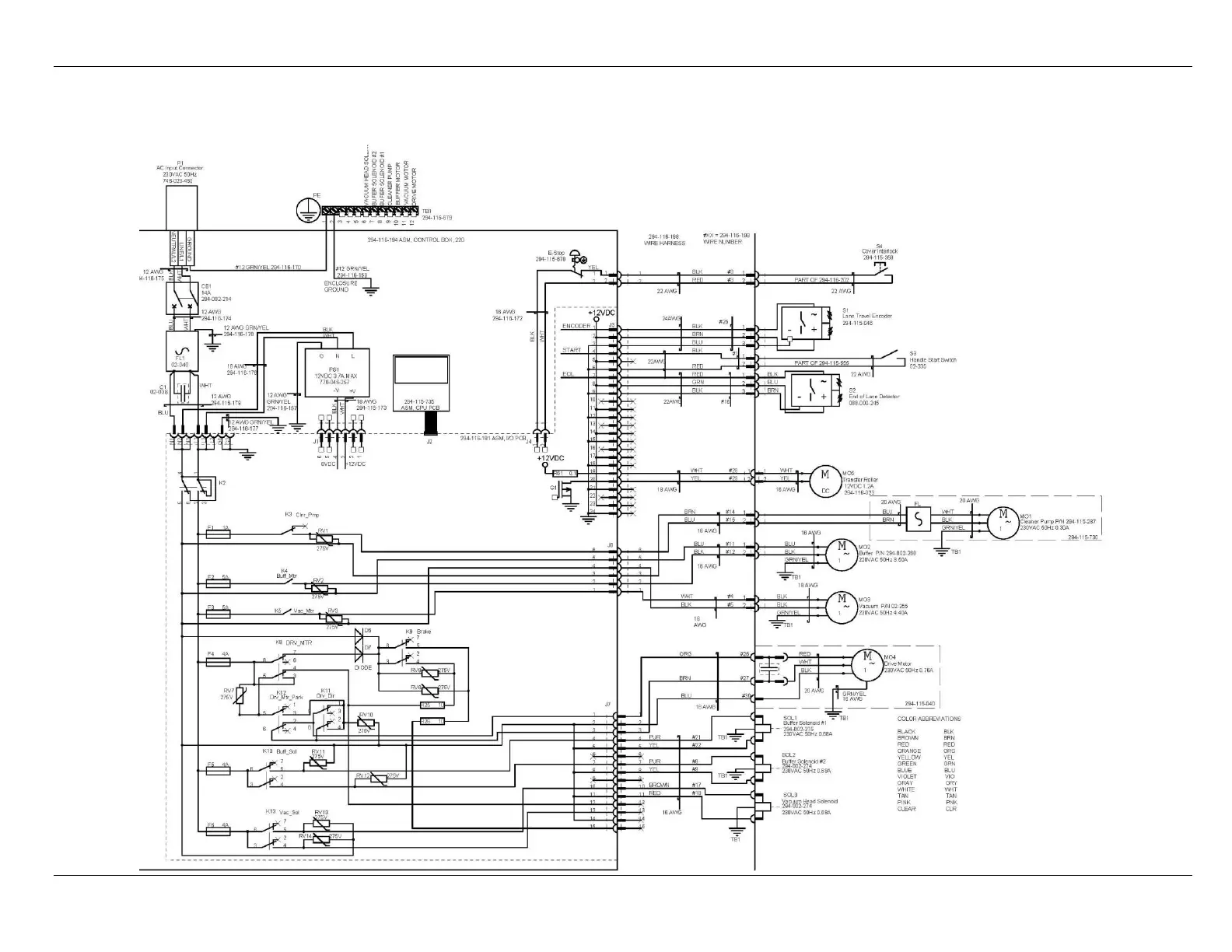
Wiring Diagram 220V Lane Machine P/N 400-294-019

Table of Contents