EasyManua.ls Logo

PIAGGIO MP3 400 i.e. - Page 54

PIAGGIO MP3 400 i.e.
394 pages
Print Icon
To Next Page IconTo Next Page
To Next Page IconTo Next Page
To Previous Page IconTo Previous Page
To Previous Page IconTo Previous Page
Loading...
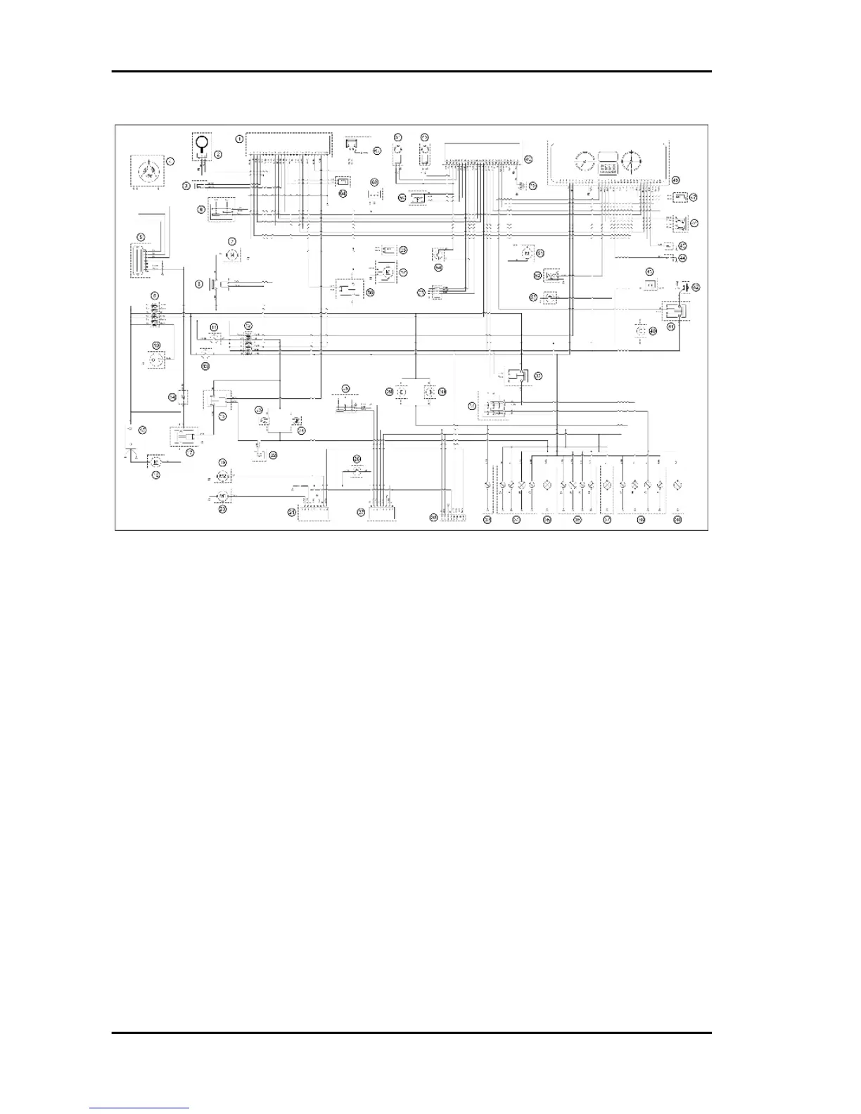
KEY
1. Injection ECU
2. Immobilizer aerial
3. Lambda probe
4. Magneto flywheel
5. Voltage regulator
6. Engine stop switch
7. Radiator electric fan
8. Electrical fan remote control
9. Main fuses
10. 12V socket
11. Key switch contacts
12. Secondary fuses
13. Key switch contacts
14. Fuse
15. Battery
16. Starter motor
17. Start-up remote control switch
18. Start-up enabling remote control
19. Boot actuator
Electrical system MP3 400 i.e.
ELE SYS - 2

Table of Contents

Related product manuals