EasyManua.ls Logo

Salus AX10RF - Page 72

Salus AX10RF
76 pages
Print Icon
To Next Page IconTo Next Page
To Next Page IconTo Next Page
To Previous Page IconTo Previous Page
To Previous Page IconTo Previous Page
Loading...
A.1
Appendix A
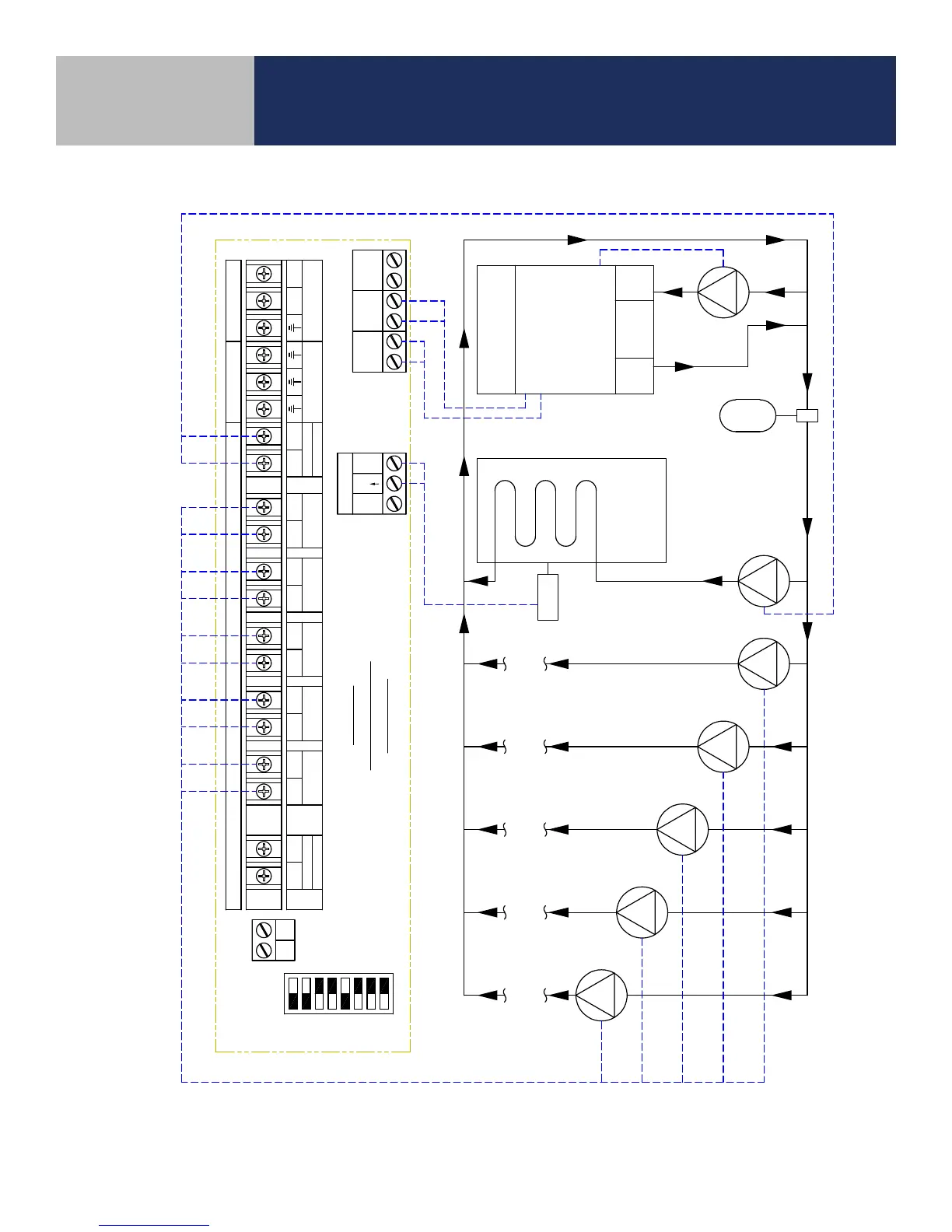
Figure A-1: SALUS AKL06PRF Zone Pump Wiring Center
- Domestic Hot Water (DHW) Priority controlled by AKL06PRF Zone Pump Wiring Center (Priority Dip Switch – On)
- 5 Central Heating (CH) Zones
- No power required to terminals ZC and N
LN
POWER IN
120 VAC
GROUND
GROUND
LN
PRIORITY
PUMP 1
LN
PUMP 2
LN
PUMP 3
LN
PUMP 4
LN
PUMP 5
LN
PUMP 6
LN
PRIMARY
PUMP
120 VAC OUTPUT
ZC
N
OFF
SLAVE
OFF
MASTER
WIRELESS
EXERCISE ON
PRIORITY ON
PRIMARY STATUS DURING PRIORITY ON
WIRED
OFF
OFF
PURGE ON
AUX XX ZONE1
E/S
H N
R
C
W
24V - T-STAT 1
CH DEMAND
DHW DEMAND
BOILER
BOILER PUMP
STAT
1
INDIRECT
DHW
AKL06PRF
6 ZONE WIRING
CENTER
2
3
4
5
6
5 CENTRAL HEATING (CH) ZONES
PRIMARY
ZONE DHW
PUMP (SEE
NOTE 1)
THIS DOCUMENT CONTAINS
INFORMATION PROPRIETARY
TO AZ ENGINEERING.
DISCLOSURE OF ANY
INFORMATION CONVEYED OR
IMPLIED BY THIS DOCUMENT
WITHOUT EXPRESS WRITTEN
CONSENT BY AZ
ENGINEERING IS FORBIDDEN.
APPROVED BY
DATE
AZ ENGINEERING LLC
AKL06PRF INSTALLATION SCHEMATIC
SCALE: DRAWING NO: REVISION:
SHEET 1 OF 1
DATE:DRAWN BY:
CN:
1 DHW ZONE: 5 CH ZONES
SCI-20180531-02 02
NONE
--
SCEARCE 2018-05-31
REVISION
BY:
2
DAS
DATE:
7/03/18
NOTE 1 (was) DHW ZONE CONTROLLED BY AKL06PRF ZONE VALVE WIRING
CENTER.
NOTES:
1) DHW ZONE CONTROLLED BY AKL06PRF ZONE PUMP WIRING CENTER
2) DHW TANK THERMOSTAT IS HARDWIRED TO WIRING CENTER
3) NO POWER IS REQUIRED TO ZC/N TERMINALS
KEY:
WATER
ELECTRICAL
CONTROL BOUNDARY
ZONE CIRCULATOR

Table of Contents

Related product manuals