EasyManua.ls Logo

SAME SILVER 100.4 - Page 255

Default Icon
470 pages
Print Icon
To Next Page IconTo Next Page
To Next Page IconTo Next Page
To Previous Page IconTo Previous Page
To Previous Page IconTo Previous Page
Loading...
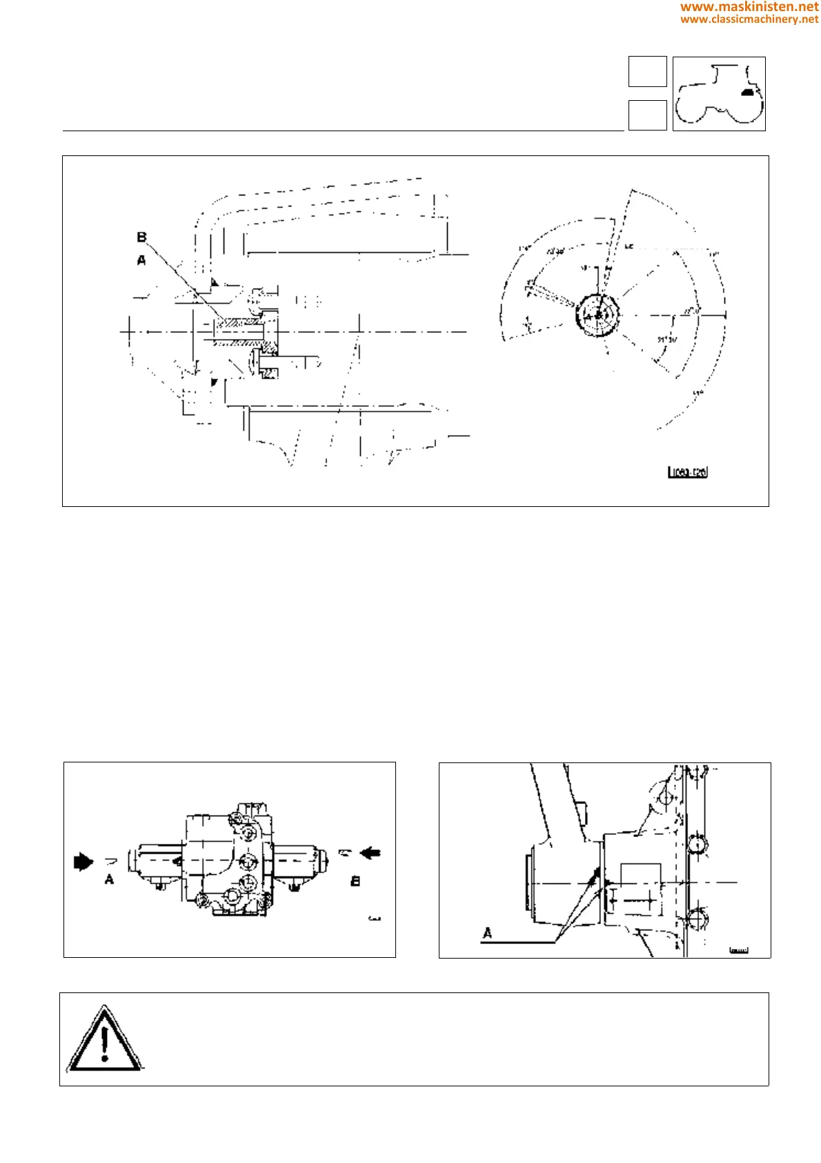
Fig. 9 - Locating the position control sensor.
FITMENT OF LIFT ARMS POSITION CONTROL SENSOR
When positioning the sensor A make certain that the flat surface of the pin is faultlessly aligned with the outline of the
hole in coupling B.
This done, tighten the fixing screws.
NB: There is no need to position the sensor in relation to the slots; during the subsequent setup procedure, the All
Round Tester will identify the initial position and assign a value of zero as being the angle of the lift arms (see page
243).
Operation of the directional control solenoid valves (Fig.10)
1st function: A - Up
2nd function: B - Down
CAUTION: Operate the manual Up control button located on the solenoid valve of the lift system control valve assembly
only when absolutely unavoidable, and with the engine at low throttle.
Release the button before the arms reach maximum height, as this manual facility by-passes the automatic cutoff
generated both by the position control sensor and by the safety limit switch.
Fig. 10 - Manual push buttons for electrohydraulic directional control valve and reference notches determining maximum lift height
position.
WHEN OPERATING THE LIFT “UP” FUNCTION USING THE BUTTON AT THE DIREC-
TIONAL CONTROL VALVE, MAKE ABSOLUTELY CERTAIN TO STOP SHORT OF MAXI-
MUM HEIGHT, AND ALWAYS KEEP THE ENGINE AT LOW THROTTLE.
lever hydraulic limiter
lever to bottom
mechanical limiter potentiometer
mechanical limiter potentiometer
59
5
vehicle
electronic power-lift
255
www.maskinisten.net
www.classicmachinery.net

Table of Contents

Related product manuals