EasyManua.ls Logo

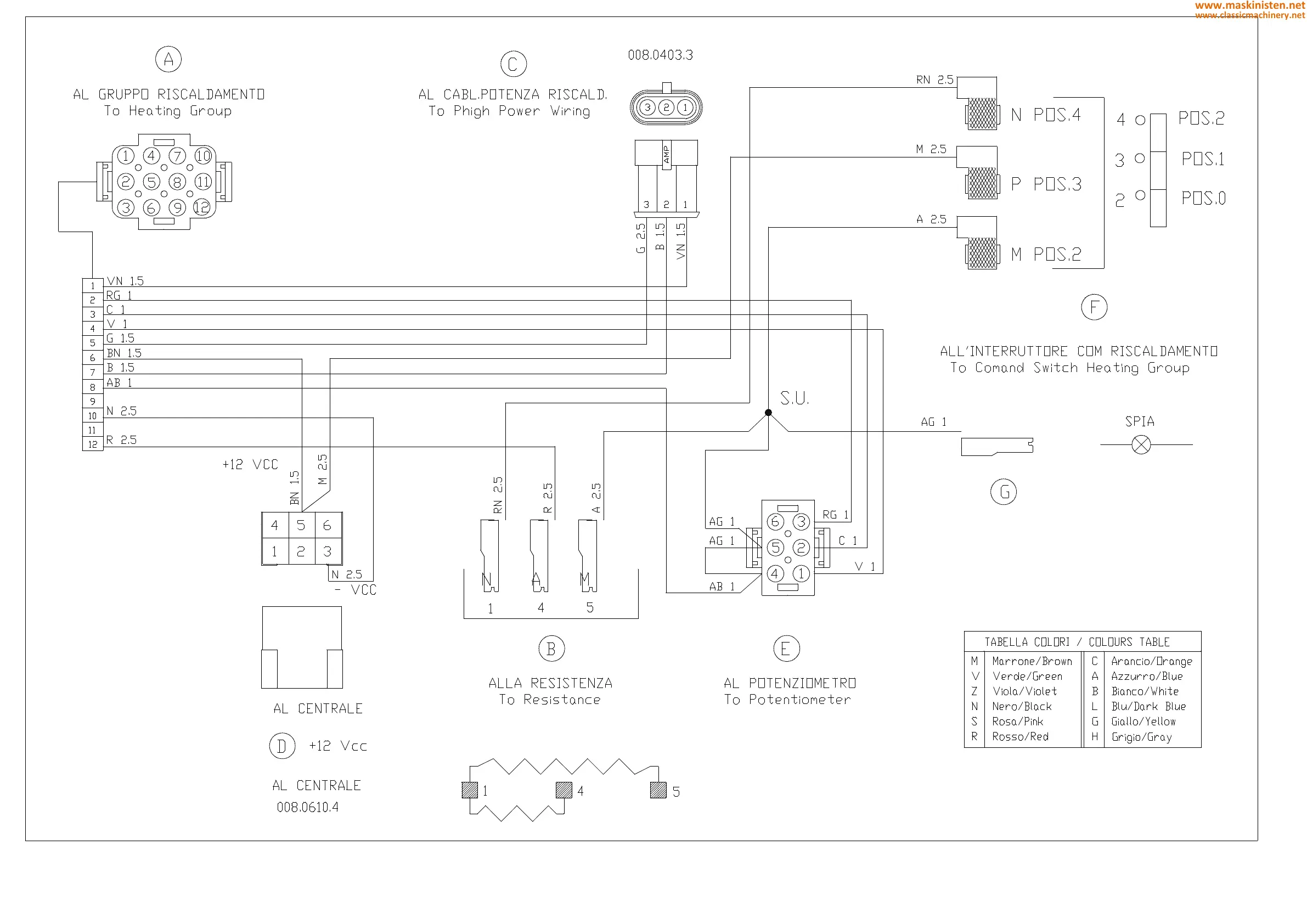
SAME SILVER 100.4 - Electric Heater Wiring 008.0403.3;20

Default Icon
470 pages
Print Icon
To Next Page IconTo Next Page
To Next Page IconTo Next Page
To Previous Page IconTo Previous Page
To Previous Page IconTo Previous Page
Loading...
CAB WIRING SHEET 6 - ELECTRIC HEATER WIRING 008.0403.3/20
426
www.maskinisten.net
www.classicmachinery.net

Table of Contents

Related product manuals