EasyManua.ls Logo

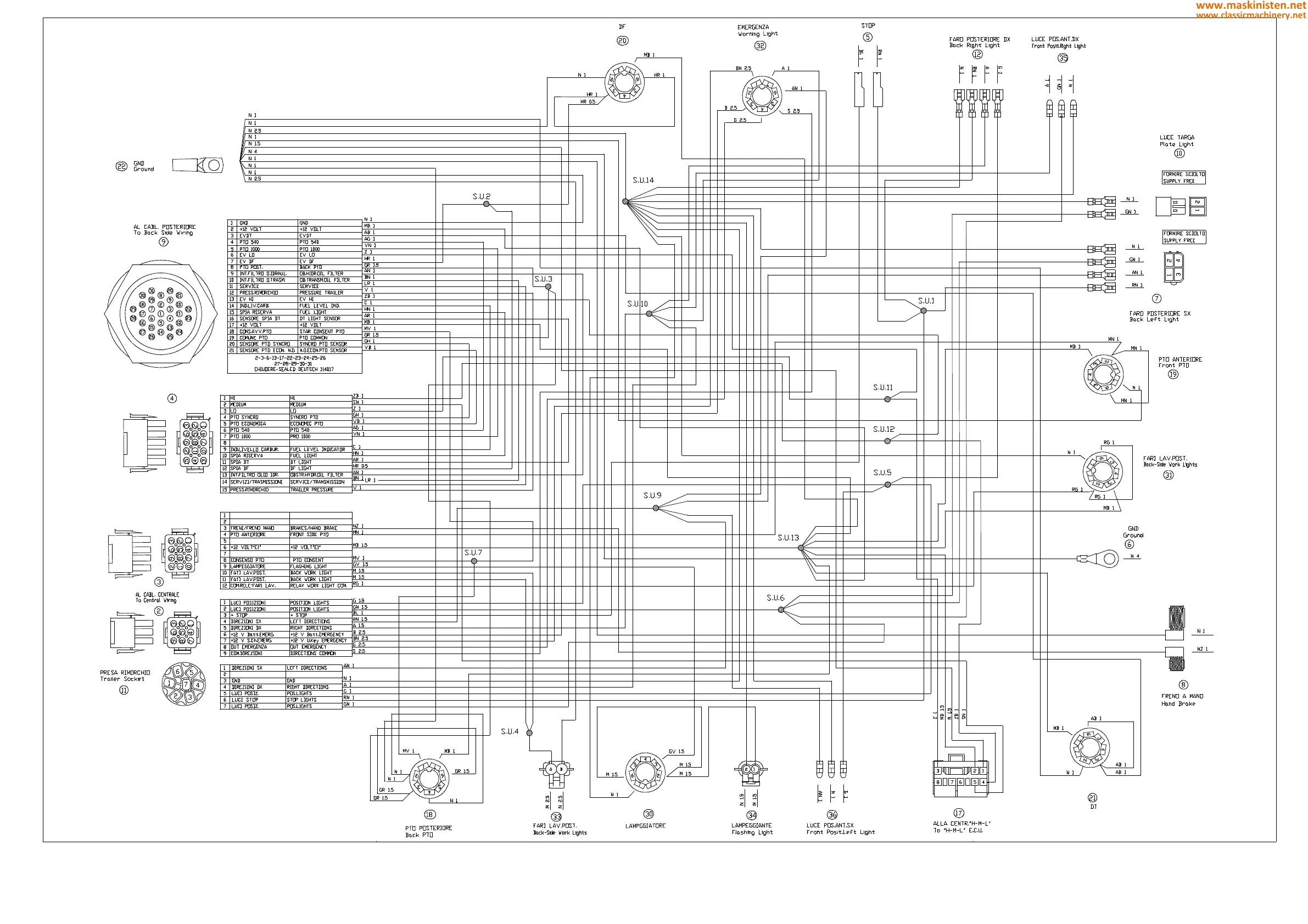
SAME SILVER 100.4 - UNDERMAT WIRING (Electrohydraulic Controls + H-M-L SHIFT) 007.6829.4;20

Default Icon
470 pages
Print Icon
To Next Page IconTo Next Page
To Next Page IconTo Next Page
To Previous Page IconTo Previous Page
To Previous Page IconTo Previous Page
Loading...
PLATFORM WIRING SHEET 17 - UNDERMAT WIRING (electrohydraulic controls + H-M-L shift) 007.6829.4/20
437
www.maskinisten.net
www.classicmachinery.net

Table of Contents

Related product manuals