EasyManua.ls Logo

SAME SILVER 100.4 - UNDERMAT WIRING (with Mechanical Controls) 009.6886.4;20

Default Icon
470 pages
Print Icon
To Next Page IconTo Next Page
To Next Page IconTo Next Page
To Previous Page IconTo Previous Page
To Previous Page IconTo Previous Page
Loading...
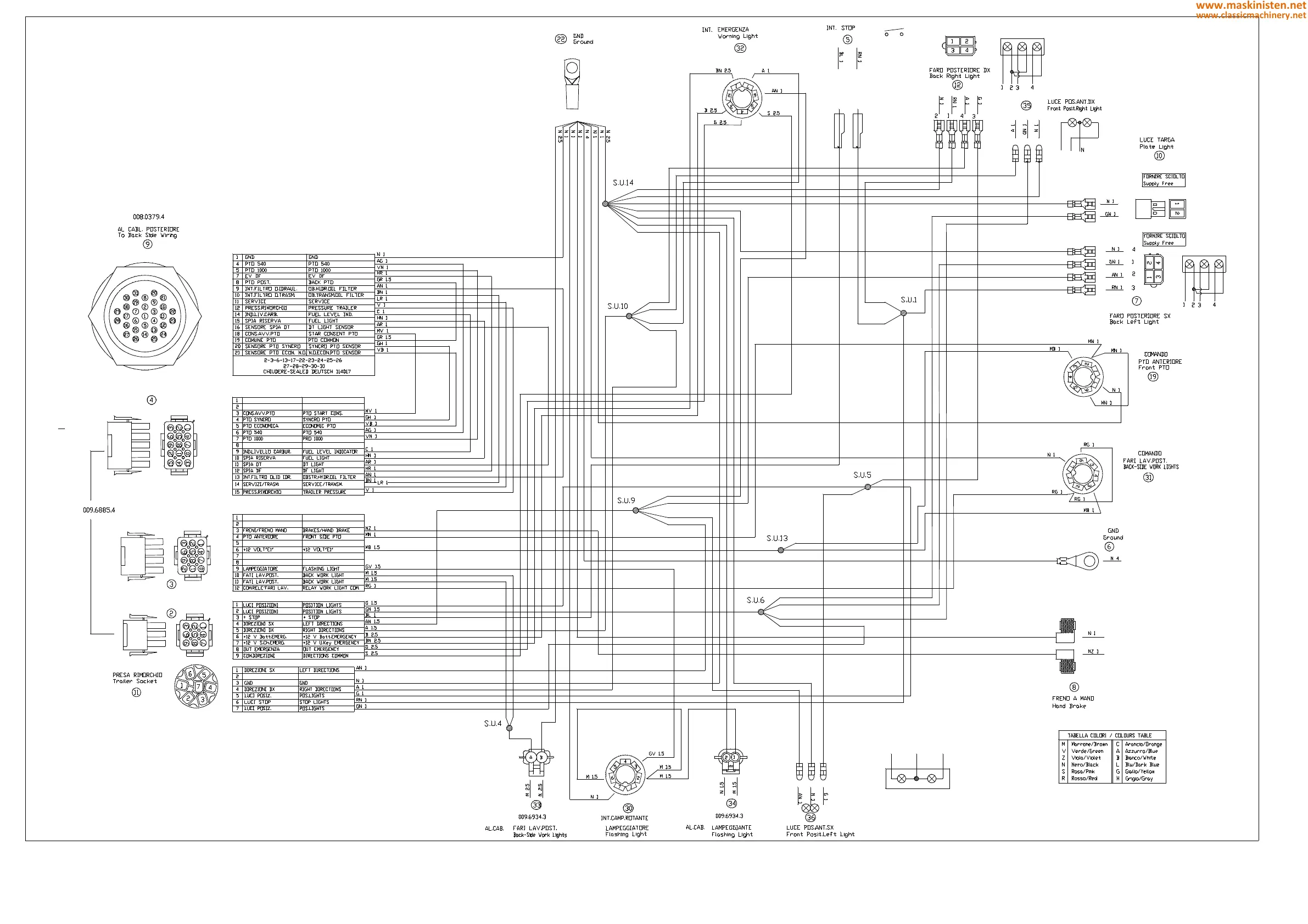
PLATFORM WIRING SHEET 16 - UNDERMAT WIRING (with mechanical controls) 009.6886.4/20
436
www.maskinisten.net
www.classicmachinery.net

Table of Contents

Related product manuals