EasyManua.ls Logo

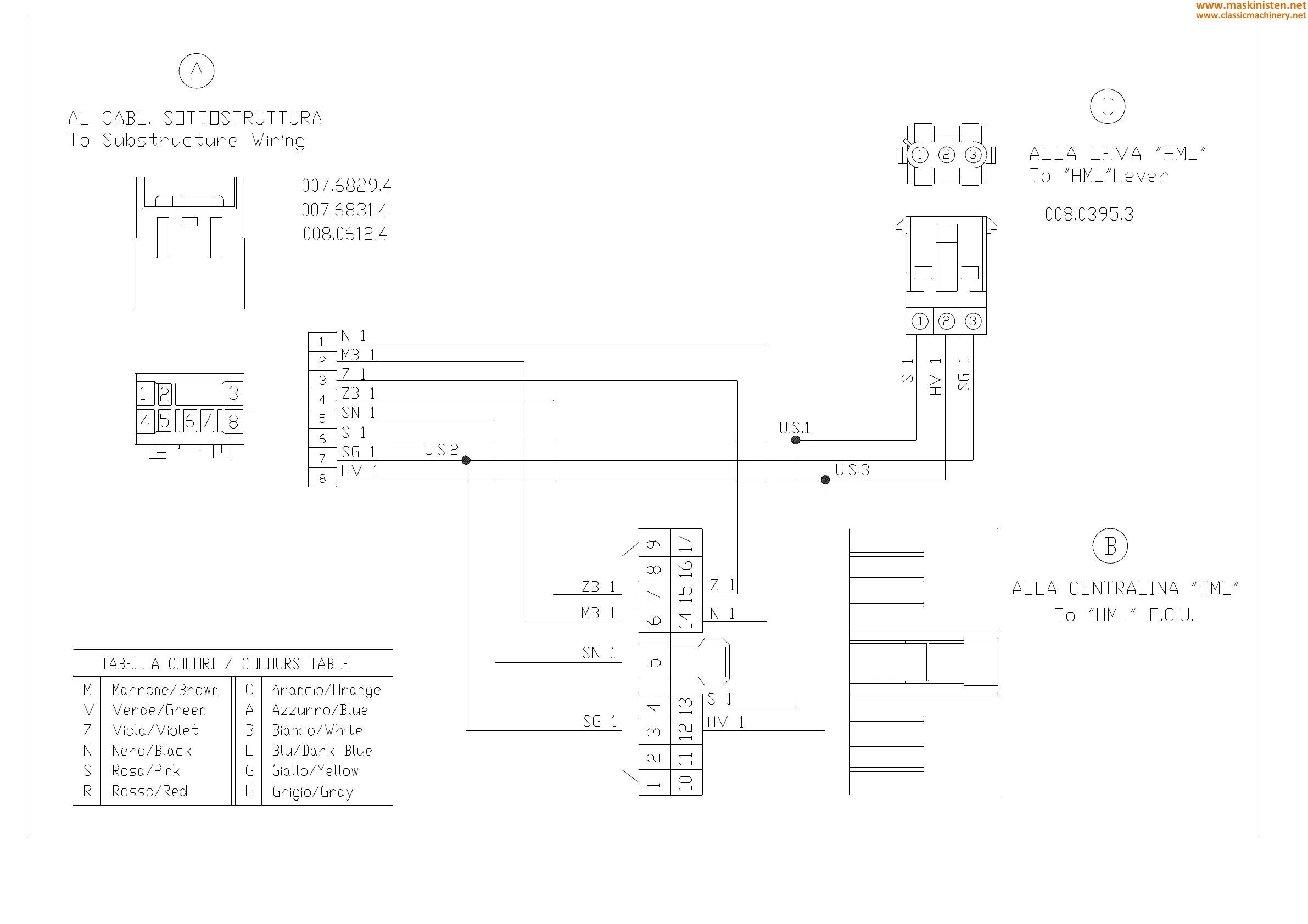
SAME SILVER 100.4 - H-M-L Shift Control Unit Wiring 007.6844.3

Default Icon
470 pages
Print Icon
To Next Page IconTo Next Page
To Next Page IconTo Next Page
To Previous Page IconTo Previous Page
To Previous Page IconTo Previous Page
Loading...
CAB WIRING SHEET 12 - H-M-L SHIFT CONTROL UNIT WIRING 007.6844.3
432
www.maskinisten.net
www.classicmachinery.net

Table of Contents

Related product manuals