EasyManua.ls Logo

SAME SILVER 100.4 - Electronic Rpm Control Wiring 009.7681.4;20

Default Icon
470 pages
Print Icon
To Next Page IconTo Next Page
To Next Page IconTo Next Page
To Previous Page IconTo Previous Page
To Previous Page IconTo Previous Page
Loading...
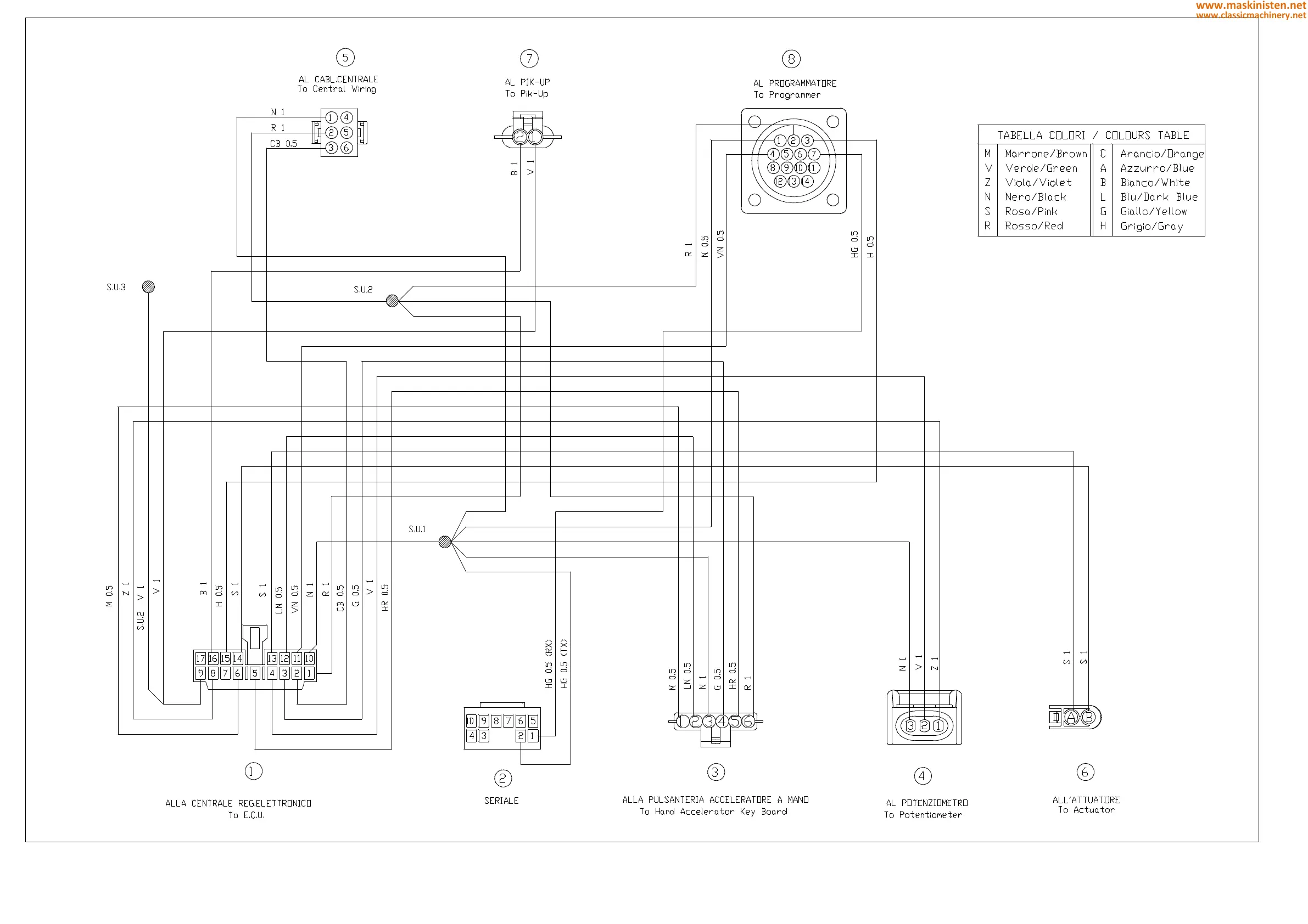
CAB WIRING SHEET 10 - ELECTRONIC RPM CONTROL WIRING 009.7681.4/20
430
www.maskinisten.net
www.classicmachinery.net

Table of Contents

Related product manuals