EasyManua.ls Logo

SAME SILVER 100.4 - Page 36

Default Icon
470 pages
Print Icon
To Next Page IconTo Next Page
To Next Page IconTo Next Page
To Previous Page IconTo Previous Page
To Previous Page IconTo Previous Page
Loading...
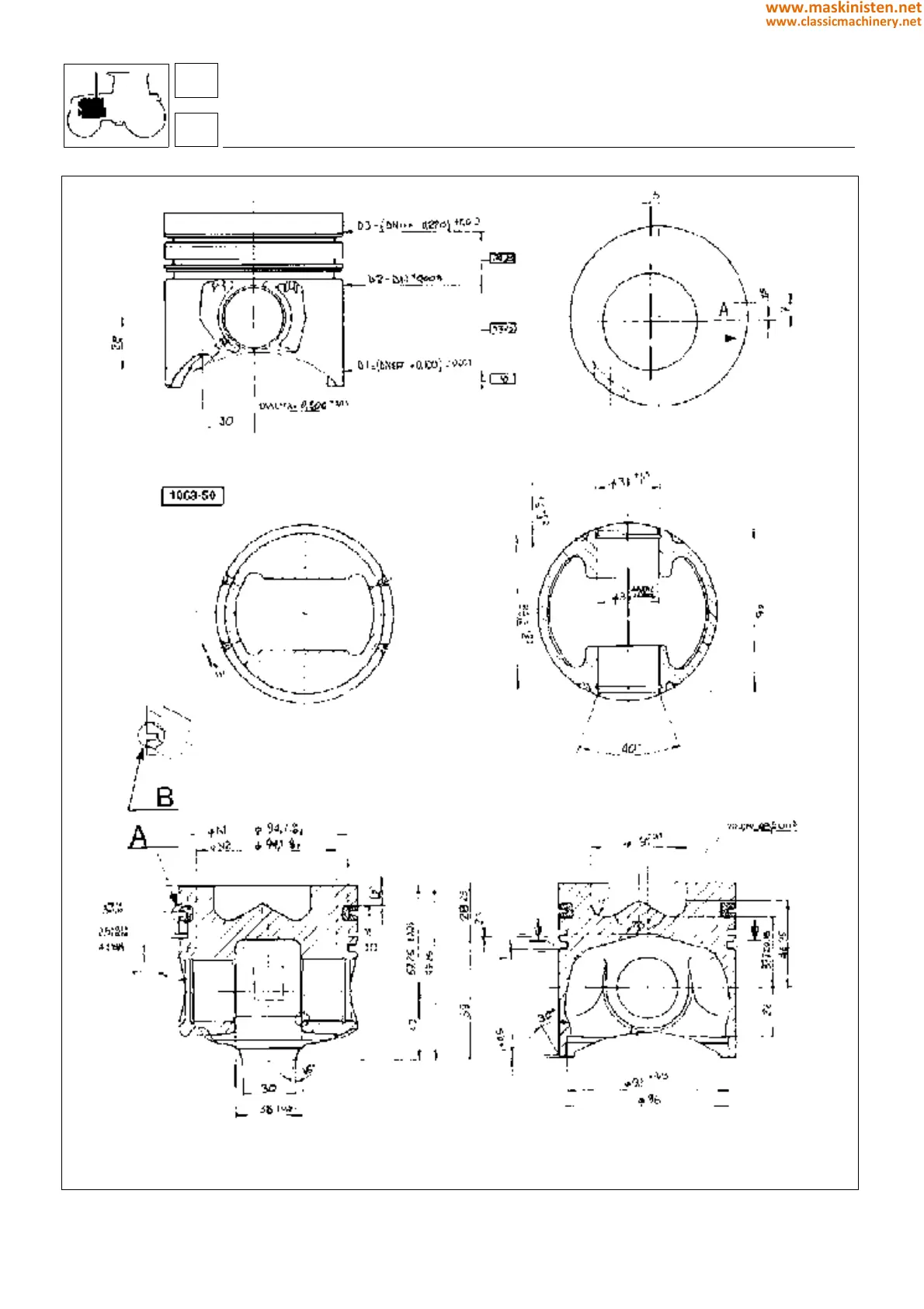
Fig. 29 - Pistons A - for turbocharged engines B - for aspirated engines.
engine
crankshaft
12
1
36
www.maskinisten.net
www.classicmachinery.net

Table of Contents

Related product manuals