EasyManua.ls Logo

SAME SILVER 100.4 - Page 362

Default Icon
470 pages
Print Icon
To Next Page IconTo Next Page
To Next Page IconTo Next Page
To Previous Page IconTo Previous Page
To Previous Page IconTo Previous Page
Loading...
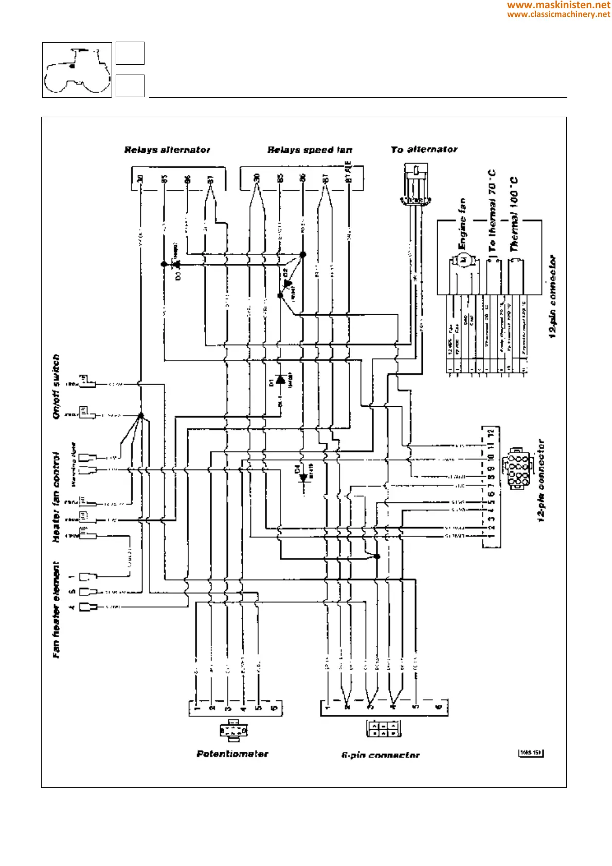
Fig. 4 - Electrical diagram - cold climate ventilation and heating system.
systems
air conditioning
BK - BLACK
BK - BLACK
BR - BROWN
DK GN - DARK GREEN
GY - GREY
OR - ORANGE
RD - RED
WH - WHITE
BL - BLUE
DK BL - DARK BLUE
GN - GREEN
LT GN - LIGHT GREEN
PK - PINK
VL - VIOLET
YL - YELLOW
86
8
362
www.maskinisten.net
www.classicmachinery.net

Table of Contents

Related product manuals