EasyManua.ls Logo

SAME SILVER 100.4 - Page 398

Default Icon
470 pages
Print Icon
To Next Page IconTo Next Page
To Next Page IconTo Next Page
To Previous Page IconTo Previous Page
To Previous Page IconTo Previous Page
Loading...
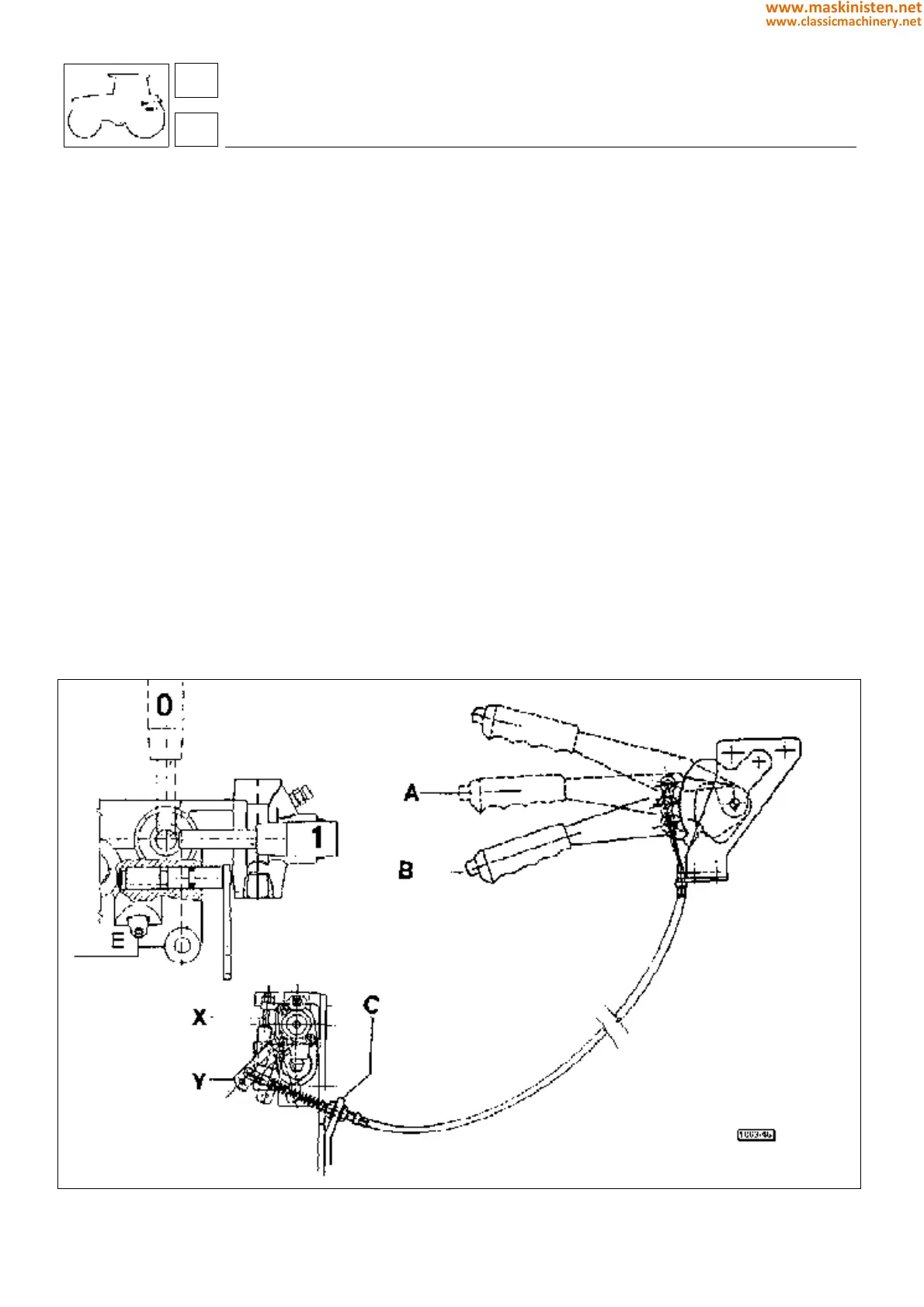
Fig. 9 - Diagram illustrating adjustment of brake control valve for trailer equipped with safety brake (ITALY version).
Installing the hydraulic braking valve for trailers equipped with "safety brake"
(ITALY version)
For correct valve and related controls installation, it is necessary to proceed as follows:
Secure the distributor to the tractor and connect the various oil tubes;
Bring the tractor parking brake lever to position A (4th notch of the toothed sector) and carry out the parking brake
adjustment so that, in this position, the tractor is braked.
Then bring the parking brake lever to position B (stop notch).
Keeping the parking brake lever in position B, hook the hose fork to lever Y, pushing it against stop screw X.
Then connect the hose to lock plate C by means of the special adjusting nuts.
Under these conditions, acting on the parking brake hand lever of the tractor synchronizes the tractor and trailer
stationary braking.
Connect the wiring of the pressure switch, that is screwed on the distributor, to the specific warning light installed
on the instrument panel of the dashboard.
Then, when engaging the parking brake, the tractor warning light and the trailer warning light will light up at the
same time.
CAUTION:
When the trailer is hitched to the tractor, the lever on the distributor must always be in position 1.
When the trailer is not hitched to the tractor or it is in the process of being hitched/unhitched, the distributor lever
must always be in position 0 in order to exclude the main hydraulic system valve.
On the hydraulic distributor is placed a sensor (E Fig, 9). This sensor active the warning light on the dashboard, when
the trailer brakes is operated.
89
8
systems
trailer braking system
398
www.maskinisten.net
www.classicmachinery.net

Table of Contents

Related product manuals