EasyManua.ls Logo

SAME SILVER 100.4 - Page 401

Default Icon
470 pages
Print Icon
To Next Page IconTo Next Page
To Next Page IconTo Next Page
To Previous Page IconTo Previous Page
To Previous Page IconTo Previous Page
Loading...
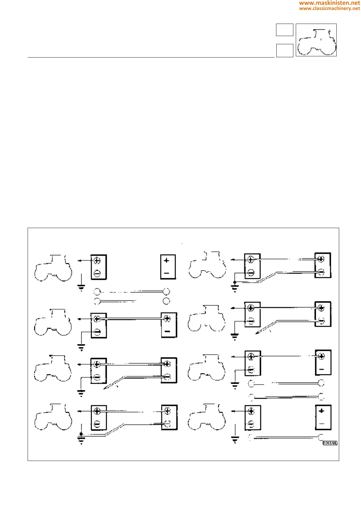
JUMP START UTILIZING ANOTHER BATTERY
NB: Emergency starting with the aid of a battery charger is not recommended.
PRECAUTIONS
The battery may be that of another tractor, but must in any event have the same rated voltage (and therefore an identical
number of cells).
1 - Make certain the two vehicles are not in contact with one another.
2 - Ensure that all auxiliary services are switched off.
3 - Make certain the flat battery is securely connected to earth, that the filler caps are properly tightened and that the
electrolyte is up to the correct level.
PROCEDURE:
A - Connect the two batteries as indicated in figure 1 (part A).
B - If the jump battery is that of another tractor, start the engine and run at approximately 1/4 of full throttle.
C - Turn the ignition key to start the engine of the stranded tractor, following the procedure given in the operator’s
handbook.
D - Remove the jump leads following the sequence as indicated in figure 1 (part B).
Fig. 1 - Diagram of battery connections and relative leads.
STEP 1
STEP 2
STEP 3
STEP 4
STEP 5
STEP 6
separate batteries
separate batteries
A - connection of leads to the 2 batteries
B - disconnection of leads from the 2 batteries
connected batteries
connected batteries
systems
electrical system
84
8
401
www.maskinisten.net
www.classicmachinery.net

Table of Contents

Related product manuals