EasyManua.ls Logo

SAME SILVER 100.4 - Page 434

Default Icon
470 pages
Print Icon
To Next Page IconTo Next Page
To Next Page IconTo Next Page
To Previous Page IconTo Previous Page
To Previous Page IconTo Previous Page
Loading...
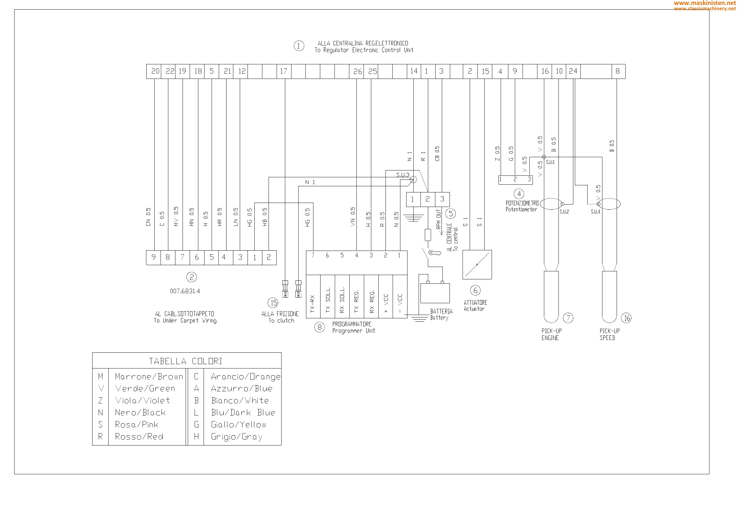
CAB WIRING SHEET 14 - ELECTRONIC RPM CONTROL WIRING (with speed limiter + multifunction control) 010.0405.4
434
www.maskinisten.net
www.classicmachinery.net

Table of Contents

Related product manuals