EasyManua.ls Logo

SAME SILVER 100.4 - Page 439

Default Icon
470 pages
Print Icon
To Next Page IconTo Next Page
To Next Page IconTo Next Page
To Previous Page IconTo Previous Page
To Previous Page IconTo Previous Page
Loading...
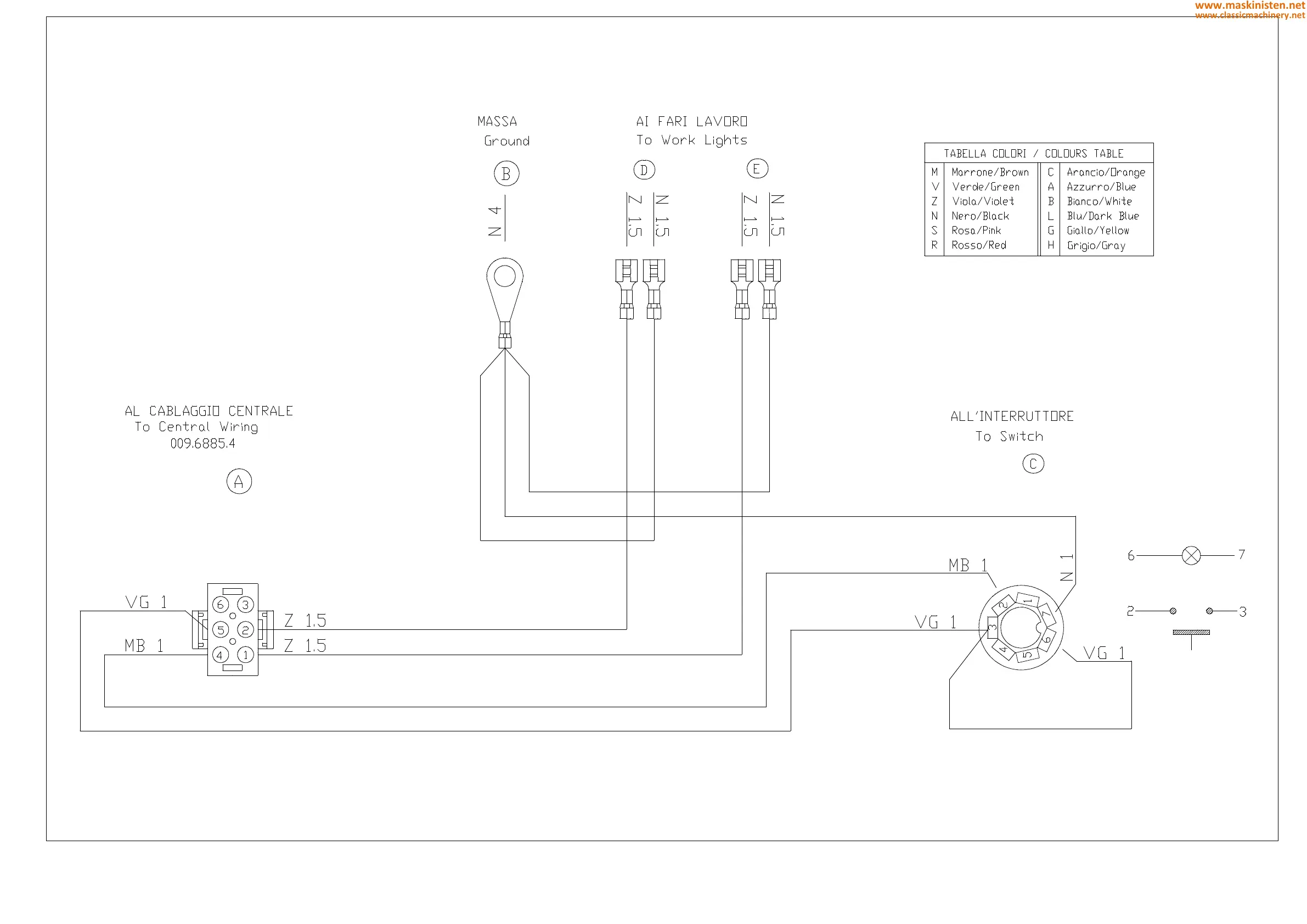
PLATFORM WIRING SHEET 19 - FRONT WORK LIGHTS 009.6887.3
439
www.maskinisten.net
www.classicmachinery.net

Table of Contents

Related product manuals