EasyManua.ls Logo

Servomex 1100A - Page 30

Default Icon
236 pages
Print Icon
To Next Page IconTo Next Page
To Next Page IconTo Next Page
To Previous Page IconTo Previous Page
To Previous Page IconTo Previous Page
Loading...
2.6
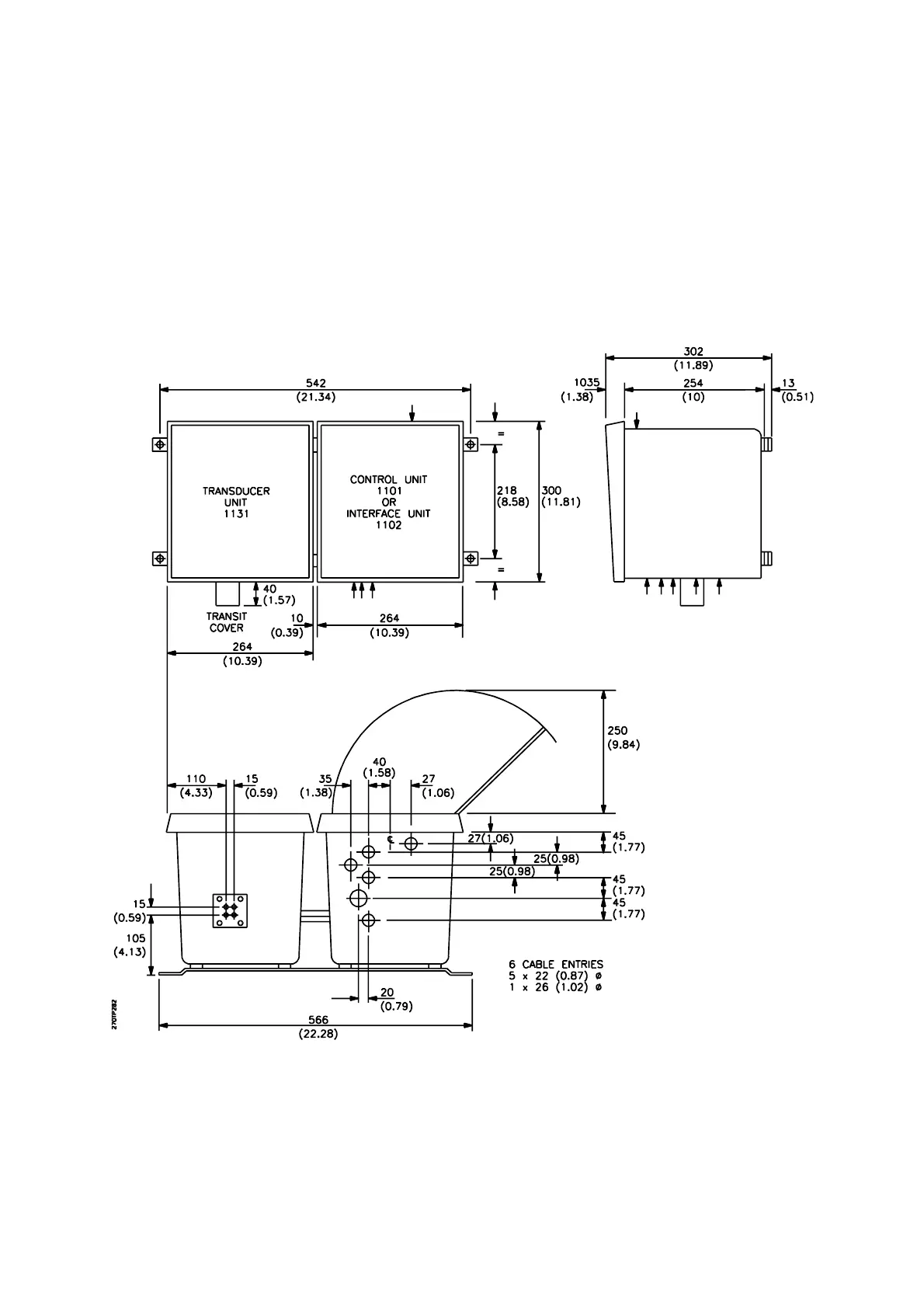
Figure 2.1 (a) Principal Dimensions Close Coupled Analyser or Transducer with Interface Unit
Architecture Codes 01, 03, 21 and 23

Table of Contents

Related product manuals