EasyManua.ls Logo

Siemens MICROMASTER 440 - Page 192

Siemens MICROMASTER 440
312 pages
To Next Page IconTo Next Page
To Next Page IconTo Next Page
To Previous Page IconTo Previous Page
To Previous Page IconTo Previous Page
Loading...
3 Functions Issue 10/06
MICROMASTER 440 Operating Instructions
192 6SE6400-5AW00-0BP0
No. Type Example
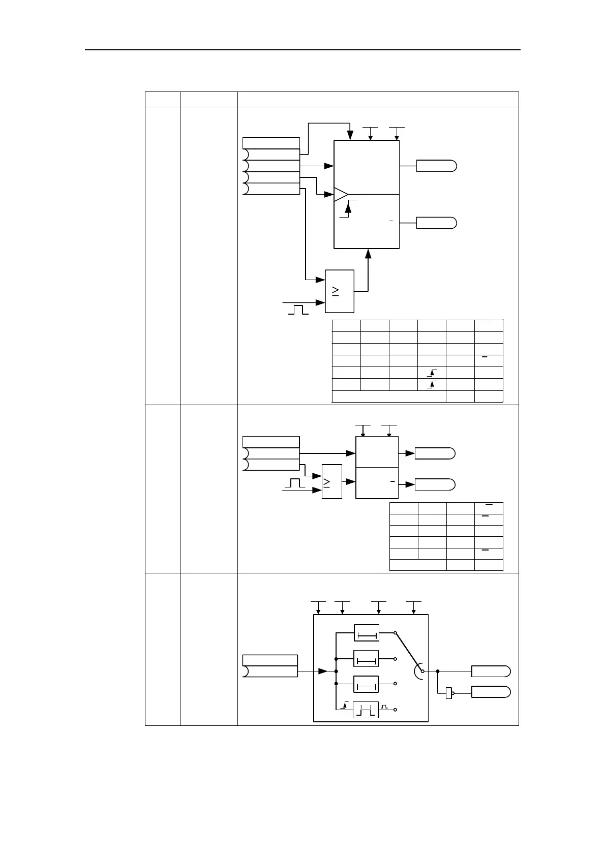
2 D-FlipFlops D-FlipFlop 1
1
P2834
SET (Q=1)
RESET (Q=0)
D
STORE
POWER ON
r2835
r2836
Q
Q
P2800
P2801[12]
Index0
Index1
Index2
Index3
SET RESET D STORE Q Q
10xx10
01xx01
11xxQ
n-1
Q
n-1
001 10
000 01
POWER-ON 0 1
3 RS-FlipFlops RS-FlipFlop 1
P2800
P2801[14]
SET
(Q=1)
RESET
(Q=0)
Q
Q
P2840
POWER ON
1
r2841
r2842
Index0
Index1
SET RESET Q Q
00Q
n-1
Q
n-1
0101
1010
11Q
n-1
Q
n-1
POWER-ON 0 1
4 Timer Timer 1
T
0
0
T
T
T
r2852
1
r2853
P2849
0
1
2
3
In
Out
NOut
P2851(0)
P2850 (0.000)
P2800
P2802.0
Delay Time Mode
ON Delay
OFF Delay
ON/OFF Delay
Pulse
Gernerator
Index0
T

Table of Contents

Other manuals for Siemens MICROMASTER 440

Related product manuals