EasyManua.ls Logo

Siemens SIMADYN D - Page 461

Siemens SIMADYN D
534 pages
To Next Page IconTo Next Page
To Next Page IconTo Next Page
To Previous Page IconTo Previous Page
To Previous Page IconTo Previous Page
Loading...
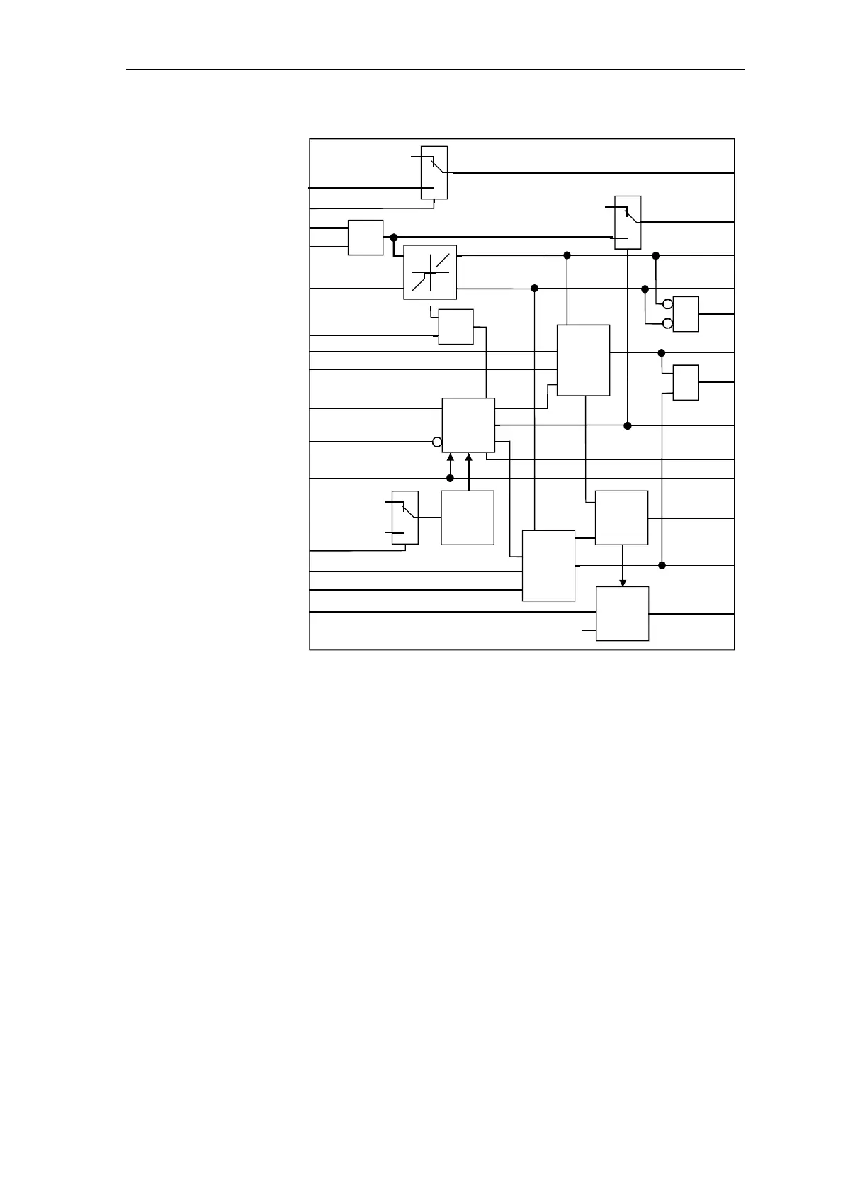
Closed-loop thyristor current control
System- and communication configuring D7-SYS - SIMADYN D 5-21
Edition 06.2002
WCL
OF1
TMO
0,0
WC1
WC2
>
+
}
0
1
Shift to
INV op.
OFF
Time running
M1
M2
XEV
IEF
ON1
ION
IOF
Pulse
inhibit
ISE
ON2
NZM
IPL
OF2
Sitor
Internal
Curr. =0
eval.
M2
ON
OFF
0
1
M1
ON
OFF
0
1
SOL1.dsf
YWC
YSV
QCE
QM0
QO1
QM1
QM2
QSE
QO2
QPS
QPL
QCC
≥1
QON
0,0
Pulse inhibit
Fault words
enable
enable
Control
//
&
Fig. 5-11 Function diagram SOL control
The inputs SOL.ION, .IOF have a higher priority than the other command
inputs.
The switch-off commands for the torque direction SOL.OF1 \ .OF2 have a
higher priority than the enable signals SOL.ON1 \ ON2 and always result
in the appropriate torque direction being switched-out (disabled).
Switching combinations which are not plausible are either not executed,
or result in the closed-loop thyristor current control being switched-out.
If the current actual value only decreases very slowly (e.g. closed-loop
field controls), then it can occur that the “current=zero” signal of the
SITOR set oscillates between binary values “0” and “1”. These
changeover operations can be suppressed by extending the pulse
cancellation time (SOL.TCP). The torque direction is only changed-over if
the "holding current" is actually fallen below. SOL.TCP = 2 [ms]
corresponds to the standard closed-loop thyristor current control
operation for armature supply.
Priorities of the
switch-on
commands
Comment

Table of Contents

Other manuals for Siemens SIMADYN D

Related product manuals