EasyManua.ls Logo

Skope ActiveCore BME-N Series - Wiring; Model: BME600;1200 N-A Series

Skope ActiveCore BME-N Series
58 pages
Print Icon
To Next Page IconTo Next Page
To Next Page IconTo Next Page
To Previous Page IconTo Previous Page
To Previous Page IconTo Previous Page
Loading...
21
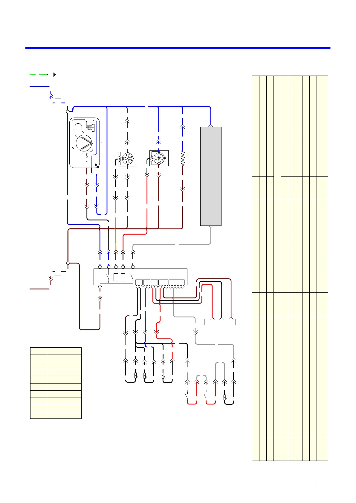
SKOPE BME-N ActiveCore
Wiring
Service Manual
5 Wiring
Model: BME600/1200N-A Series
LEGEND
Internal Unit Junction Box Sockets/Plugs S9/P9 Not Used S19/P19 Evaporator Motor Unit Socket/Plug (White 4-way)
Inlet IEC Cabinet Socket/Plug S10/P10 Not Used S20/P20 Condenser Sensor Socket/Plug (Red 2-way)
S1/P1 Not Used S11/P11 Not Used T1 Unit Terminals
S2/P2 Unit Junction Box to Controller Signal Socket/Plug (6-way) S12/P12 Not Used External Sockets/Plugs
S3/P3 Unit Junction Box to Controller Power Socket/Plug (Blue 4-way) S13/P13 Not Used S21/P21 Evaporator Motor Extension Socket/Plug (Red 4-way)
S4/P4 Heater Wire Unit Socket/Plug (Black 3-way) S14/P14 Not Used S22/P22 Ambient Sensor Socket/Plug (White 2-way)
S5/P5 Light Unit Socket/Plug (White 3-way) S15/P15 Compressor Unit Socket/Plug (Blue 4-way) S23/P23 Programming/Comms Port Socket (Blue 4-way)
S6/P6 Unit Junction Box to Controller Power Socket/Plug 1 (Red 4-way) S16/P16 Evaporator Sensor Socket/Plug (Black 2-way) S24/P24 Compressor Electrics Plug
S7/P7 Door Sensor Socket/Plug (White 2-way) S17/P17 Cabinet Sensor Socket/Plug (Blue 2-way) S25/P25 LED Driver DC Output Socket/Plug (Red 2-way)
S8/P8 Not Used S18/P18 Condenser Motor Unit Socket/Plug (Red 4-way) S26/P26
Heater Wire Extension Flex Socket/Plug (Black 3-
way)
S18-2 P18-2
S24-4 P24-4
P6-1 S6-1
P3-1 S3-1
P3-4 S3-4
P6-4 S6-4
BN
BU
BU
Compressor
RS
C
L
N
Start
Relay
Compressor
Overload
S24-3 P24-3
BN
BU
BN
S21-4 P21-4
S21-2 P21-2
Condenser Fan
BN
S18-4 P18-4
Evaporator Fan
BU
BU
BU
S2-1 P2-1
S2-2 P2-2
S2-3 P2-3
S2-5 P2-5
BK
BK
OG
BK
BK
BK
BK
BK
Cabinet
Probe
Evaporator
Probe
BN
L
BU
N
Inlet-L
Inlet-N
BN
BU
T1-2
GNYE
E
EMC Filter
BU
BN
P17-2 S17-2
S6-2 P6-2
BU
P4-1 S4-1
Pillar elements
WDTL
SCS
Controller
L N
C
R
R
SSR
S1
S2
SSR
Comp.
0V
+
1
2
3
AD5
DI1
0V
AD1
DI2
0V
AD2
DI3
0V
AD3
DI4
5V
0V
AD4
BK
BK
BN
BU
P3-2 S3-2
S19-2 P19-2
S19-4 P19-4
BN
BK
T1-1
BK
RD
BN
WH
S4-2 P4-2
BN
BN
P18-1 S18-1
BU
BU
P21-1 S21-1
P19-1 S19-1
BU
BN
WH
WH
RD
Door Switch
WH
WH
RD
Door Switch
BK
BK
Condenser
Probe
P17-1 S17-1
P16-1 S16-1
P16-2 S16-2
P20-2 S20-2
P20-1 S20-1
S23-4
S23-1
S23-3
P22-2 S22-2
BK
BK
P22-2 S22-2
BK
P7-2 S7-2
S2-4 P2-4
RD
BU
BU
WH
P7-1 S7-1
WH
BK
WH
RD
A
mbient
Probe
RD
BK
Programming
Port
BN
BN
BK
P5-1 S5-1
S5-2 P5-2
BU
Ledtech Lighting
BU
BN
BK
BK
OG
S15-1 P15-1
S15-2 P15-2
BU
BN
WIRE COLOURS
BK Black
BN Brown
RD Red
OG Orange
GN Green
BU Blue
GY Grey
WH White
GNYE Green-Yellow
Based upon IEC 757 Standard

Table of Contents

Related product manuals