EasyManua.ls Logo

Skope TME ActiveCore - Wiring; Model: TME650 Series

Skope TME ActiveCore
73 pages
Print Icon
To Next Page IconTo Next Page
To Next Page IconTo Next Page
To Previous Page IconTo Previous Page
To Previous Page IconTo Previous Page
Loading...
45
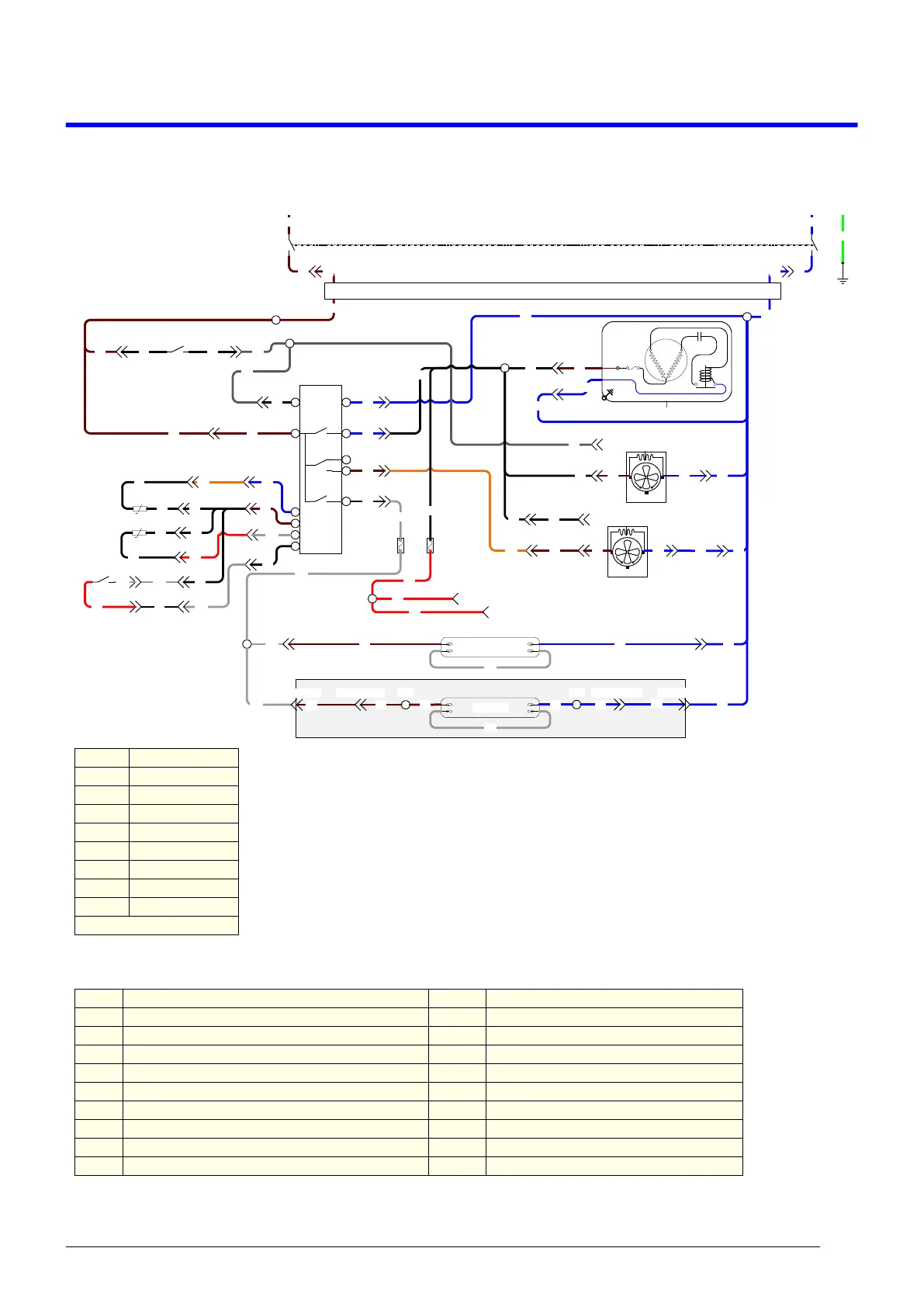
SKOPE TME/SKT ActiveCore
Wiring
Service Manual
6 Wiring
Model: TME650 Series
P9-1 S9-1
T1-5
S8-2 P8-2
P8-3 S8-3
P7-1 S7-1
S7-2 P7-2
S5-1 P5-1
P2-1 S2-1
P3-1 S3-1
P3-2 S3-2
P3-4 S3-4
6
7
4
5
2
Fan
3
1
Lights
8
9
10
11
Carel
Smart
Controller
Comp.
T1-1
BK
BN
BN
BU
BU
BN
BK
BK
OG
WH
Compressor
RS
C
L
N
Start
Relay
Compressor
Overload
T1-3
BK
S5-2 P5-2
BN
BU
BK
BN BU
S6-4 P6-4
S6-2 P6-2 P6-1 S6-1
GY
BK
Condenser Fan
BN BU
S8-1 P8-1
Evaporator FanBK
BU
BU
S7-4 P7-4
BU
BK
RD
T1-4
BN
S10-4
RD
RD
WH
WH
S9-2 P9-2
BN
WH
BU
BU
T2-1
T2-2
BN
BN
BU
BU
WH
BN
BU
Light
Sign Light
S4-1 P4-1
S4-2 P4-2
S4-3 P4-3
S4-4 P4-4
S12-1 P12-1
RD
BK
BK
OG
BK
WH
BK
BK
BK
BK
WH
BK
WH
RD
Door
Switch
S11-1 P11-1
P11-N S11-N
S12-2 P12-2
S13-1 P13-1
S13-2 P13-2
S14-1 P14-1
S14-2 P14-2
Cabinet
Probe
E
vaporator
Probe
Isolation
Switch
BN
L
BU
N
BN BU
S1-L P1-L P1-N S1-N
BN
BU
T1-2
GNYE
E
EMC Filter
BU
BN
S15-1 P15-1 P15-2 S15-2
Pressure Switch
S2-2 P2-2
S2-4 P2-4
BK
BU
T1-5
BN
GY
GY
BU
BU
BN
BU
WH
BK
S9-4
WH
BK
Fuse
Fuse
S10-2 P10-2
P10-1 S10-1
The shaded area is not included
when no sign is present
Legend
S1/P1 IEC cabinet socket/plug S10/P10 Light unit socket/plug (yellow 4-way)
S2/P2 Unit junction box to controller power socket/plug (red 4-way) S11/P11 Cabinet to sign intermediary socket/plug (ENSTO)
S3/P3 Unit junction box to controller power socket/plug (blue 4-way) S12/P12 Cabinet sensor socket/plug (blue 2-way)
S4/P4 Unit junction box to controller signal socket/plug (6-way) S13/P13 Evaporator sensor socket/plug (black 2-way)
S5/P5 Compressor unit socket/plug (blue 4-way) S14/P14 Door sensor socket/plug (white 2-way)
S6/P6 Condenser motor unit socket/plug (red 4-way) S15/P15 Pressure switch socket/plug (red 2-way)
S7/P7 Evaporator motor unit socket/plug (white 4-way) T1 Unit terminals
S8/P8 Evaporator motor changeover socket/plug (white 4-way) T2 Sign terminal block (where fitted)
S9/P9 Light unit socket/plug (yellow 4-way)
<< Plug and socket O Terminal on terminal block
Wire colours
BK Black
BN Brown
RD Red
OG Orange
GN Green
BU Blue
GY Grey
WH White
GNYE Green-Yellow
Based upon IEC 757 Standard

Table of Contents

Related product manuals