EasyManua.ls Logo

Skope TME ActiveCore - Model: TME1500 Series and SKT1500 Series

Skope TME ActiveCore
73 pages
Print Icon
To Next Page IconTo Next Page
To Next Page IconTo Next Page
To Previous Page IconTo Previous Page
To Previous Page IconTo Previous Page
Loading...
49
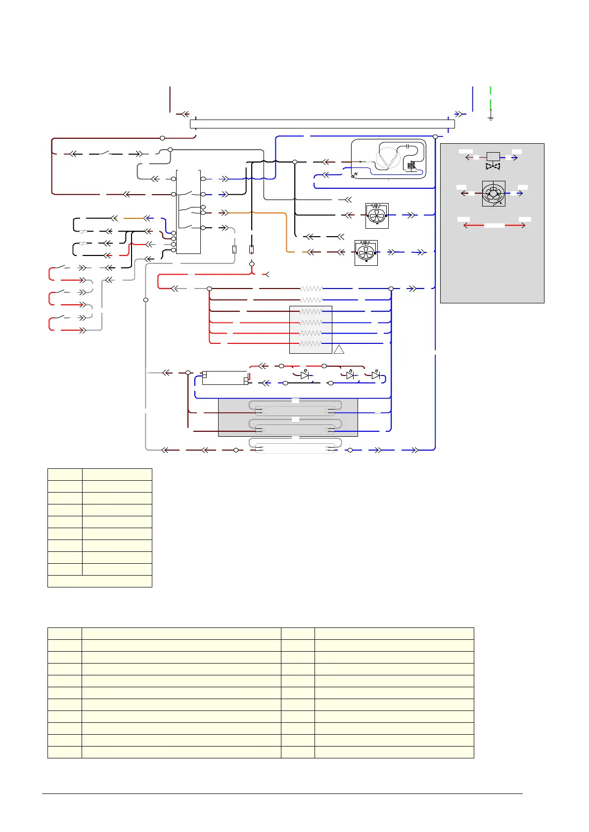
SKOPE TME/SKT ActiveCore
Wiring
Service Manual
Model: TME1500 Series and SKT1500 Series
Legend
S1/P1 IEC cabinet socket/plug S11/P11 Cabinet to sign intermediary socket/plug
S2/P2 Unit junction box to controller power socket/plug 1 (red 4-way) S12/P12 Cabinet sensor socket/plug (blue 2-way)
S3/P3 Unit junction box to controller power socket/plug (blue 4-way) S13/P13 Evaporator sensor socket/plug (black 2-way)
S4/P4 Unit junction box to controller signal socket/plug (6-way) S14/P14 Door sensor socket/plug (white 2-way)
S5/P5 Compressor unit socket/plug (blue 4-way) S15/P15 Pressure switch socket/plug (red 2-way)
S6/P6 Condenser motor unit socket/plug (red 4-way) T1 Unit terminals
S7/P7 Evaporator motor unit socket/plug (white 4-way) T2 Cabinet terminal block 1
S8/P8 Evaporator motor changeover socket/plug (white 4-way) T3 Cabinet terminal block 2
S9/P9 Light unit socket/plug (yellow 4-way) T4 Cabinet terminal block 3
S10/P10 Light unit socket/plug 2 (yellow 4-way) T5 Sign terminal block
<< Plug and socket O Terminal on terminal block
C
T1-5
S8-2 P8-2 P8-3 S8-3 P7-1 S7-1S7-2 P7-2
S5-1 P5-1
P2-1 S 2-1
P3-1 S 3-1
P3-2 S3-2
P3-4 S 3-4
6
7
4
5
2
Fan
3
1
Lights
8
9
10
11
Carel
Smart
Controller
Comp .
T1-1
BK
BN
BN
BU
BU
BN
BK
BK
OG
WH
Compressor
RS
C
L
N
Start
Relay
Compressor
Overload
T1-3
BK
S5-2 P5-2
BN
BU
BK
BN BU
S6-4 P6-4
S6-2 P6-2
P6-1 S6-1
GY
BK
Condenser Fan
BN BU
S8-1 P8-1
Evaporator Fan
BK
BU
BU
S7-4 P7-4
BU
BK
RD
T1-4
BN
S10-4
RD
RD
WH
WH
S9-2 P9-2
BN
BU
S4-1 P4-1
S4-2 P4-2
S4-3 P4-3
S4-4 P4-4
S12-1 P12-1
RD
BK
BK
OG
BK
WH
BK
BK
BK
BK
WH
WH
WH
RD
Door
Switch
S12-2 P12-2
S13-1 P13-1
S13-2 P13-2
S14-1 P14-1
S14-2 P14-2
Cabinet
Probe
E
vaporator
Probe
BN
L
BU
N
S1-L P1-L P 1 -N S 1-N
BN BU
T1-2
GNYE
E
EMC Filter
BU
BN
S15-1 P15-1
P15-2 S15-2
Pressure Switch
S2-2 P2-2
S2-4 P2-4
BK
BU
T1-5
BN
GY
GY
BU
BU
BN
BU
WH
BK
WH
BK
FuseFuse
S9-4 P9-4
T2-2
& 3
BN
BU
T2-4/
5 & 6
BU
P9-1 S9-1
BN
WH
WH
RD
Door Switch
WH
BN
BU
LED Power
Supply
N
L
+
-
T3-1
RD
T3-2
BK
BN
BU
BN
BU
BN
BU
Side lights and pillar light
or shelf lighting
Pillar elements
WH
RD
Door Switch WH
BU
T4-2
T4-1
BK
S11-L P11-L
BN
S10-2 P10-2 P10-1 S10-1
BU
P11-N S 11-N
BN BU
Sign Light
WH
T5-1
T5-2
BN
BU
RD
T2-1
S16-2 P16-2
BN
S16-1 P16-1
BU
Side Light
WH
Side Light
WH
BN
BN
BU
BU
Shaded area is only
present in cabinets with T 8
LED Side Lights. For these
ca bin ets , the sid e or sh elf
lit LED strips are removed
Door element
Perimeter element
BU
BU
Solenoid Valve
M
BUBN
BUBN
Recirculation Fan
P5-2
P6-2
P5-1
P6-1
Note:
For cabinets with
remote units replace
compre ssor with
solenoid valve and
replace condenser fan
with recirculation fan
Fo r a re m ote unit the
pressure switch will also
be removed . A link wire
will replace it
P15-1
P15-2
RD - LINK
Link Wire
Door and Perimeter
elements are only
present on the tropical
cabinets (in shaded area )
RD
BN
Door element
Door element
BU
BU
RD
RD
Wire colours
BK Black
BN Brown
RD Red
OG Orange
GN Green
BU Blue
GY Grey
WH White
GNYE Green-Yellow
Based upon IEC 757 Standard

Table of Contents

Related product manuals