EasyManua.ls Logo

SolarMax SM30HT4 - System Block Diagram

SolarMax SM30HT4
74 pages
Print Icon
To Next Page IconTo Next Page
To Next Page IconTo Next Page
To Previous Page IconTo Previous Page
To Previous Page IconTo Previous Page
Loading...
en
13
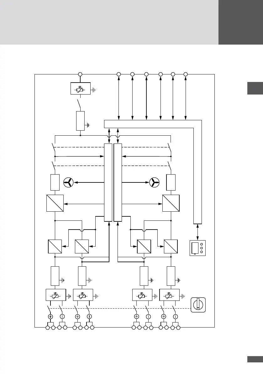
3�6 Block diagram
I
0
U
U
U
U
U
DC measurement
DC measurement
AC measurement AC measurement
Fan Fan
Inverter control Inverter control
Booster control
Booster control
Inverter
LC lter
LC lter
Booster 2
Booster 1
DC
DC
AC
Inverter
DC
AC
K2
K5
K1
DC
DC
DC
DC
DC
DC
DC
Control unit MPP tracker 1/2
Control unit MPP tracker 3/4
Graphics display
DC disconnector Q1
DC input
MPP tracker 1
DC input
MPP tracker 2
DC input
MPP tracker 3
DC input
MPP tracker 4
AC output
EMC lter
EMC lter
EMC lter
EMC lter
EMC lter
EMC lter
Status signalling contact
MPP tracker 1/2
Status signalling contact
MPP tracker 3/4
Communication module
K4
K3
Booster 4
Booster 3
External shutdown
Ethernet
RS485
RS485
Figure 3 Block diagram

Table of Contents

Related product manuals