EasyManua.ls Logo

Solartron 1260 - Page 61

Solartron 1260
295 pages
Print Icon
To Next Page IconTo Next Page
To Next Page IconTo Next Page
To Previous Page IconTo Previous Page
To Previous Page IconTo Previous Page
Loading...
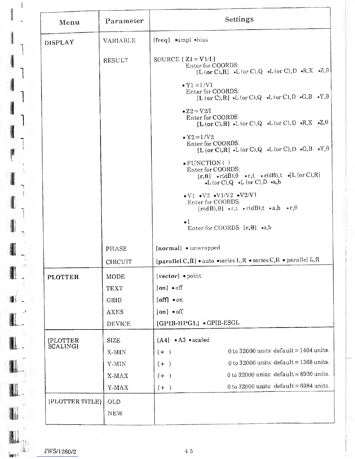
Menu
Parameter
Settings
DISPLAY
VARIABLE
RESULT
[freq]
»ampi ®bias
SOURCE
[Z1
=
V1/I]
Enter for
COORDS:
[L (or
C),R]
»L
(or C),Q
.L(orC),D
«R,X
.Z,0
Y1
=
I/V1
Enter for
COORDS:
[L (or
C),R]
.L(orC),Q
.L(orC),D
*G,B
.Y,0
Z2
=
V2/I
Enter
for
COORDS:
[L
(or C),R]
*L (or C),Q
.L(orC),D
.R,X
*Z,0
Y2
=
I /V2
Enter
for
COORDS:
[L
(or
C),R]
«L (or C),Q
«L(orC),D
*G,B
.Y,0
FUNCTION
(
)
Enter
for
COORDS:
[r,01
•r(dB),0
*r,t
*r(dB),t
.[L(orC),R]
•L
(or C),Q
•L(orC),D
*a,b
VI
®V2
®V1/V2
.V2/V1
Enter for
COORDS:
[r(dB),0]
r ,t
r<dB),t »a,b
.r,9
Enter for
COORDS:
[r,0]
*a,b
PHASE
CIRCUIT
[normal]
® unwrapped
[parallel C,R]
auto
*series
L,R
series C,R
parallel
L,R
PLOTTER
MODE
[vector]
point
TEXT
[on]
*ofT
GRID
[off] »on
AXES
[on]
*off
DEVICE
[GPIB-HPGL]
«GPIB-ESGL
[PLOTTER
SCALING]
SIZE
[A4]
*
A3
scaled
0 to
32000
units:
default
=
1404
units.
X-MIN (+ )
Y-MIN
(+
)
0
to
32000
units:
default
=
1368
units.
X-MAX
(+ )
0
to
32000
units:
default
=
8920 units.
Y-MAX
(+ )
0 to
32000
units: default
=
6984
units.
[PLOTTER
TITLE]
OLD
NEW
JWS/1
260/2

Table of Contents

Related product manuals