EasyManua.ls Logo

Sony RB1G - Slide Number 119

Sony RB1G
479 pages
Print Icon
To Next Page IconTo Next Page
To Next Page IconTo Next Page
To Previous Page IconTo Previous Page
To Previous Page IconTo Previous Page
Loading...
RB1G CHASSIS
W600A/ W603A/ W605A/ W607A/ W650A/ W651A/ W653A/
W654A/ W655A/ W656A/W657A/ W658A/ W670A/ W674A
119
Troubleshooting
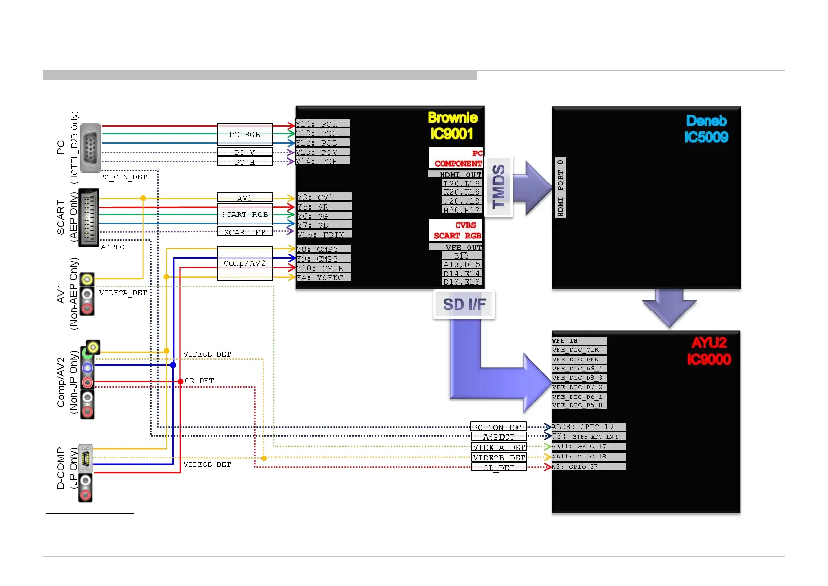
3-4. RB1 Analog Signal Path
Note:
(AYU2) IC9000
(Brownie)- IC9001

Table of Contents