EasyManua.ls Logo

Sony STR-DA2800ES - HDMI and Display Settings

Sony STR-DA2800ES
214 pages
Print Icon
To Next Page IconTo Next Page
To Next Page IconTo Next Page
To Previous Page IconTo Previous Page
To Previous Page IconTo Previous Page
Loading...
STR-DA2800ES
STR-DA2800ES
103103
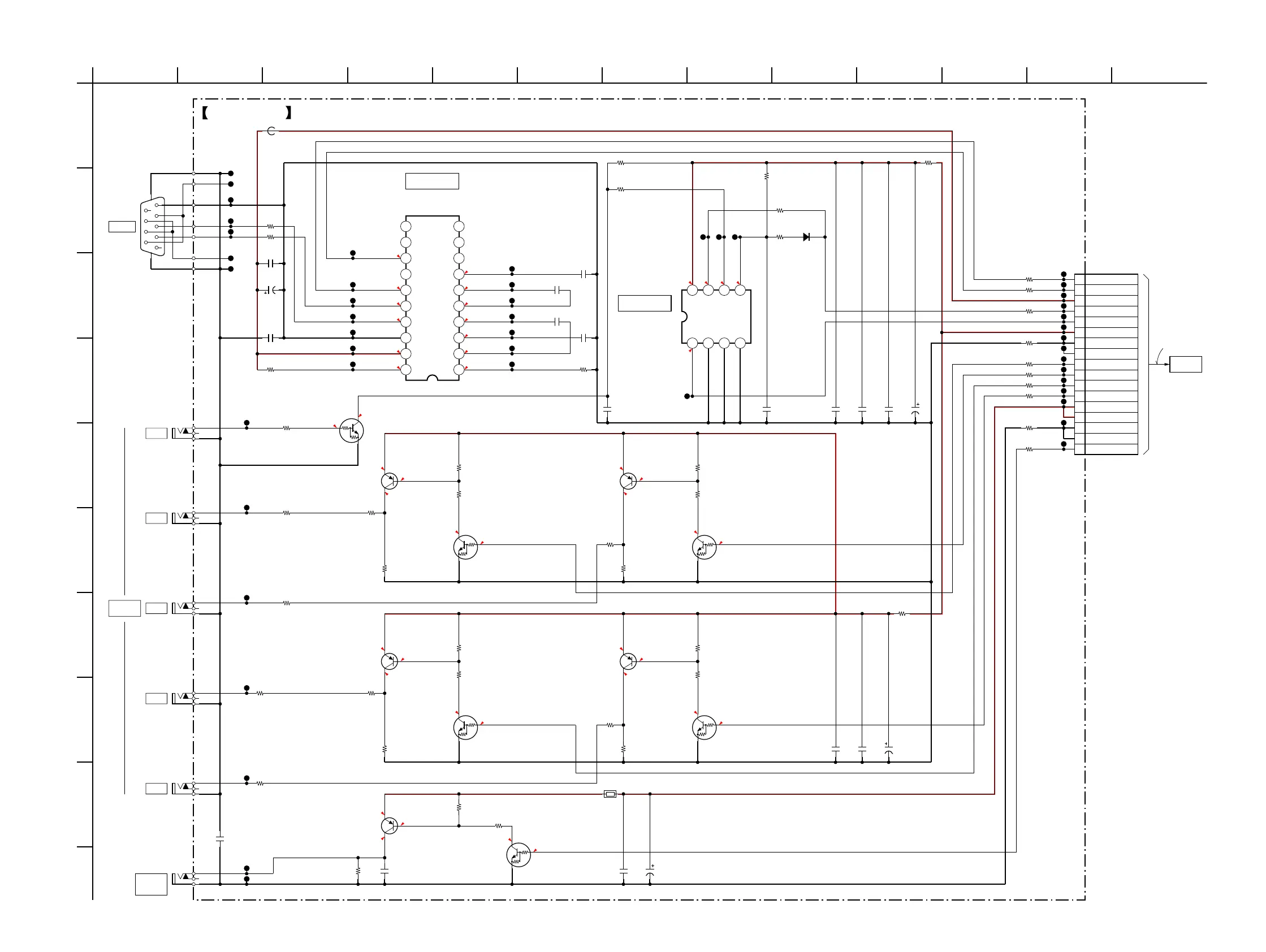
5-63. SCHEMATIC DIAGRAM - HAT Board -
• See page 115 for IC Block Diagrams.
3.3
0
-5.5
3.3
3.3
3.3
-5.5
0
0
5.5
3.3
0
-5.4
5
4.5
4.5
5
4.5
5
12.5
12.5
0
5
0
5
5
5
0
4.5
0
0 0
5
5
00
0
5
5
5 5
0
0
12.5
0
RT1N141C-TP-1
Q822
TH821
JL801
JL802
JL804
JL830
JL831
JL807
JL808
JL809
JL810
JL811
JL812
JL813
JL815
JL821
JL824
JL814
100
R807
100
R825
10k
R822
10k
R824
2.2k
R823
JL820
KTA1271Y-AT
Q821
J801
J802
J803
J821
100R808
100
R806
16V
C854
47
16V
47
C804
JL817
JL816
10
R815
10
R814
100
R805
1M
R803
0.22
C803
100k
R802
RT1N141C-TP-1
Q827
470p
C858
1000p
C851
1
C821
1000p
C806
16V
47
C850
R817 0
R818
0
100
R813
J804
J805
JL818
JL819
JL825
JL826
JL889
C868
0.1
JL894JL893
C809
100p
JL869
JL861
C865
0.1
C869
0.1
JL900
JL868
FB861
C867
0.1
JL891
R862
100
JL863
JL898
JL895
JL887
JL896
JL864
R865
10k
JL899
JL901
JL888
R861
100
JL890
20
19
18
17
16
15
14
13
12
11
10
9
8
7
6
5
4
3
2
1
MAX3222IPWR
IC861
EN#
C1+
V+
C1–
C2+
C2–
V–
DOUT2
RIN2
ROUT2
NC
DIN2
DIN1
NC
ROUT1
RIN1
DOUT1
GND
VCC
PWRDOWN#
16V
C864
47
R866
10k
C866
0.1
JL892
JL897
JL862
100R846
100
R847
JL803
JL805
JL829
10
R819
10
R820
2.2k
R826
10k
R831
47
R811
RT1N141C-TP-1
Q826
2.2k
R840
RT1N141C-TP-1
Q835
47
R838
10k
R839
2.2k
R829
RT1N141C-TP-1
Q830
47
R812
10k
R837
RT1N141C-TP-1
Q838
10k
R850
47
R849
2.2k
R851
100R867
100R868
100R869
100R870
DA2J10100L
D803
1
2
3
4
5
6
7
8
9
10
11
12
13
14
15
16
17
17P
CN807
RX232C
TX232C
CTRL 3.3V
SIRCS OUT
SIRCS In
STB 5V
STB GND
IR OUT
IR OUT1 EN
IR OUT2 EN
IR OUT3 EN
IR OUT4 EN
TRIG +12V
TRIG +12V
TRIG-GND
TRIG-GND
TRIG-1
FB801
0
FB802
0
2.2k
R871
2.2k
R872
2.2k
R873
2.2k
R874
9P
J861
TC7W53FK(TE85R)
IC802
1
COM
2
INH
3
VEE
4
GND
5
A
6
CH1
7
CH0
8
VCC
0.1
C805
C853
0.1
0.1
C802
0.1
C852
C857
1000p
2SA1037AK-T146-QR
Q829
2SA1037AK-T146-QR
Q837
2SA1037AK-T146-QR
Q834
2SA1037AK-T146-QR
Q825
IC861
RS-232C DRIVER/RECEIVER
IC802
SIRCS SELECT
HAT BOARD
OUT 1
OUT 2
OUT 3
OUT 4
IN
REMOTE
IR
RS232C
OUT
TRIGGER
BOARD
(2/2)
>25S
CONTROL
CN2941
BUFFER
BUFFER
BUFFER
BUFFER
BUFFER
BUFFER
BUFFERBUFFER
BUFFER
BUFFER
BUFFER
MAIN
5
1
9
6
FFC1
F
G
24 8
A
12
C
E
10 11
H
B
5
I
6
J
3 131
D
97
(Page 73)

Table of Contents

Other manuals for Sony STR-DA2800ES

Related product manuals