EasyManua.ls Logo

Sony STR-DA2800ES - Schematic Diagram - STBY Board

Sony STR-DA2800ES
214 pages
Print Icon
To Next Page IconTo Next Page
To Next Page IconTo Next Page
To Previous Page IconTo Previous Page
To Previous Page IconTo Previous Page
Loading...
STR-DA2800ES
STR-DA2800ES
113113
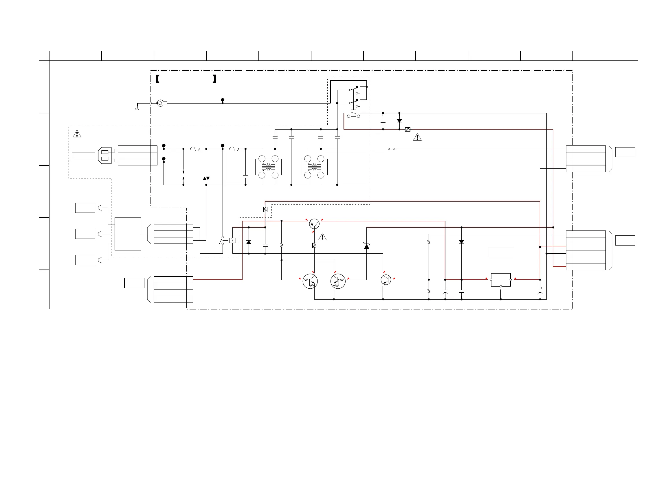
5-74. SCHEMATIC DIAGRAM - STBY Board -
18.4
0
0
6.4 0.7
0
18.4
18.9 11.8
11.8 5
10k
R55
10k
R59
4.7
R60
E
EE51
RY01
2SB734-T-34
Q54
F001
2SC3052EF-T1-LEF
Q52
RT1N241C-TP-1
Q53
RT1N241C-TP-1
Q55
VCC
GND
OUT
BA05T
IC51
12
3
1k
R54
3.3k
R58
0.1
C58
DA2J10100L
D58
DZ2J062M0L
D61
1SR154-400TE-25
D51
TP901
CL010
TP909
12
34
LF903
TP902
JS984
1
4
4P
CN902
N
L
3
NC
2
NC
1
3
4
4P
CN903
ACDC 13V/20V
ACDC GND
+
RY901
DA2J10100L
D001
4.7
R904
250V
C967
470p
250V
C968
470p
1
3
4
5
6
6P
CNP54
+12V (REG)
GND
2
NC
STB+5V
NC (STOP)
POWER RY
0.1
C50
0.1
C966
VDR901
1
3
CNP51
3P
LIVE
2NC
NUTRAL
C52
50V
4.7
C57
50V
4.7
F901
1
2
3
3P
CN02
L
NC
N
C958
0.47
12
34
LF902
250V
220p
C964
250V
220p
C963
(CHASSIS)
IC51
+5V REGULATOR
STBY BOARD
BOARD
CN901
>43S
ACDC
CN304
BOARD
(1/3)
>12S
MAIN
BOARD
CN905
>44S
ACDC
NC
2NC
MAIN POWER
T901
TRANSFORMER
(3/3)
CN310
BOARD
>15S
MAIN
(3/3)
CN309
BOARD
>14S
MAIN
CN1401
>41S
DCDC
BOARD
LINE
FILTER
LINE
FILTER
250V
250V 250V
T5AL T1.6AL
RELAY DRIVE
Q53 - 55
REGULATOR
-2
-1
PATTERN
CAM901
SPARK-GAP
~AC IN
AC1
24 8
A
C
E
10 11
B
5631
D
97
(Page 110)
(Page 67)
(Page 67)
(Page 112)
(Page 65)
(Page 112)

Table of Contents

Other manuals for Sony STR-DA2800ES

Related product manuals