EasyManua.ls Logo

Sony STR-DA2800ES - Schematic Diagram - NETWORK Board (11;11)

Sony STR-DA2800ES
214 pages
Print Icon
To Next Page IconTo Next Page
To Next Page IconTo Next Page
To Previous Page IconTo Previous Page
To Previous Page IconTo Previous Page
Loading...
STR-DA2800ES
STR-DA2800ES
9999
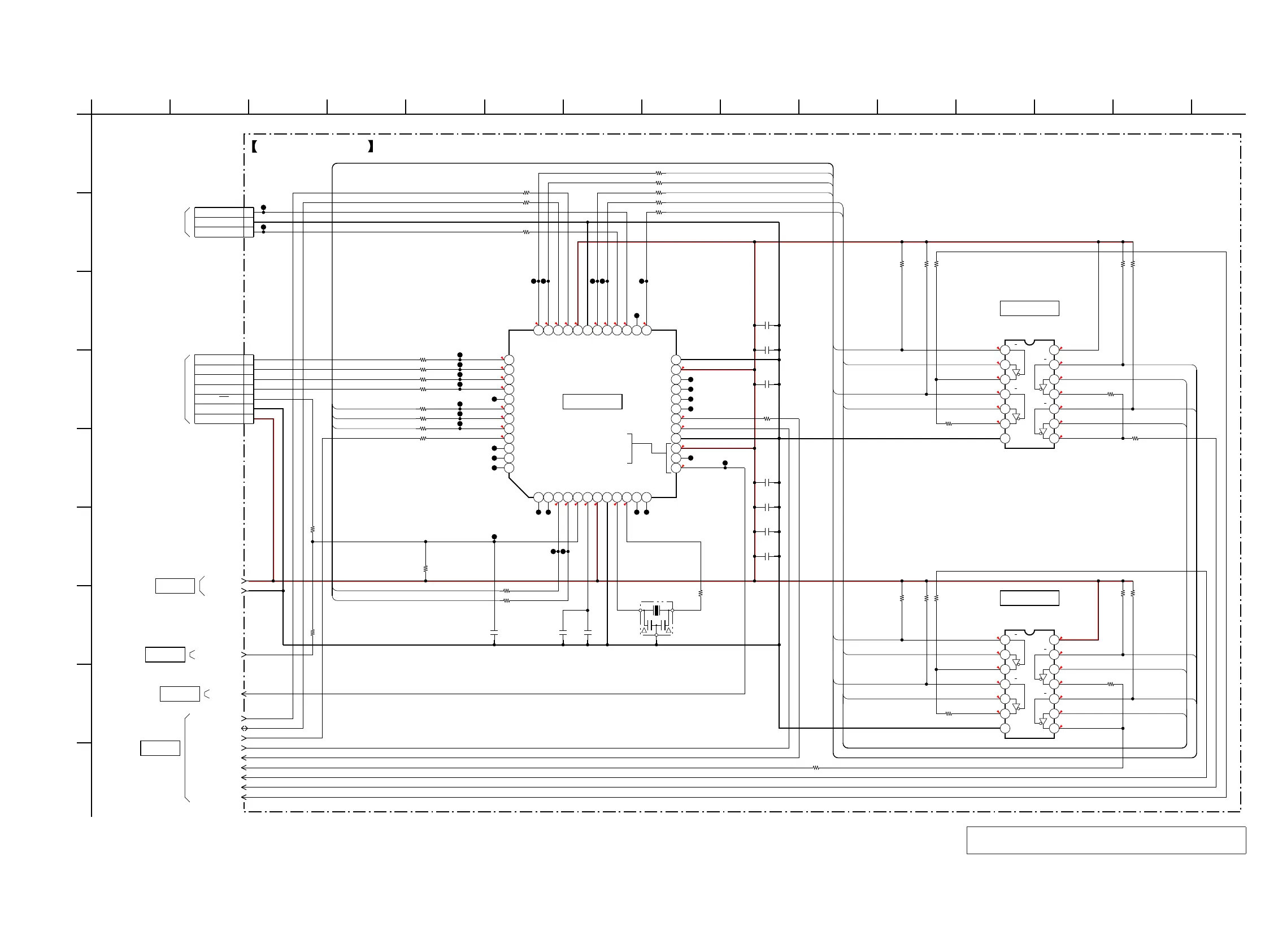
5-59. SCHEMATIC DIAGRAM - NETWORK Board (11/11) -
• See page 135 for IC Pin Function Description.
3.3
0
0
0
3.3
3.3
3.3
3.3
3.3
3.3
3.3
3.3
2.5
1.5
1.3
3.3
3.3
3.3
3.3
3.3
3.3
3.3
3.3
3.3
3.3
3.3
0
3.3
3.3
0
3.3
0
0
3.3
0
0
3.3
0
0
3.3
0
0
3.3
3.3
0
0
3.3
0
0
3.3
3.3
0
0
3.3
0
0
0.1
C2608
10
C2607
0.1
C2601
0.1
C2606
OTHER_3.3V
GND
100R2602
100R2601
100R2604
100R2611
0.1
C2605
100R2603
SDA
SCL
0
R2609
0R2610
JL2614
HOST_INT
IR_OUT3
IR_OUT4
IR_OUT2
IR_OUT1
JL2607
JL2608
JL2605
JL2609
JL2602
JL2603
JL2601
JL2604
JL2610
JL2615
JL2611
JL2613
JL2612
JL2616
JL2623
JL2621
JL2622
0
R2606
1
C2602
JL2624
JL2625
JL2626
JL2627
JL2629
UART_232C-SW/NET
UART_NET/232C-SW
22
R2616
0R2607
IR_IN
0R2614
0.1
C2609
47k
R2605
JL2631
JL2632
6MHz
X2601
1
2
3
4
5
6
7
7P
CN2601
VCC
GND
RST/NMI
TCK
TMS
TDI
TDO
JL2633
LM3S615-IQN50-C2T
IC2601
1
ADC0
2
ADC1
3
PE3/CCP1
4
PE2/CCP4
5
RSTn
6
LDO
7
VDD4
8
GND1
9
OSC0
10
OSC1
11
PC7/C2–
12
PC6/C2+/CCP3
13
PC5/C1+/C1o 14
PC4/CCP5 15
VDD3 16GND2
17PA0/U0Rx
18PA1/U0 Tx
19PA2/SSIClk
20PA3/SSIFss
21PA4/SSIRx
22PA5/SSITx
23VDD2
24GND3
25
PD0/PWM0
26
PD1/PWM1
27
PD2/U1Rx
28
PD3/U1Tx
29
PB0/PWM2
30
PB1/PWM3
31
GND4
32
VDD1
33
PB2/I2CSCL
34
PB3/I2CSDA
35
PE0/PWM4
36
PE1/PWM5
37
PC3/
TDO/SWO
38 PC2/TDI
39 PC1/TMS/SWDIO
40 PC0/TCK/SWCLK
41 PB7/TRSTn
42 PB6/C0+
43 PB5/C1–
44 PB4/C0–
45 PD4/CCP0
46 PD5/CCP2
47 PD6/Fault
48 PD7/C0o
LM3S615_RESET
R2617 0
JL2634
JL2635
JL2636
JL2637
100
R1202
100
R1204
0.1
C2610
TC74VHC125FK(EL,K)
IC2602
0.1
C2611
0.1
C2612
TC74VHC125FK(EL,K)
IC2603
1
2
3
4
5
6
7
8
9
10
11
12
13
14
100
R2619
100
R2620
0R1203
0R1205
0R2621
0R2622
0R2623
0R2624
0R2625
0R2626
0R2627
JL2638
10k
R2628
10k
R2629
10k
R2630
10k
R2631
10k
R2632
10k
R2633
10k
R2634
10k
R2635
1
2
3
3P
CN2602
TXD
GND
RXD
22
R2637
1k
R2638
1k
R2639
1k
R2640
1k
R2641
IR_ENG[0]
IR_ENG[1]
IR_ENG[1]
IR_ENG[1]
IR_ENG[0]
IR_ENG[0]
IR_ENG[0]
IR1_EN_ENG[0]
IR1_EN_ENG[1]
IR2_EN_ENG[0] IR_ENG[1]
IR1_EN_ENG[0]
IR1_EN_ENG[1]
IR3_EN_ENG[0]
IR3_EN_ENG[1]
IR2_EN_ENG[0]
JL2630
IR4_EN_ENG[1]
IR4_EN_ENG[0]
IR_ENG[0]
IR_ENG[1]
IR2_EN_ENG[1]
IR3_EN_ENG[0]
IR3_EN_ENG[1]
IR4_EN_ENG[0]
IR4_EN_ENG[1]
IR2_EN_ENG[1]
3A
4G
1A
GND
1Y
Vcc
4Y
3Y
2G
3G
1G
4A
2A
2Y
1
2
3
4
5
6
7
8
9
10
11
12
13
14
3A
4G
1A
GND
1Y
Vcc
4Y
3Y
2G
3G
1G
4A
2A
2Y
IC2601
IR CONTROLLER
IC2603
SWITCHING
NETWORK BOARD (11/11)
NETWORK
BOARD
>153S
(4/11)
(9/11)
NETWORK
>152S
BOARD
BOARD
(8/11)
NETWORK
>154S
(3/11)
NETWORK
BOARD
>151S
SWITCHING
IC2602
(NC)
(NC)
I
6
H
151
C
12 135
F
82
B
D
G
1110
E
9
A
437 14
(Page 91)
(Page 96)
(Page 97)
(Page 92)
Note: IC2601 on the NETWORK board cannot exchange with single.
When this part is damaged, exchange the complete mounted board.

Table of Contents

Other manuals for Sony STR-DA2800ES

Related product manuals