EasyManua.ls Logo

Sony STR-DA2800ES - Speaker Level, Distance, and Size Adjustment; Speaker Level Adjustment

Sony STR-DA2800ES
214 pages
Print Icon
To Next Page IconTo Next Page
To Next Page IconTo Next Page
To Previous Page IconTo Previous Page
To Previous Page IconTo Previous Page
Loading...
STR-DA2800ES
STR-DA2800ES
9595
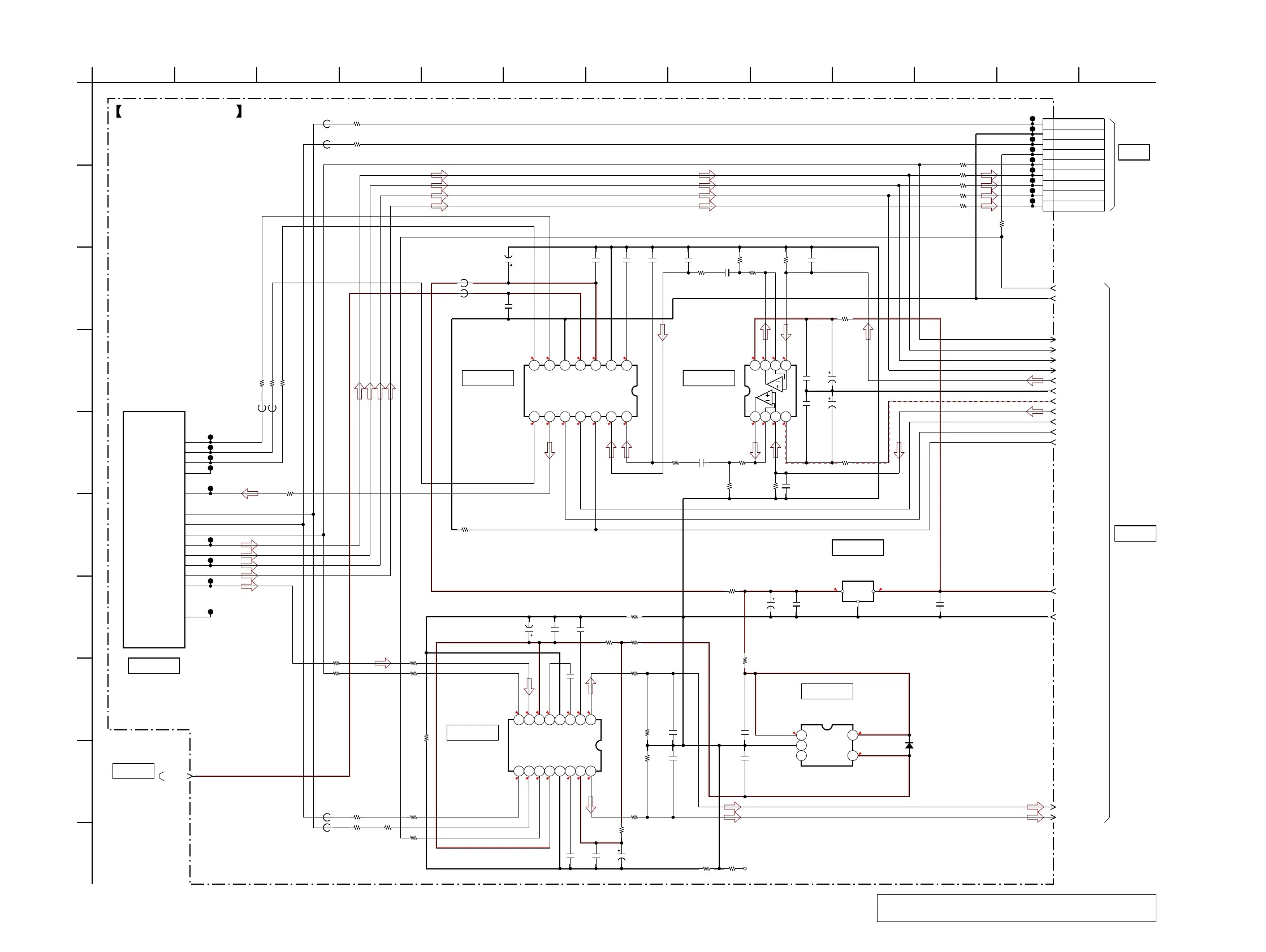
5-55. SCHEMATIC DIAGRAM - NETWORK Board (7/11) -
• See page 115 for IC Block Diagrams. • See page 135 for IC Pin Function Description.
Note: IC101 on the NETWORK board cannot exchange with single.
When this part is damaged, exchange the complete mounted board.
5
5
15
5
3.3
1.6
1.6
3.3
3.3
2.5
2.5
3.3
1.6
1.2
2.5
0
0
0
3.3
1.6 1.6
1.2
0
0
3.3
2.5
2.5
3.3
5
2.5
1.6
15
0
0
0
0
0
0
-15
47k
R934
1
R930
R915
0
161514131211109
87654321
IC901
WM8524CGEDT/R
R913
0
1
C918
R917
0
R914
0
R919
0
0
R916
47k
R933
C915
0.1
2200p
C920
2200p
C921
C914
2.2
0.1
C911
R931
470
R932
470
L_DA_OUT
R_DA_OUT
+15V
R949
0
R950
0
IO
G
TK73350WTL-G
IC907
1
2
3
NJM2878F3-33 (TE2)
IC908
1
2
34
5
0.1
C950
0
R951
R928
0
10V
47
C946
0
R955
0
R956
A_GND
0.1
C945
0
R959
10V
C908
47
10V
C919
47
10
C947
SA10QA04
D921
1
C949
JL3610
GND
JL3615
JL3612
JL3601
100R3617
R3610
100
JL3613
XAMUTE
JL3602
1
2
3
4
5
6
7
8
9
9P
CN3602
NET_MCK
NET_GND
NET_BCK
NET_ERROR
NET_LRCK
NET_DATA0
NET_DATA1
NET_DATA2
NET_DATA3
JL3608
STRAP_AOSDATA2
R3612
100
FB3605
JL3603
JL3616
47
R3623
FB3606
JL3607
STRAP_AOSDATA0
100
R3622
JL3614
JL3617
JL3611
JL3609
STRAP_AOSDATA1
100
R3609
CXD9998G-CB
IC101
MCK
F11
BCK
G11
LRCK
F12
NC
F13
DATA
E12
AOMCLK
C12
AOBCK
A12
AOLRCK
B12
AOSDATA0
C11
AOSDATA1
D11
AOSDATA2
D12
AOSDATA3
E10
AOSDATA4
F10
NC
E13
FB3607
JL3606
JL3605
R3608
100
R3618 100
R3615 100
100R3613
JL3604
JL3618
STRAP_AOLRCK
100R3611
1
C912
FB3604
150
R3607
BCLK
AVDD
CPCA
XMUTE
LINEVDD
AIFMODE
CPCB
DACDAT
LRCK
VMID
AOUTR
LINEGND
AGND
AOUTL
MCLK
CPVOUTN
CONTROL
GND
NC VOUT
VIN
IC101 (10/14)
(7/11)NETWORK BOARD
IC901
D/A CONVERTER
IC908
+3.3V REGULATOR
IC907
+5V REGULATOR
CSP
AUDIO/VIDEO
SIGNAL DECODER
(Chip Size Package)
82
A
D
5
B
7
C
6113
F
9
E
H
G
J
I
10
131214
>144S
BOARD
(8/11)
NETWORK
>02S
CN2211
BOARD
(1/2)
D-AUDIO
1413121110
98
7654321
PCM1807PWR
IC902
VREF
AGND
VCC(5V)
VDD(3.3V)
DGND
SCKI
LRCKBCK
DOUT
MD
MC
MS
VIN L
VIN R
C935
0.1
R947
100
FB902
C936
0.1
C932
2200p
C933
2200p
FB901
C934
0.1
10V
C937
47
R948
100
R943
10k
R944
47k
C928
100p
R946
10k
50V
C925
10
50V
C924
10
8765
4321
NJM4565M(TE2)
IC903
VSS
VDD
C926
0.1
C927
0.1
R942
15k
C931
100p
R945
15k
R941
47k
AD_CS1
AD_COM2_CLK
AD_COM2_DATA
L_AD_IN
R_AD_IN
-15V
10k
R924
D+3.3V
A15V-CT_GND
C929
1
C930
1
10
R957
10
R958
R3602 100
FB3609
R3604 100
R3601
100
FB3608
IC903
LINE AMP
IC902
A/D CONVERTER
BOARD
NETWORK
>150S
(3/11)
100
R3605
(Page 91)
(Page 60)
(Page 96)

Table of Contents

Other manuals for Sony STR-DA2800ES

Related product manuals