EasyManua.ls Logo

Sony STR-DA2800ES - Schematic Diagram - ACDC Board

Sony STR-DA2800ES
214 pages
Print Icon
To Next Page IconTo Next Page
To Next Page IconTo Next Page
To Previous Page IconTo Previous Page
To Previous Page IconTo Previous Page
Loading...
STR-DA2800ES
STR-DA2800ES
112112
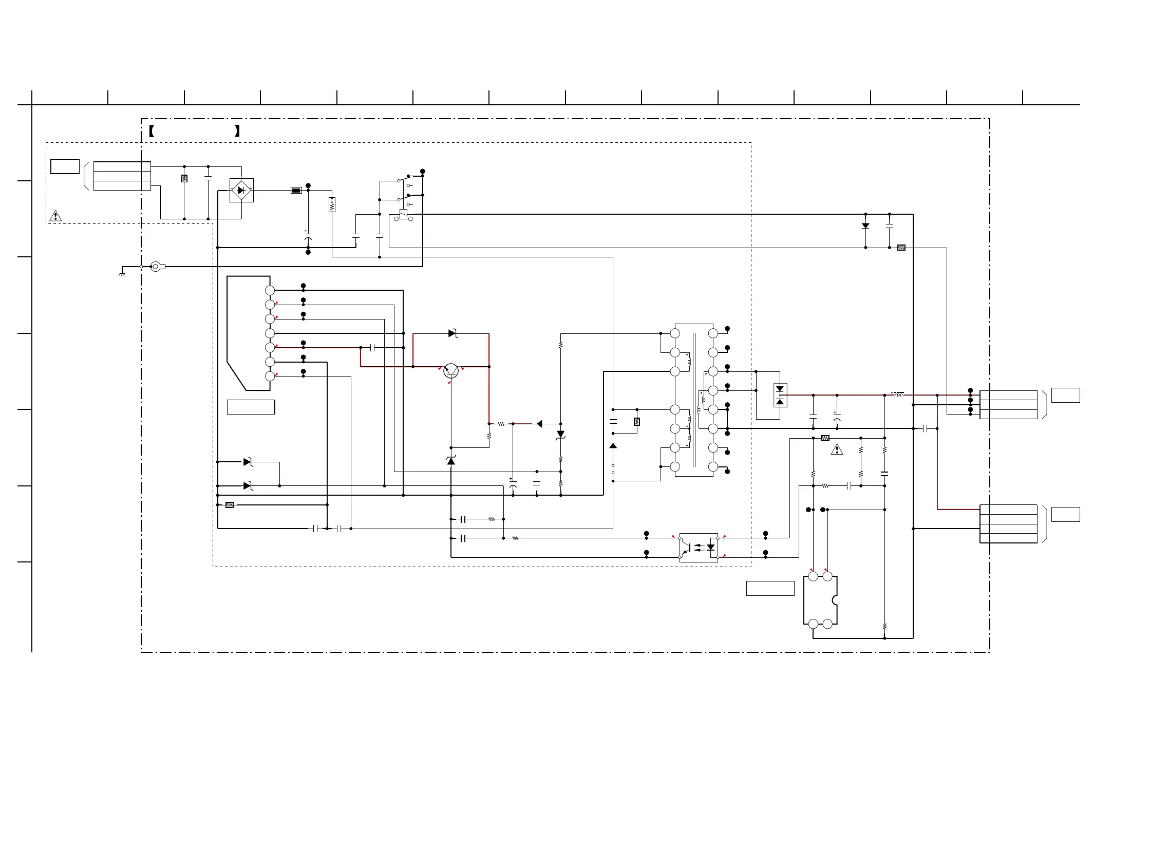
5-73. SCHEMATIC DIAGRAM - ACDC Board -
• See page 115 for IC Block Diagrams.
0
0
11.1
142 11.1 10.6
10.6
02.9
1.8
1.8
2.4
D1NL20U-TR2
D902
PC902
PS2561AL1-1-V-W
1
23
4
4.7k
R917
4.7
R992
10k
R999
DZ951
UDZSUSTE-1730B
TP921
TP922
TP923
TP924
TP925
TP926
TP927
TP928
0.01
C984
10k
R959
EG01C LF-F7
D946
1/2W
FR929
1
C916
1
0.047
C983
43
12
MM1431CURE
IC923
NCA
K Vref
100V
22
C926
CL017
CL018
1k
R955
1234567
STR-Y6763
IC921
D
S/GND
Vcc/OVP
GND
FB/OLP
BD
NC
TP933
TP934
CL046CL049
CL047CL048
CL026
CL027
CL028
CL029
CL030
CL031
4.7
C922
4700p
C998
CL034
CL035
DZ954
UDZSUSTE-1730B
450V
C905
100
TH902
22k
R923
10k
R954
10k
R998
33k
R963
E
EB904
FMX-22SL
D947
JS985
DZ2J220M0L
DZ902
DZ2J180M0L
DZ901
35V
2200
C927
0.1
C993
C987
0.1
220
R918
C925
0.1
1kV
470p
C921
T903
2
7
9
12
10
11
5
13
14
1
8
15
16
3
6
2
3
3P
CN901
NC
1
N
L
1
3
4
4P
CN905
ACDC 13V/20V
2NC
ACDC GND
NC
10uH
L954
2W
1.8k
R956
220p
C923
2.2k
R926
3W
R916
100k
D2SB60A-F04
D901
1
2
34
DZ2J082M0L
DZ903
400V
3300p
C924
0.1
C965
+
RY902
CL011
4.7
R906
DA2J10100L
D900
250V
100p
C961
250V
100p
C962
1
2
3
3P
CN904
ACDC 13V
ACDC GND
DCDC 12V
CL032
15k
R951
2W
R922
0.39
R1000
100
DSC7003R0L
Q922
310V
C902
0.33
R925
1/2W
1M
POWER CONTROL
IC921
TRANSFORMER
SUB POWER
ISOLATOR
IC923
SHUNT REGULATOR
ACDC BOARD
BOARD
CN902
>43S
STBY
BOARD
CN1403
>42S
DCDC
BOARD
CN903
>44S
STBY
(CHASSIS)
REGULATOR
-2
-1
61
C
12 135
F
82
B
D
G
1110
E
9
A
437 14
(Page 113)
(Page 110)
(Page 113)

Table of Contents

Other manuals for Sony STR-DA2800ES

Related product manuals