EasyManua.ls Logo

Sony STR-DA2800ES - Block Diagram - DIGITAL AUDIO;ANALOG VIDEO Section

Sony STR-DA2800ES
214 pages
Print Icon
To Next Page IconTo Next Page
To Next Page IconTo Next Page
To Previous Page IconTo Previous Page
To Previous Page IconTo Previous Page
Loading...
STR-DA2800ES
STR-DA2800ES
4646
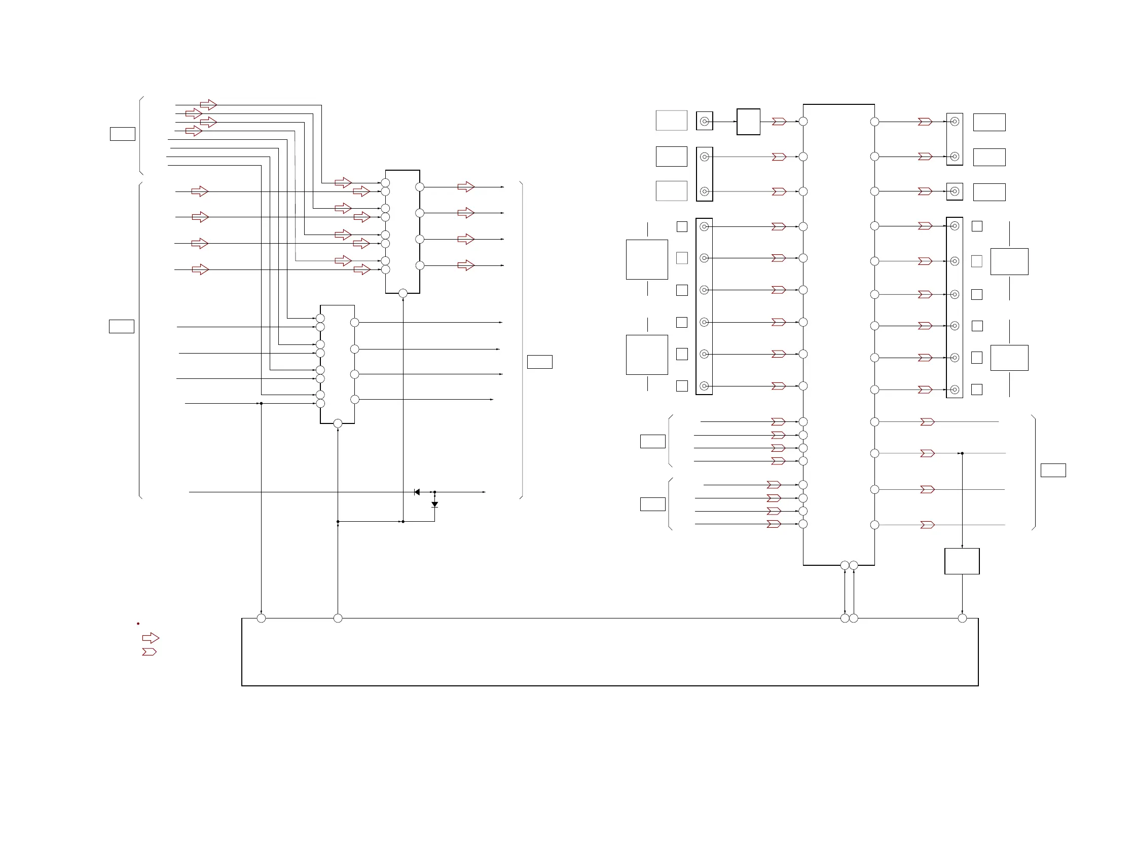
5-4. BLOCK DIAGRAM - DIGITAL AUDIO/ANALOG VIDEO Section -
: VIDEO
: AUDIO
SIGNAL PATH
93 VIN6
83VOUT1
81VOUT3
77VOUT5
92 VIN5
82VOUT2
VIDEO INPUT SELECTOR
IC6014
22 YIN6
J6003 (1/2)
VIDEO 1
VIDEO IN
J100 (2/2)
94 VIN7
SAT/CATV
VIDEO IN
VIDEO 2 IN
VIDEO
J6006
PB
PR
Y
PB
PR
Y
COMPONENT
VIDEO
ASSIGNABLE
(INPUT ONLY)
IN 2 (SAT/CATV)
COMPONENT
VIDEO
ASSIGNABLE
(INPUT ONLY)
IN 1 (DVD)
35 PBIN6
39 PRIN6
21 YIN5
34 PBIN5
40 PRIN5
ZONE 2
VIDEO OUT
J6004
J6003 (2/2)
MONITOR
VIDEO OUT
VIDEO 1
VIDEO OUT
J6005
PB
PR
Y
COMPONENT
VIDEO
MONITOR OUT
PB
PR
Y
71YOUT1
62PBOUT1
53PROUT1
70YOUT2
61PBOUT2
52PROUT2
69YOUT3
60PBOUT3
51PROUT3
5
SDA
6
SCL
VIDEO
AMP
IC6023
COMPONET
DETECT
IC6016
COMPONENT
VIDEO
ZONE 2 OUT
MAIN SYSTEM CONTROLLER
IC2501 (4/5)
COMP_DET-AD
A-VIDEO_I2C_SCL
A-VIDEO_I2C_SDA
17 19 50
CVBS OUT1
CY OUT1
CB OUT1
CR OUT1
>012B
87 VIN1
15 YIN1
30 PBIN1
44 PRIN1
CY IN1
CB IN1
CR IN1
CVBS IN1
>011B
>009B
DATA SELECTOR
IC2001
SELECT
1
D2001
D2000
SD0
SD1
SD2
SD3
MCK
BCK
LRCK
>002B
ERROR
NON_LPCM
>010B
HDMI_SD0
HDMI_SD1
HDMI_SD2
HDMI_SD3
HDMI_MCK
HDMI_LRCK
HDMI_BCK
HDMI_ERROR
DATA SELECTOR
IC2000
B1
6
Y1
7
A0
2
A1
5
A2
11
A3
14
B0
3
Y0
4
B3
13
Y3
12
B2
10
Y2
9
SELECT
1
HDMI_NONLPCM
AOSDATA0
AOSDATA1
AOSDATA2
AOSDATA3
AOLRCK
AMUTE
AOBCK
AOMCK
B1
6
Y1
7
A0
2
A1
5
A2
11
A3
14
B0
3
Y0
4
B3
13
Y3
12
B2
10
Y2
9
NET_HDMI_SEL (A28)
99
HDMI_ERROR_IN
61
91 VIN4
19 YIN4
33 PBIN4
41 PRIN4
PY OUT
PB OUT
PR OUT
CVBS OUT
>025B
(Page 50)
(Page 48)
(Page 43)
(Page 50)
(Page 49)
(Page 49)

Table of Contents

Other manuals for Sony STR-DA2800ES

Related product manuals