EasyManua.ls Logo

Sony STR-DA2800ES - Page 127

Sony STR-DA2800ES
214 pages
Print Icon
To Next Page IconTo Next Page
To Next Page IconTo Next Page
To Previous Page IconTo Previous Page
To Previous Page IconTo Previous Page
Loading...
STR-DA2800ES
127
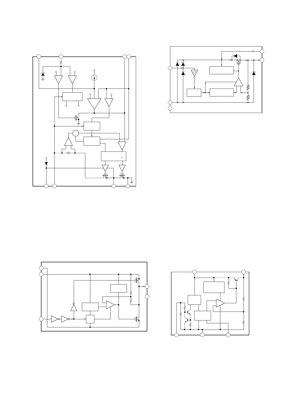
– NETWORK Board –
IC302, 2502 RT8252ALGSP
BOOT
1
VIN
2
SW
3
GND
4
FB
5
COMP
6
EN
7
SS
8
S
R
QQ
+
FOLDBACK
CONTROL
SLOPE COMP
UV
COMPARATOR
CURRENT
COMPARATOR
CURRENT SENSE
AMPLIFIER
SHUTDOWN
COMPARATOR
LOCKOUT
COMPARATOR
OSCILLATOR
0.8V
+
+
VA
VCC
2.7V 1.2V
VA VCC
EA
+
0.4V
INTERNAL
REGULATOR
+
+
+
IC304 MM3404Z11NRE
IC702 MM3404A12NRE
IC2503 MM3404A33NRE
VOUT
5
NC
4
CE 3
GND
2
VDD
1
+
VOLTAGE
REFERENCE
CURRENT
LIMIT
BIAS
IC305, 309 S-T111B33MC-OGSTFG
IC1099 S-T111B50MC-OHJTFG
+
4
5
1
2
ON/OFF
VOUT
VIN
VSS
3
NC
OVER CURRENT
PROTECTOR
REFERENCE
VOLTAGE CIRCUIT
ON/OFF
CIRCUIT
IC306, 312, 701 TK11133CSCL-G
CONTROL
CIRCUIT
BANDGAP
REFERENCE
+
OVER HEAT &
OVER CURRENT
PROTECTION
1
VCONT
3
NP
2
GND
4
VOUT
5
VIN

Table of Contents

Other manuals for Sony STR-DA2800ES

Related product manuals