EasyManua.ls Logo

Stryker 1069 - Page 111

Stryker 1069
148 pages
Print Icon
To Next Page IconTo Next Page
To Next Page IconTo Next Page
To Previous Page IconTo Previous Page
To Previous Page IconTo Previous Page
Loading...
page 672
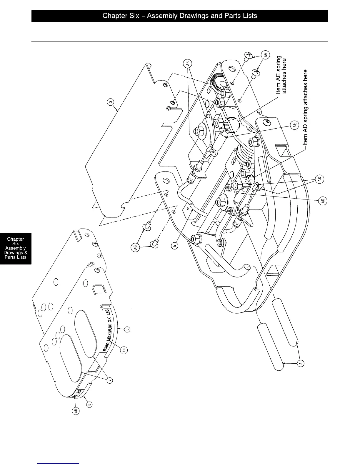
10693310 Optional Dual Articulating Head Piece Assembly

Table of Contents

Other manuals for Stryker 1069

Related product manuals