EasyManua.ls Logo

Suzuki F6A - Ignition Timing Control

Suzuki F6A
202 pages
Print Icon
To Next Page IconTo Next Page
To Next Page IconTo Next Page
To Previous Page IconTo Previous Page
To Previous Page IconTo Previous Page
Loading...
127
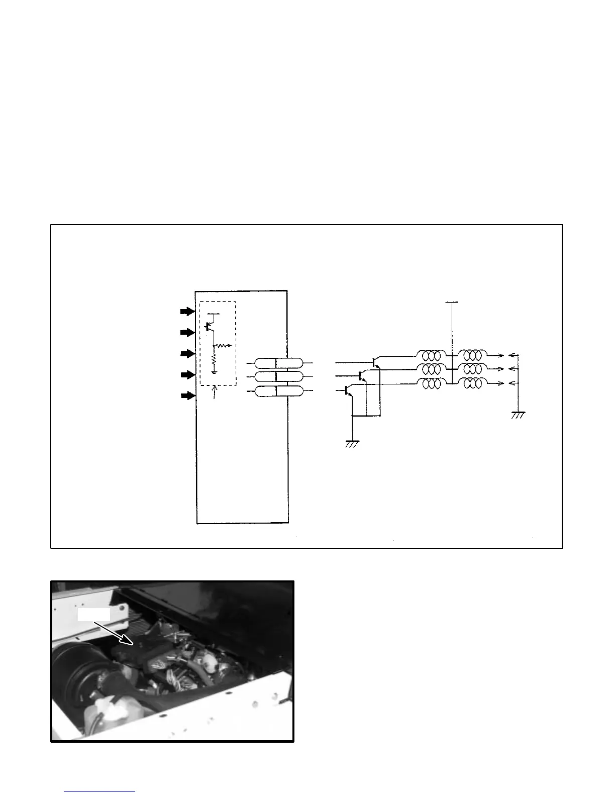
IGNITION TIMING CONTROL
Low rpm (starting) mode: When the engine speed is 600 rpm or lower, ignition is adjusted to BTDC5°.
Connection occurs in the interval from 75° BTDC to 5° BTDC.
Ignition timing adjustment mode: When diagnositc jumper (P.N. 2700920) in place, the ignition timing is fixed at
5° BTDC.
Normal control mode: In normal ignition timing, the angle is danced or delayed by adding the following correction to
the basic ignition timing, which is determined according to the engine rpm and intake air
amount. However, these are controlled at 50° BTDC~10° ATDC (corresponding to the crank
angle axis).
Water temperature correction angle: Corrected according to the cooling water temperature. The angle is delayed
when the cooling water temperature is high.
Idle stabilization correction angle: Corrected according to rpm fluctuations during idling.
CRANK ANGLE SENSOR
PRESSURE SENSOR
WATER TEMP SENSOR
THROTTLE SENSOR
BATTERY VOLTAGE
ECM
5V
IT
IT13
ONE CIRCUIT
FOR
EACH
TERMINAL
IT1
IT2
IT3
21
20
19
+12V
(VIA IG SW)
W/B
W
W/R
COLOR CODE
W – WHITE
B – BLACK
R – RED
#1
#2
#3
SPARK
PLUGS
ENGINE CONTROL MODULE (ECM)
ECM

Table of Contents

Related product manuals