EasyManua.ls Logo

Suzuki F6A - Alternator Description; Battery

Suzuki F6A
202 pages
Print Icon
To Next Page IconTo Next Page
To Next Page IconTo Next Page
To Previous Page IconTo Previous Page
To Previous Page IconTo Previous Page
Loading...
156
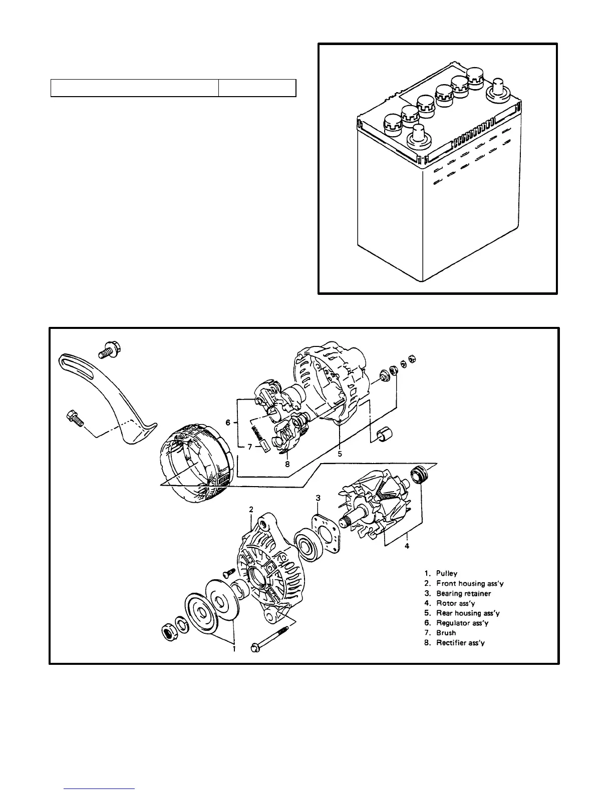
ALTERNATOR DESCRIPTION
MAX. ALTERNATOR OUTPUT 45A
BATTERY
The basic charging system is the IC integral regulator
charging system. The internal components are con-
nected electrically as shown in the following schematic
diagram battery.
The battery has three major functions in the electrical
system. First , it is a source of electrical energy for
cranking the engine. Second, it acts as a voltage sta-
bilizer for the electrical system. And third, it can, for a
limited time, provide energy when the electrical load
exceeds the output of the alternator.

Table of Contents

Related product manuals