EasyManua.ls Logo

Suzuki F6A - Diagnosis and Troubleshooting

Suzuki F6A
202 pages
Print Icon
To Next Page IconTo Next Page
To Next Page IconTo Next Page
To Previous Page IconTo Previous Page
To Previous Page IconTo Previous Page
Loading...
111
ISC STEPPER MOTOR CONTROL
The ISC stepper motor is controlled in the following modes according to various conditions.
Operation shutdown: When the battery voltage is less than 9.0 V, operation of the ISC is halted.
Initialization: When the ignition key is switched from ON to OFF, initializing is performed, and ISC is placed in
standby imposition of step 80.
Stop mode: When the engine speed is 50 rpm or less, fixed at step 80.
Start mode: When engine is at low rpm (cranking), fixed at bypass air amount when starting.
Normal mode: Normally, bypass air amount is determined by adding the following correction to the basic bypass
air amount which changes according to the cooling water temperature.
Correction immediately after starting: The bypass air amount is determined according to the cooling water
temperature after starting, and a correction amount is gradually decreased according to the engine warm–up
status.
RPM feedback correction: The bypass air amount is corrected according to the difference between the present idle
rpm and the target idle rpm.
Electrical load idle–up correction: When the headlights are on, the bypass air amount is increased by a specified
amount.
Dash pot correction: When the idle switch is ON and the engine rpm has changed from a high region to a certain
level or below, the bypass air amount is increased, and the emission of HC is prevented.
Atmospheric pressure correction: The bypass air amount is corrected according to the atmospheric pressure.
Radiator fan idle–up correction: When the radiator fan is operating, the bypass air amount is increased by a
specified amount.
D range idle–up correction: The bypass air amount is increased by a specified amount according to the shift lever
operating status (R, D, 2, L).
Correction when load changes: When shifting to no–correction status in the idle–up status described above, the
correction amount is gradually decreased.
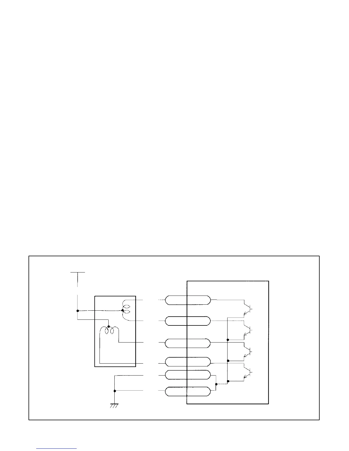
+12V
(VIA IG SW)
B/R
ISC VALVE
R/B
R
R/Y
R/BL
B/BL
B
COLOR CODE
R – RED
B – BLACK
Y – YELLOW
BL – BLUE
ECM
11
SMA
12
SMB
SMC
SMD
13
14
9
17
E01
E1

Table of Contents

Related product manuals