EasyManua.ls Logo

Suzuki F6A - System Wiring Diagram

Suzuki F6A
202 pages
Print Icon
To Next Page IconTo Next Page
To Next Page IconTo Next Page
To Previous Page IconTo Previous Page
To Previous Page IconTo Previous Page
Loading...
96
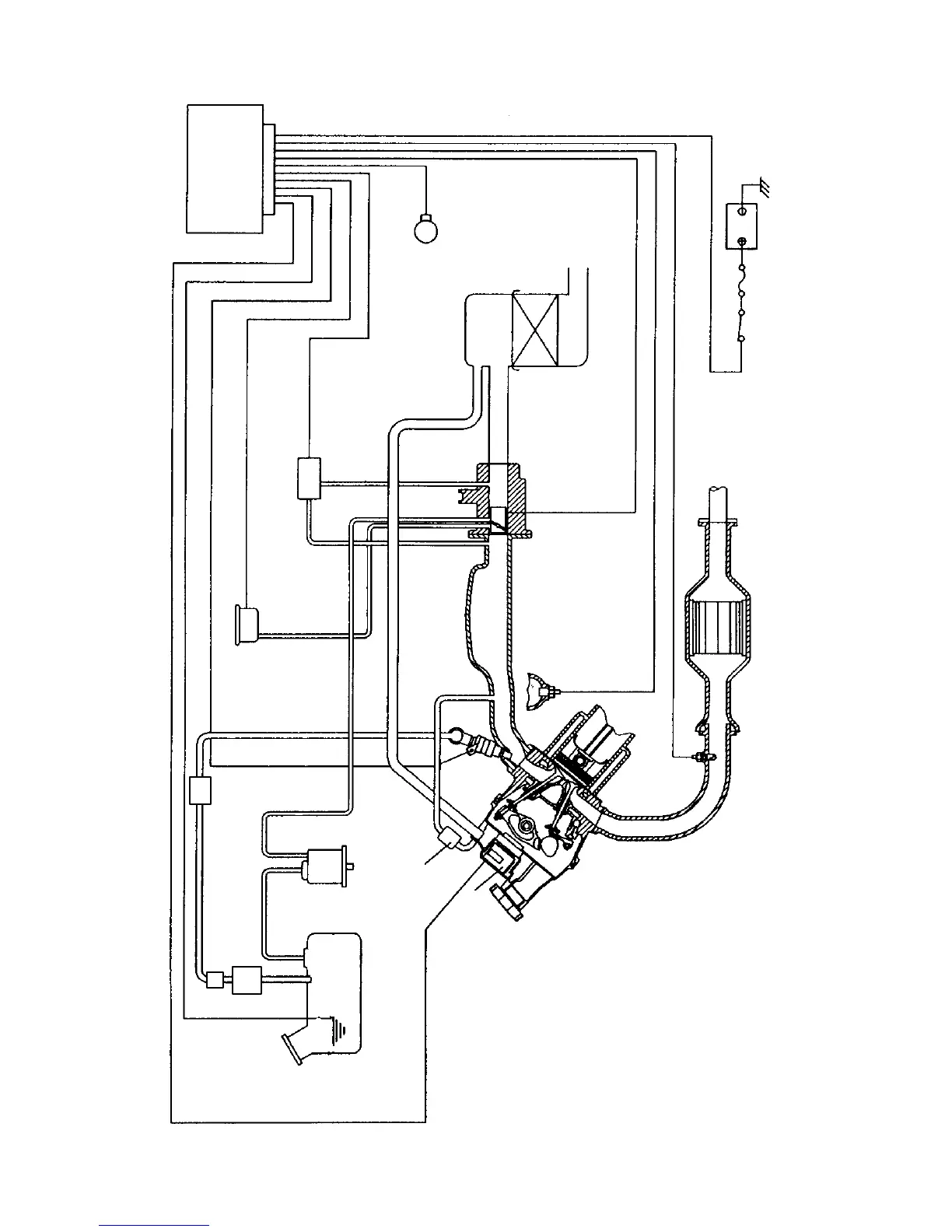
SYSTEM CONFIGURATION DRAWING
PCV VALVE
ISC VALVE
WATER
TEMPERATURE
SENSOR
THROTTLE SENSOR
O2 SENSOR
CATALYTIC CONVERTER
AIR CLEANER
CRANK ANGLE SENSOR
INJECTOR
ECM
CANISTER
FUEL
PUMP
PRESSURE
IGNITION COIL
PRESSURE SENSOR
FUELFILTER
REGULATOR
NOTE: FUEL TANK, FUEL PUMP, FUEL
FILTER AND FUEL REGULATOR ARE
NOT INTEGRAL AS SHOWN IN THIS
PICTORAL REPRESENTATION.

Table of Contents

Related product manuals