EasyManua.ls Logo

Suzuki F6A - Fuel System; Fuel Pump Control

Suzuki F6A
202 pages
Print Icon
To Next Page IconTo Next Page
To Next Page IconTo Next Page
To Previous Page IconTo Previous Page
To Previous Page IconTo Previous Page
Loading...
12
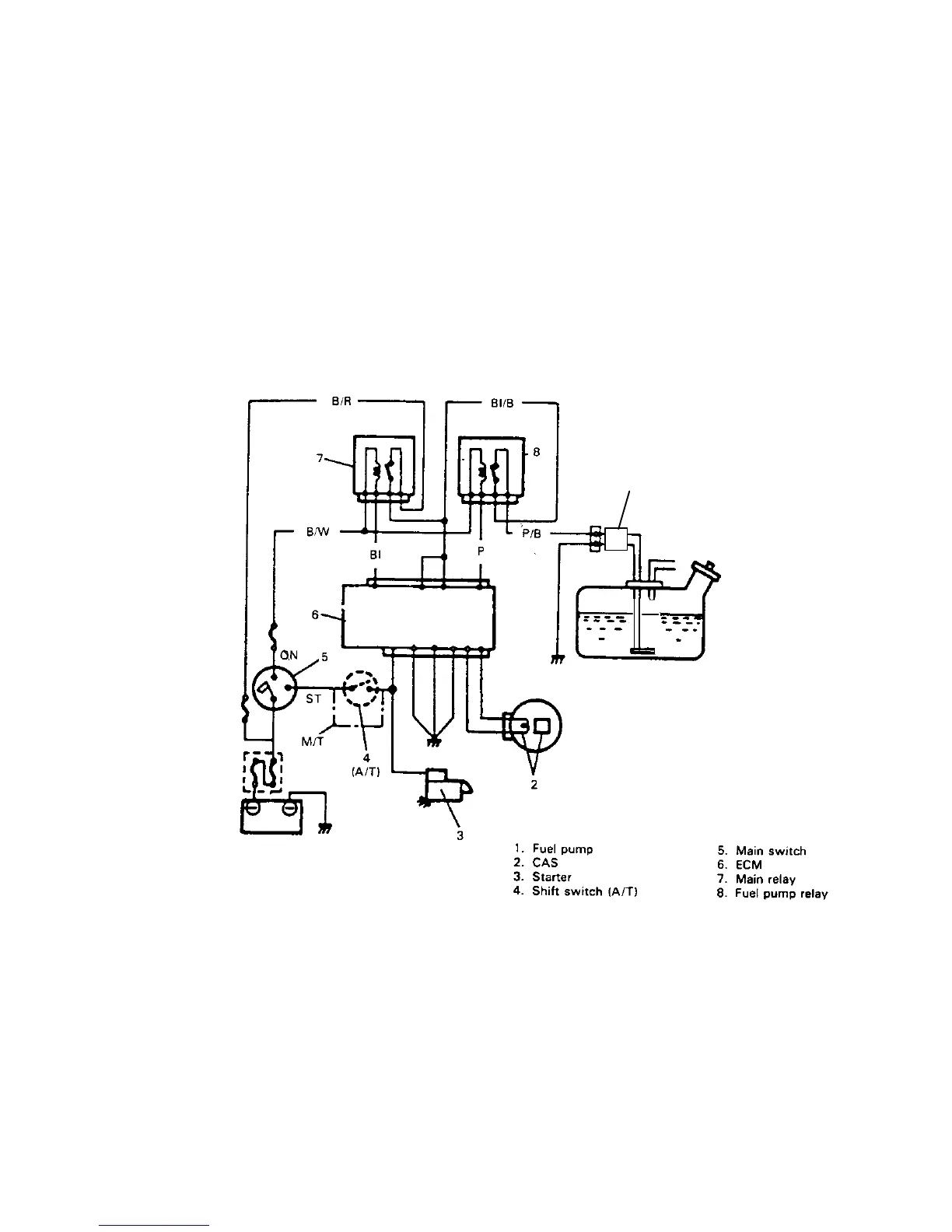
FUEL SYSTEM
Fuel pump control
The fuel pump of the electronic fuel injection system is controlled so that it operates only when the engine is running. This
is a safety device to stop the fuel pump whenever the engine stops even if the ignition switch is ON.
(1) When the ignition switch is turned ON, the main relay turns ON immediately to pass electricity as far as the upper
side of the pump relay contact point.
(2) The pump relay under the control of the ECM turns ON when any of the following conditions is met and the fuel pump
is activated as long as it is ON.
Conditions Pump ON time
After ignition switch On 2 seconds
When starter signal ON
When crank angle sensor signal fed 2 seconds
1

Table of Contents

Related product manuals