EasyManua.ls Logo

Suzuki F6A - Hydraulic Circuit

Suzuki F6A
202 pages
Print Icon
To Next Page IconTo Next Page
To Next Page IconTo Next Page
To Previous Page IconTo Previous Page
To Previous Page IconTo Previous Page
Loading...
189
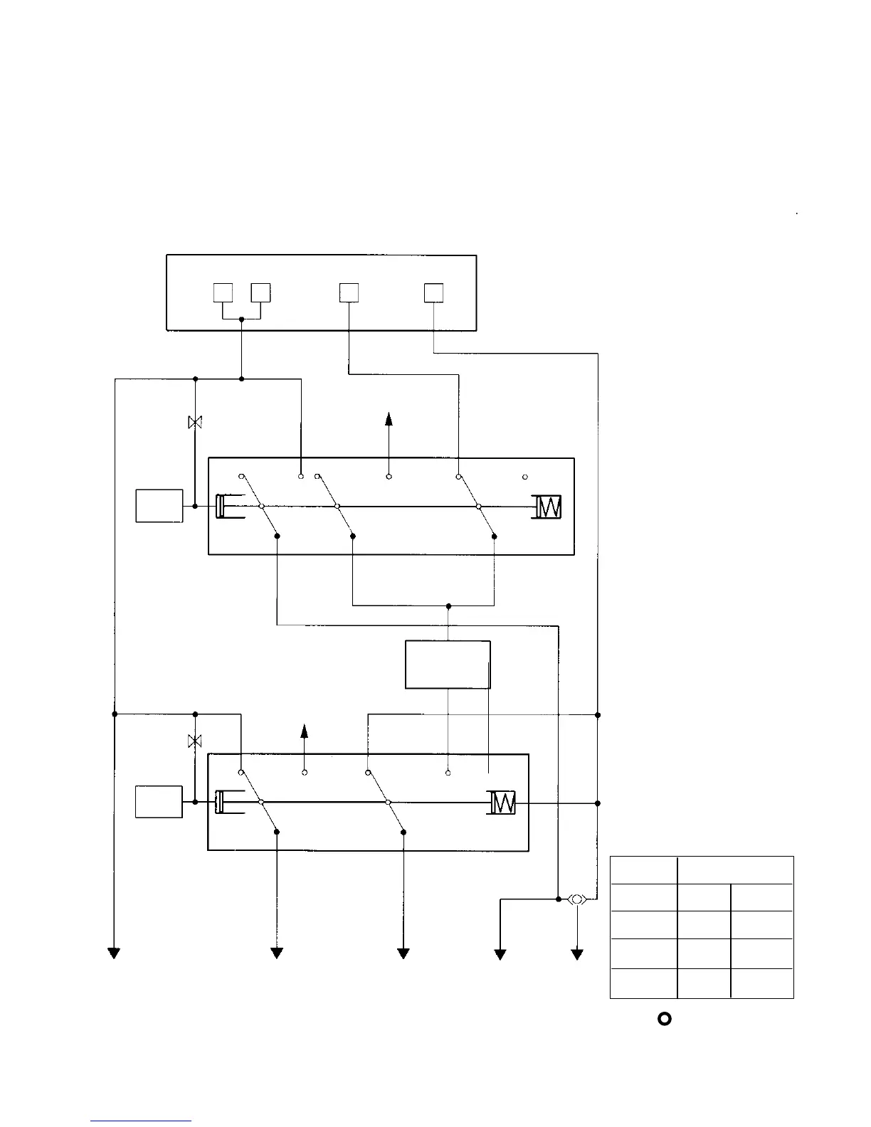
HYDRAULIC CIRCUIT
The hydraulic pressure for gear shifting operation is the line pressure.
The line pressure is a hydraulic pressure which operates the clutch and brake, and is switched by the manual valve,
1–2 shift valve, and 2–3 shift valve.
The line pressure changes by adjusting the pressure using the pressure regulator valve and locust modulator valve,
according to the position of the selector lever.
Refer to pressure regulator valve, manual valve, and locost modulator valve of valves and solenoids with respect to
control details.
D2
L
R
NO. 1
MANUAL VALVE
SOLENOID
DRAIN
2–3 SHIFT VALVE
LOCOST
MODULATOR
VALVE
NO. 2
SOLENOID
DRAIN
1–2 SHIFT VALVE
FORWARD
CLUTCH
SECOND
BRAKE
BAND
TIGHTENING
SIDE
FIRST
REVERSE
BRAKE
SECOND
BRAKE
BAND
RELEASE
SIDE
DIRECT
CLUTCH
....
ON
X
....
OFF
Shift solenoid
No. 1
No. 2
1
st
gear
2
nd
gear
3
rd
gear
O
O
O
O
X
X

Table of Contents

Related product manuals