EasyManua.ls Logo

Suzuki F6A - SECTION 14: CHASSIS

Suzuki F6A
202 pages
Print Icon
To Next Page IconTo Next Page
To Next Page IconTo Next Page
To Previous Page IconTo Previous Page
To Previous Page IconTo Previous Page
Loading...
163
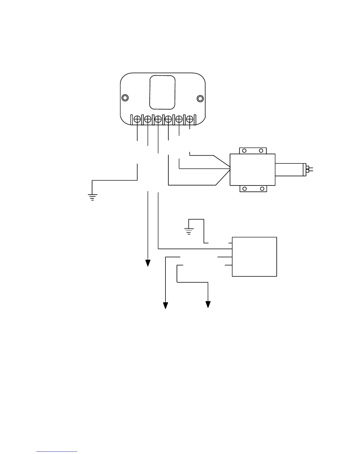
SPEED LIMITING CIRCUIT
845219
CONTROL MODULE
GROUND
BLACK
GREEN/YELLOW
WHITE/BLACK
RED
WHITE
BLACK
GROUND
BLACK
ORANGE/GREEN
WHITE/GREEN
+12V
FUSE
PANEL
SPEED LIMIT
MODULE
2700918
845218
SPEED LIMIT
SOLENOID
+12V
FUSE
PANEL
VEHICLE SPEED INPUT
FROM SPEED SENSOR

Table of Contents

Related product manuals