EasyManua.ls Logo

Suzuki F6A - Crankshaft and Connecting Rods

Suzuki F6A
202 pages
Print Icon
To Next Page IconTo Next Page
To Next Page IconTo Next Page
To Previous Page IconTo Previous Page
To Previous Page IconTo Previous Page
Loading...
46
ENGINE BODY
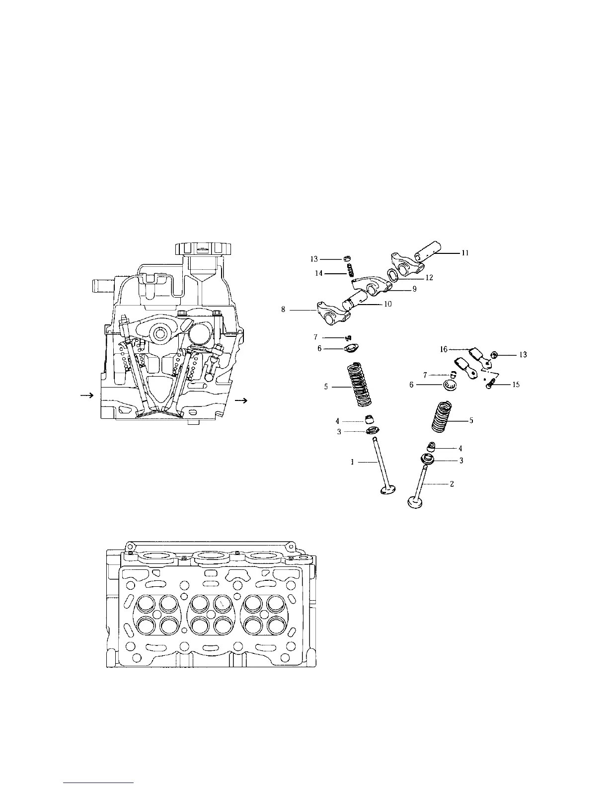
CYLINDER HEAD/VALVE TRAIN
4–VALVE
The cylinder head is made of an aluminum alloy that is lightweight and has excellent heat radiating properties and uses
a cross–flow system in the layout of the air intake valves. The combustion chambers have improved combustion
efficiency by using a center–plug type pentroof form.
The valve driving system is a rocker arm system using a seesaw type for the intake side and a cantilever type for the
exhaust side.
Valve clearance is adjusted by adjusting screw on both intake and exhaust.
IN EX
1. Intake valve
2. Exhaust valve
3. Valve spring sheet
4. Valve spring
5. Valve stem seal
6. Valve spring retainer
7. Valve cotter
8. Intake valve rocker arm No. 1
9. Intake valve rocker arm No. 2
10. Rocker arm shaft No. 1
11. Rocker arm shaft No. 2
12. Web washer
13. Lock nut
14. Adjusting screw
15. Exhaust valve adjusting screw
16. Exhaust valve rocker arm

Table of Contents

Related product manuals