EasyManua.ls Logo

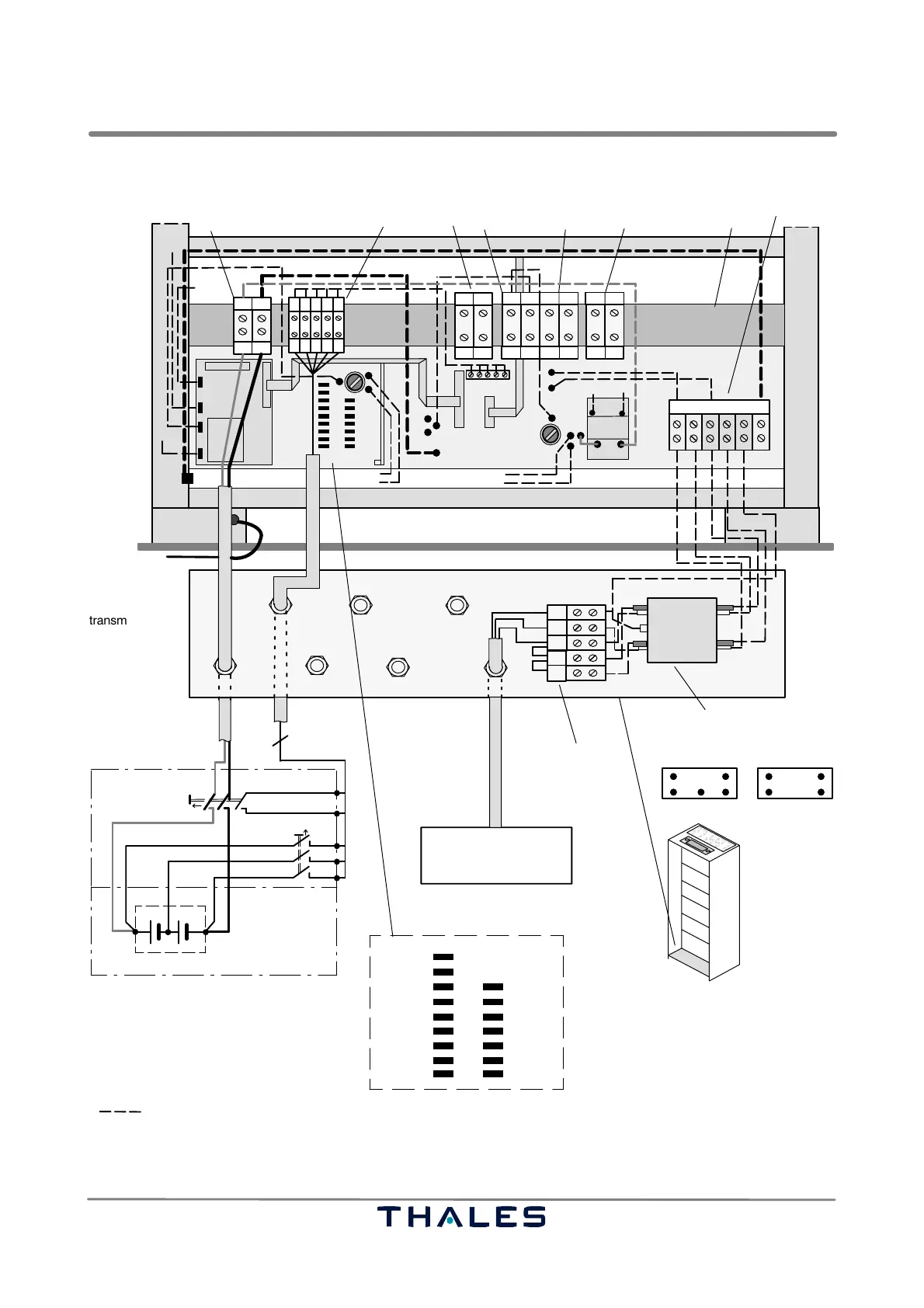
Thales 421 - Fig. 2−13 Connections at the Backpanel BP−PS, C−Bar and Bottom Plate; To 12

Thales 421
256 pages
Print Icon
To Next Page IconTo Next Page
To Next Page IconTo Next Page
To Previous Page IconTo Previous Page
To Previous Page IconTo Previous Page
Loading...
LLZ 421
Operation and Maintenance Installation
ILS 420
2−11Ed. 01.04
SOAC
L1 L2 L3NPE
rear side of transmitter rack, BP−PS
BAT BAT
+B −B
5
bottom plate with
cable glands
mains connection box
shelter
230 VAC
ÂÂÂ
ÂÂÂ
transmitter rack
FPE
(european version only)
C−barbattery terminal
measuring line
connector
DME
terminal
RL
terminal
mains terminal
mains terminal
mains filter
emergency battery battery box
48 V
+
fuse box
BFUSE
BFUSE
BAT2
BAT1
BAT0
50 A
0.2 A
DC
F20
F21
1
2
3
4
24
23
21 FF0
−N+N
PE
NL1L2L3
L3
L2
N
L1
PE
L1
N
L2
L3
L3
L2
L1 N
L2
L3
NL1
PE
connectors position:
IN
OUT
LVS
X10
X8
X9
X4
DCC−5
X2
X3
−A+A
F4
F5
REL1
SP26
SP10
TX1
to S1 (TX1)
to S2 (TX2)
TX2
from S2
from S1
DME+
−D+D −R+R
DME−
DC to TX
P54 LG−A
Ubat −
P15 TX2
P5 TX2
N15 TX2
GND TX1_1
GND TX1_2
GND TX2_2
GND TX2_1
P24 TX2
P15 INTFC
P15 TX1
P5 INTFC
P5 TX1
N15 TX1
N15 INTFC
P24 TX1
Assignment DC to TX1/2
to REL1
to LCP
to GND
from LVS
54+
factory wired
54+
Ground bolt
N_1
L2_1
not used
not used
to Shelter ground
(regard NOTE)
NOTE:
As special option a 2 phase mains connection
(e.g. L1, L2) may be established for individual
supply of AC/DC converter. In this case the
standard bridge between L1 and L2 at the
mains terminal has to be removed.
Fig. 2−13 Connections at the backpanel BP−PS, C−bar and bottom plate

Table of Contents